Iklan 300x250

42 onan starter solenoid diagram

Onan Control Board Operation - gmcws.org Wiring between [K1] and starter solenoid faulty. No starter action! Starter faulty. Note: If starter ever stays engaged after Onan starts: Pull slip-on terminal wire from starter solenoid to stop starter! If starter stops - Suspect [K1] Relay! If starter will not stop - Suspect starter solenoid sticky (clean & lube)! Onan Generator Wiring Diagram - Wiring Diagram onan generator wiring diagram - You'll need a comprehensive, professional, and easy to understand Wiring Diagram. With such an illustrative guide, you'll be capable of troubleshoot, stop, and total your assignments easily. Not only will it help you accomplish your required results faster, but in addition make the entire method less difficult for everyone.

PDF Onan E125 V, E140v Engine Service Manual SOLENOID SHIFT STARTER SOLENOID ARMATURE COMMUTATOR AND MICA STARTER BODY BRUSHES OVERRUNNING CLUTCH ... The wiring diagram shows how the electrical com- ... tolerances. disassembly, inspection, repair, and assembly of the engine components. Use only Genuine Onan replacement parts to pro- vide quality and the best repair and overhaul results ...

Onan starter solenoid diagram

Onan starter solenoid diagram

How to Replace a Starter Solenoid: 15 Steps (with Pictures) Mark the wires on the old solenoid and unbolt or unscrew it before pulling the solenoid out away from the starter. Compare your new solenoid to the old one to confirm it's identical and follow the manufacturer's instructions to install it safely using the same wiring diagram as your old solenoid. Onan 4000 Microlite Wiring Diagram In need of a wiring diagram for onan microquiet will be in the process of installing so would like to know where those colorful wires hook. Electrical Shock and Arc Flash Can Cause Severe Personal Injury or Death .. 3. Generator Voltage Is Installation Codes and Standards for Safety. .. Onan Generator 4kyfa26100k Wiring Diagram - Wiring Diagram ... Onan Generator 4kyfa26100k Wiring Diagram. Wiring diagram for a onan gen set intellitec solenoid issue 1997 rv genset model kv installed generator handbook quiet gasolinetm microlite 4000 series service i have 1977 dodge executive motorhome my starter only spins. Need A Wiring Diagram For Onan Gen Set The Start Stop Controll Panel It Is 4 0 Bfa ...

Onan starter solenoid diagram. Onan KY Microlite / Microquiet repair parts : Onan KY Microlite / Microquiet repair parts - Hotstart Heaters Starter Motors Generator Parts Contactors, Motor Starters, etc Converters & Battery Chargers Other Engine Parts RV Appliance Parts Alarm Dialers Dinosaur Products Automatic Transfer Switches & Parts Dynagen Controls New Old Stock (Onan and Kohler) ASCO Parts Miscellaneous Uploaded from AC Onan Emerald 1 Genset Wiring Diagram - Wirings Diagram Onan Emerald 1 Genset Wiring Diagram - onan emerald 1 genset wiring diagram, onan generator emerald 1 wiring diagram, Every electric structure consists of various diverse components. Each part should be placed and connected with other parts in specific manner. Otherwise, the arrangement won't function as it ought to be. PDF Onan Generator Set for RV English Original Instructions 3-2018 0981-0522 (Issue 26) ServiceService ManualManual Onan Generator Set for RV HDKAH (Spec A-P) HDKAJ (Spec A-L) HDKAK (Spec A-P) PDF Onan Generator Set for RV Cutoff, Fuel Solenoid, 19 D Door, Enclosure, 51 Drive, 15 E Elbow, Conduit (HGJAA,HGJAB), 48 Elbow, Conduit (HGJAC), 50 Elbow, EFI Bulkhead 90 Degree Hose, 26 , 27 Elbow, Fuel Filter Street, 19 Elbow, Fuel Valve Shutoff 90 Degree Pipe, 31 Elbow, LP Vapor Bulkhead 90 Degree Pipe, 34 Elbow, LP Vapor Solenoid 90 Degree Street, 34

How to test onan starter selenoid - iRV2 Forums Onan Starter Solenoid One thing not mentioned is the possibility that the starter is bad. Jumping across the large lugs of the solenoid should turn the starter, assuming you have a good 12v from the battery and at the solenoid 12v solenoid connection for energizing the solenoid plus good grounds. Onan: - Start solenoid wiring diagram error??? | Smokstak ... Had the wiring diagram open (612-4793) and was tracing wiring on my set and confirming against the factory wiring diagram. I found what looks like a typo on the schematic 612-4793, related to the start solenoid relay K11, terminal S. Below is the factory diagram for K11 start solenoid from 612-4793 and the area of concern circled in red. Amazon.com: Cummins 3072586 Onan Start Solenoid Relay ... in Automotive Replacement Starter Starters. 20 offers from $105.67. Universal Generator Starter Relay Solenoid For Onan Replacement # 307-2570, 307-1617, 307-0845. 3.9 out of 5 stars. 49. 14 offers from $18.90. PLENTZOM Starter Relay Solenoid 307-2586 3072586 Compatible with Universal Cummins Onan 12V RV Generator. 1 offer from $23.99. Onan Solenoids - Jacks Small Engines Onan Solenoids. Onan Solenoids: Jacks is your Place! We have the Solenoids you need, with fast shipping and great prices! For lawn mower parts and accessories, think Jacks!

10000 watt Onan Quiet Diesel Wiring Schematics Needed ... 10000 watt Onan Quiet Diesel Wiring Schematics Needed. Starting issue: Generator goes through the start process but never engages the starter. I run a wire to the exciter wire on the starter solenoid. I can then push the start switch from anywhere on the coach then excite the jumper wire with my Power Probe and start the generator every time. ONAN 307-1617 - RELAY SOLENOID START (TEXT) - OEM part ONAN 307-1617 - RELAY SOLENOID START (TEXT) - Original OEM part. Usually ships within 24 hours if in stock (USA and Canada only). ONAN 307-1617 - RELAY SOLENOID START (TEXT). This is an authentic ONAN replacement part. Available for USA and Canada only. Replacing starter solenoid on Onan DJE - Chudov Further investigation showed that the problem was that the solenoid that attaches below the starter, is bad and does not close contact to run the starter. I ordered a replacement. It was a China made "generic OEM" part. The price was $39 on eBay and $59 on partsforless website. The cost from Onan is $369!!! Onan Commercial 4500 Wiring Diagram Wiring diagram onan commercial RV mechanic. November 9th, - Re Wiring diagram onan 4 0 bfa jd.Save onan commercial to get e-mail alerts and updates on your eBay Feed. + Items in search results. Onan Commercial Power Unit. Pre-Owned. $1, Wiring Harness Onan Commercial Generator 12kW Watts Isuzu Diesel 3LD1 OEM See more like this.

Starter Relay: The Ultimate Guide - T&X

Starter Relay: The Ultimate Guide - T&X

Onan 4000 Generator Wiring Diagram - Wiring Diagram onan 4000 generator wiring diagram - You'll need an extensive, skilled, and easy to comprehend Wiring Diagram. With this sort of an illustrative guidebook, you are going to be able to troubleshoot, prevent, and complete your projects easily.

Commercial Emerald 4500 GenSet | Manualzz

Commercial Emerald 4500 GenSet | Manualzz

Onan 6.5 Nhe Wiring Diagram - schematron.org The Onan Motor Generator is powered by a two cylinder - four cycle horizontally opposed gasoline engine. An automotive type starter is used to start the engine. The starter is powered by a battery located in the motor generator compartment. Service Manual GenSets Printed In U.S.A. Do not tk electrical wiring to fuel lines.

My Onan generator starter only spins and will not engage ...

My Onan generator starter only spins and will not engage ...

What Is the Wiring Diagram for The Onan Solenoid Part ... WHAT IS THE WIRING DIAGRAM FOR THE ONAN SOLENOID PART # 307-1193 - Answered by a verified Technician We use cookies to give you the best possible experience on our website. By continuing to use this site you consent to the use of cookies on your device as described in our cookie policy unless you have disabled them.

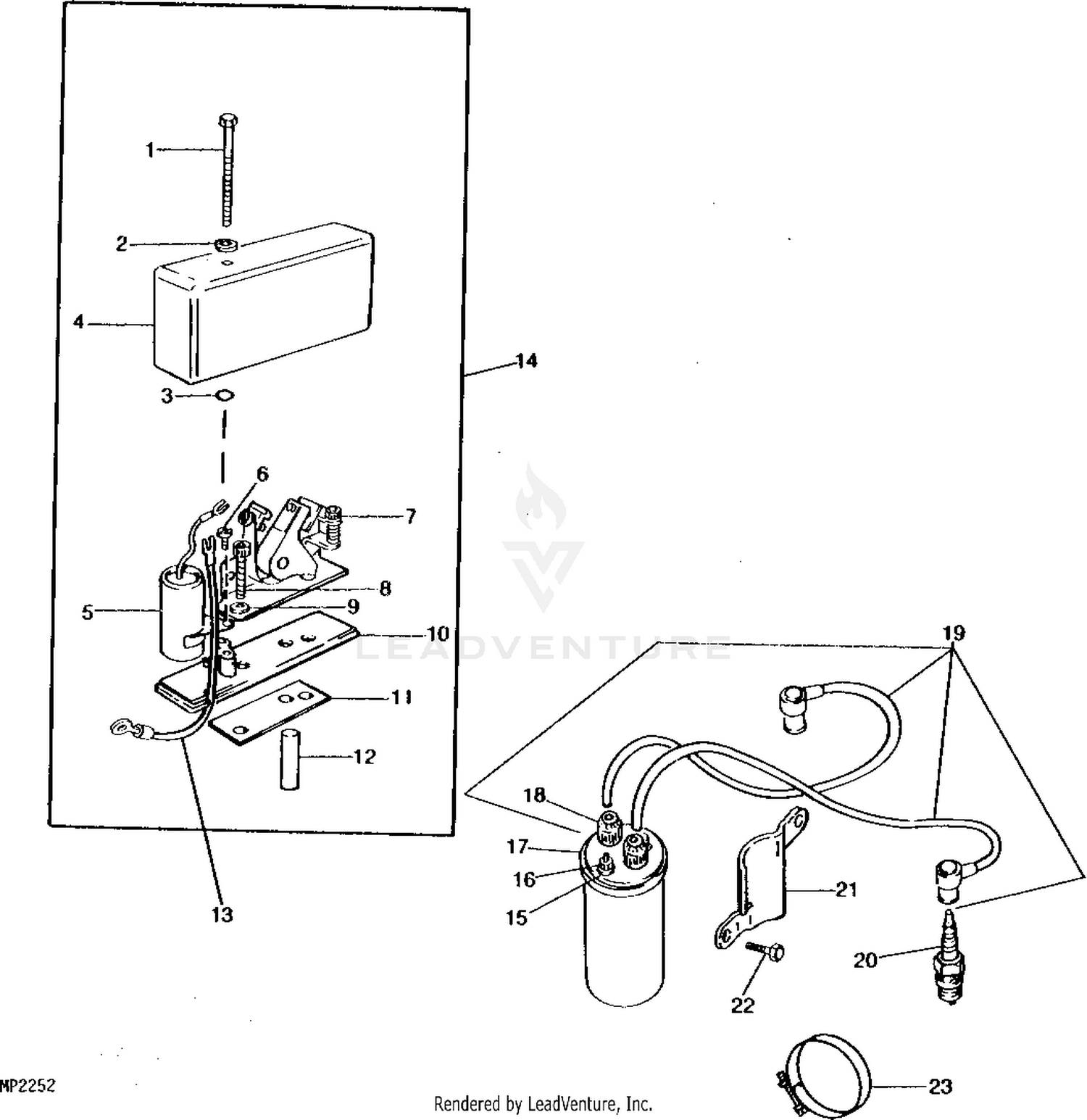
John Deere ELECTRICAL Ignition System (ONAN M.N. B48G ...

John Deere ELECTRICAL Ignition System (ONAN M.N. B48G ...

Starter Solenoid: The Definitive Guide To Solve All the ... Starter Solenoid Wiring Diagram - Without Starting Relay Type. The starting system circuit without starter relay set in is shown in Fig. below. After turn on the ignition switch, terminal 50 of the ignition switch is connected to the B8 node of the central circuit board via the red or black wiring, then to the solenoid terminal 50 of the ...

Onan 6.5NH-3CR/16004P - Starting Circuit / Solenoid Issues ...

Onan 6.5NH-3CR/16004P - Starting Circuit / Solenoid Issues ...

onan starters - Onan Parts.Com Discontinued! 191-0933 Starter, New. BF, BG, B48M. 191-0933 Supersedes/Replaces 191-0883 Genuine Onan

2. How to wire generators with a three-wire interface

2. How to wire generators with a three-wire interface

Onan 4000 Generator Wiring Diagram - Wirings Diagram According to earlier, the traces at a Onan 4000 Generator Wiring Diagram represents wires. Occasionally, the cables will cross. However, it doesn't imply link between the wires. Injunction of 2 wires is generally indicated by black dot to the junction of 2 lines. There will be main lines which are represented by L1, L2, L3, and so on.

Die motor starter aus kupfer QD114A 12 v 0.8KW verwendet auf 170F 178F 186F  motor. gute qualität verwendet in diesel beste preis

Die motor starter aus kupfer QD114A 12 v 0.8KW verwendet auf 170F 178F 186F motor. gute qualität verwendet in diesel beste preis

ONAN - Service Manual Download CUMMINS ONAN DGBB DGBC DGCA DGDB DGCC DGDA DGDB DGDB DGEA DGFA DGFC GENERATOR SET WITH POWER COMMAND 3100 CONTROLLER Service Repair Manual. CUMMINS ONAN EGMBB, P2400 AND EGMBG P3500 (SPEC A) GENERATOR Service Repair Manual. CUMMINS ONAN 5500 (4EGMBD-5269) & 6500 (5EGMBE-5270) GENERATOR Service Repair Manual.

10-BO160 - Solenoid - Bosch System - Accumax Auto Parts Inc.

10-BO160 - Solenoid - Bosch System - Accumax Auto Parts Inc.

Cummins 3072570 Onan Starter Solenoid - amazon.com This item: Cummins 3072570 Onan Starter Solenoid. $59.99. Only 16 left in stock - order soon. Ships from and sold by AnyRVParts. FREE Shipping. DB Electrical 410-21025 Starter Compatible With/Replacement For Onan 191-1630 191-1667 191-2132 191-2158, Bgd Bgdl Mce Nhd Nhdl Nhe Nhm, Rv Generator Emerald 191-2416 191-1630 191-1667 191-2132. $45.15.

Need schematic drawing of Onan 300-3763 circuit board - iRV2 ...

Need schematic drawing of Onan 300-3763 circuit board - iRV2 ...

Onan Generator repair, replacing the starter - YouTube Replacing the starter in my Onan Microlite 4000 was an easy job. Taking the generator out was the hard job! I had been giving me problems for over a year, ...

My Onan Gensets

My Onan Gensets

Onan Generator 4kyfa26100k Wiring Diagram - Wiring Diagram ... Onan Generator 4kyfa26100k Wiring Diagram. Wiring diagram for a onan gen set intellitec solenoid issue 1997 rv genset model kv installed generator handbook quiet gasolinetm microlite 4000 series service i have 1977 dodge executive motorhome my starter only spins. Need A Wiring Diagram For Onan Gen Set The Start Stop Controll Panel It Is 4 0 Bfa ...

MAGNETSCHALTER ANLASSER SOLENOID NEU ORIGINAL NIKKO 7-47100 ...

MAGNETSCHALTER ANLASSER SOLENOID NEU ORIGINAL NIKKO 7-47100 ...

Onan 4000 Microlite Wiring Diagram In need of a wiring diagram for onan microquiet will be in the process of installing so would like to know where those colorful wires hook. Electrical Shock and Arc Flash Can Cause Severe Personal Injury or Death .. 3. Generator Voltage Is Installation Codes and Standards for Safety. ..

Onan: - Onan 20ES Help me understand 2 wire starting ...

Onan: - Onan 20ES Help me understand 2 wire starting ...

How to Replace a Starter Solenoid: 15 Steps (with Pictures) Mark the wires on the old solenoid and unbolt or unscrew it before pulling the solenoid out away from the starter. Compare your new solenoid to the old one to confirm it's identical and follow the manufacturer's instructions to install it safely using the same wiring diagram as your old solenoid.

wire Color Code for Starter Relay Switch | Steve Saunders ...

wire Color Code for Starter Relay Switch | Steve Saunders ...

onan generator solenoid

onan generator solenoid

Onan Generator repair, replacing the starter

Onan Generator repair, replacing the starter

Onan Generator Doesn't Start - Is The Fuel Pump Bad? - RV ...

Onan Generator Doesn't Start - Is The Fuel Pump Bad? - RV ...

Amazon.com: Cummins 3072570 Onan Starter Solenoid : Automotive

Amazon.com: Cummins 3072570 Onan Starter Solenoid : Automotive

Universal Generator Starter Relay Solenoid For Onan Replacement # 307-2570,  307-1617, 307-0845

Universal Generator Starter Relay Solenoid For Onan Replacement # 307-2570, 307-1617, 307-0845

Starter-Generator Circuit

Starter-Generator Circuit

Onan 307-2586 Starter Solenoid - Yakima Generator

Onan 307-2586 Starter Solenoid - Yakima Generator

Onan Cummins 307-1617 RV Generator Start Solenoid

Onan Cummins 307-1617 RV Generator Start Solenoid

New Starter Solenoid Fits International Tractor Farmall 350D 460 D Hc Ihc  Engine

New Starter Solenoid Fits International Tractor Farmall 350D 460 D Hc Ihc Engine

Need schematic drawing of Onan 300-3763 circuit board - iRV2 ...

Need schematic drawing of Onan 300-3763 circuit board - iRV2 ...

Onan Starter Solenoid Relay 0307-2586: nwrvsupply.com

Onan Starter Solenoid Relay 0307-2586: nwrvsupply.com

John Deere ELECTRICAL STARTER (SOLENOID SHIFT) (S.N. 364138 ...

John Deere ELECTRICAL STARTER (SOLENOID SHIFT) (S.N. 364138 ...

SOLVED: Onan genarator will not crank - Fixya

SOLVED: Onan genarator will not crank - Fixya

Onan Generator Remote Start 028-00022 - Yakima Generator

Onan Generator Remote Start 028-00022 - Yakima Generator

Toro 4-7219, 25

Toro 4-7219, 25" Bagging Kit Parts Diagram for ONAN STARTER

Un Modifying (fuel pump related) Onan 4000 Emerald BGE | The ...

Un Modifying (fuel pump related) Onan 4000 Emerald BGE | The ...

Starter wiring info - Pelican Parts Forums

Starter wiring info - Pelican Parts Forums

Onan Control Board Operation

Onan Control Board Operation

Practical Machinist - Largest Manufacturing Technology Forum ...

Practical Machinist - Largest Manufacturing Technology Forum ...

Need schematic drawing of Onan 300-3763 circuit board - iRV2 ...

Need schematic drawing of Onan 300-3763 circuit board - iRV2 ...

SOLVED: Where is starter located on the onan 12.5 HDKCB? - Fixya

SOLVED: Where is starter located on the onan 12.5 HDKCB? - Fixya

1PZ SNR-S01 Starter Solenoid Relay for Co for 4-stroke GY6 Engine 50cc 70  cc 90cc 110 cc 125cc 150 cc 200cc 250 cc ATV Dirt Bikes Scooters Go Kart  Dne ...

1PZ SNR-S01 Starter Solenoid Relay for Co for 4-stroke GY6 Engine 50cc 70 cc 90cc 110 cc 125cc 150 cc 200cc 250 cc ATV Dirt Bikes Scooters Go Kart Dne ...

1PZ RS1-Y01 Starter Solenoid Relay Replacement for Yamaha Wolverine Kodiak  Grizzly Raptor Big Bear YFM 350 400 450 660 2000-2009

1PZ RS1-Y01 Starter Solenoid Relay Replacement for Yamaha Wolverine Kodiak Grizzly Raptor Big Bear YFM 350 400 450 660 2000-2009

Onan: - Onan 4.0 BF manual wiring diagrams, What kind of ...

Onan: - Onan 4.0 BF manual wiring diagrams, What kind of ...

RV.Net Open Roads Forum: Tech Issues: Onan Generator Starter ...

RV.Net Open Roads Forum: Tech Issues: Onan Generator Starter ...

Onan Control Board Operation

Onan Control Board Operation

Onan Generator no power to start - iRV2 Forums

Onan Generator no power to start - iRV2 Forums

RV GENERATOR TROUBLESHOOTING GUIDE

RV GENERATOR TROUBLESHOOTING GUIDE

RV.Net Open Roads Forum: Tech Issues: need advice on onan ...

RV.Net Open Roads Forum: Tech Issues: need advice on onan ...

0 Response to "42 onan starter solenoid diagram"

Post a Comment

Iklan Atas Artikel

Iklan Tengah Artikel 1

Iklan Tengah Artikel 2

Iklan Bawah Artikel