40 troy bilt steering diagram
Amazon.com: troy bilt steering parts HASMX 717-1554 Garden Tractor Replacement Steering Pinion Gear for Troy Bilt Replaces Part Numbers112-0863 7171554 1120863 and Fits Troy Bilt Models 609G G609G J609 J609H LTX-1842 LTX-2146 R809K. $17.99. Troy-Bilt 13A726JD023 TB30R (2020) Steering - Shank's Lawn Shop online for OEM Steering parts that fit your Troy-Bilt 13A726JD023 TB30R (2020), search all our OEM Parts or call at 717-375-1021
Electrical Wiring Diagrams - Troy-Bilt Troy-Bilt Operator's Manuals & Illustrated Parts Diagrams. Number of Views 181.76K. Engine Shuts Off Upon Cutting Deck Engagement - Riding Mower. Number of Views 17.76K. Clicking Sound While Attempting to Key Start - Riding Mower. Number of Views 117.54K. Fuse Blown - Riding Mower.

Troy bilt steering diagram
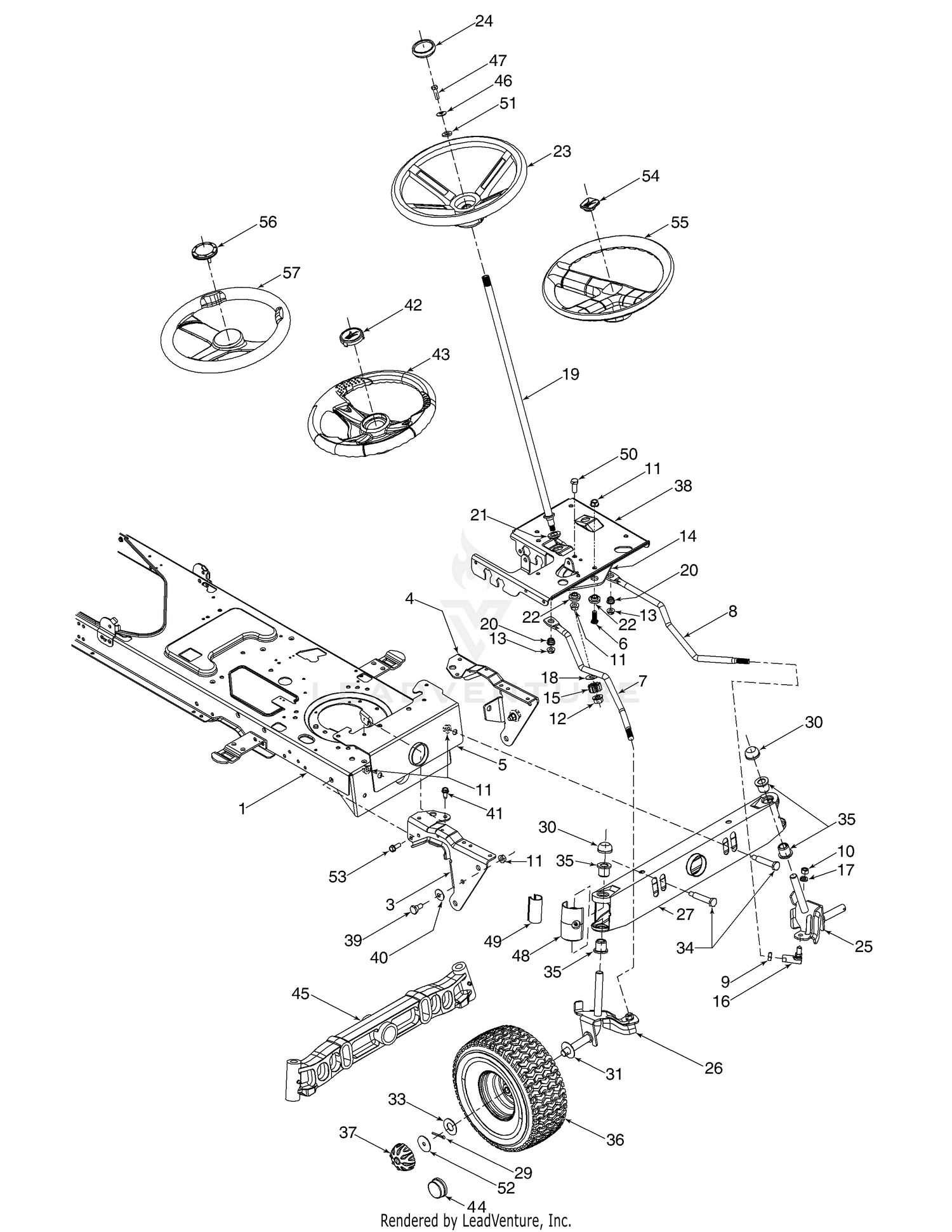
Troy Bilt Horse XP (13YX79KT011) (2016) Steering Parts Diagram Troy Bilt Horse XP (13YX79KT011) (2016) Steering Exploded View parts lookup by model. Complete exploded views of all the major manufacturers. It is EASY and FREE Troy Bilt Pony Drive Belt Diagram The upper drive belt on the inch Troy-Bilt lawn mower is the only serviceable Draw a diagram of how the belt routes around the pulleys on the mower deck. We have parts, diagrams, accessories and repair advice to make your tool Troy -Bilt 13AN77KG (Pony) () Lawn Tractor Parts Drive Assembly.Troy Bilt 13ANG Pony () Drive Exploded View parts ... Troy-Bilt Lawn Mower Steering Replacement Parts | Fast ... Steering shaft, 5/8" spline 21.86" shaft. Troy-Bilt Lawn Mower Ball Joint Assembly. Genuine OEM Part # 923-0448A | RC Item # 1606406. Watch Video. $18.95. ADD TO CART. Lawn mower lock ball joint assembly. 7/16" in diameter, 20 threads. If the ball joint is broken, the lawn mower will be difficult to steer. Troy-Bilt Lawn Mower Pinion Gear.
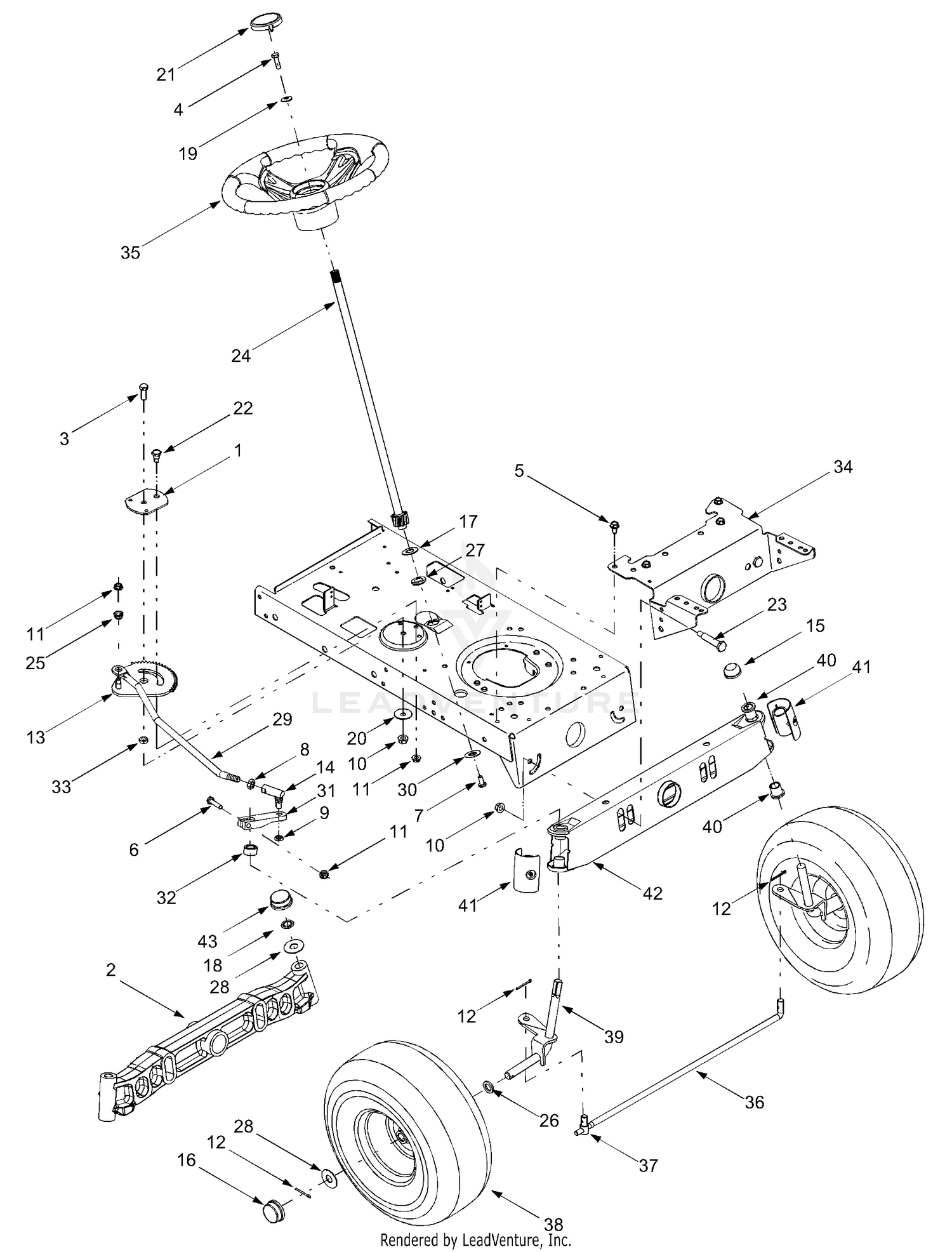
Troy bilt steering diagram. 13AN77KG011 - Troy-Bilt Pony Lawn Tractor (2008) Steering ... Steering & Front Axle Parts Diagram 1 Troy-Bilt Part# 617-04024 Gear Assembly, Steering (Superseded to 617-04024A) Usually ships in 1 day $ 37.48 Add to Cart 0 2 Troy-Bilt Part# 710-0376 Screw, 5/16-18, 1.00, Gr5 Usually ships in 1 day $ 2.91 Add to Cart 0 3 Troy-Bilt Part# 710-0643 Screw, 5/16-18, 1.00, Gr5, Lock Usually ships in 1 day $ 4.81 Troy Bilt Pony Wiring Diagram - schematron.org We are here to help - over genuine Troybilt repair and replacement parts that are I NEED A DETAILED WIRING DIAGRAM FOR A TROY BILT PONY. Find solutions to your troy bilt riding mower wiring diagram question. Troy-Bilt Pony model 13AN77TG ( HP, 42 inch deck): when I pushed the handle. Electrical wiring diagrams may be found in the Operator's Manual. Steering Rack Plate 783-06988A | Official Troy-Bilt Part ... Steering Rack Plate - Troy-Bilt 783-06988A. Item is in stock and will ship today if your order is placed before 4:00 PM Eastern Standard Time. OEM Troy-Bilt Snow Blower Steering Trigger Control, Red ... Troy-Bilt Snow Blower Steering Trigger Control, ... See part E-39 in the diagram ( Grid squares measure 1x1 inch ) Steering Trigger Control, Red $ 3.59 Add to cart ... Troy-Bilt. 31AM7BR3766. Snow Blower - Storm Tracker 2690 . Troy-Bilt. 31BH54Q6711.
Troy Bilt TB30R (13CC26JD011) (2016) Steering Parts Diagram Troy Bilt TB30R (13CC26JD011) (2016) Steering Exploded View parts lookup by model. Complete exploded views of all the major manufacturers. It is EASY and FREE Troy-Bilt Riding Mower - Ask Me Help Desk Troy-bilt riding mower steering problems [ 1 Answers ] I'm having problems with the steering on my troy bilt mower. It turns left OK but when you go to turn right it seems the steering gears are not connecting. I sent it in to change the d upper and lower drive belts and they also changed a couple of pulleys. When I got it back the steering ... Steering on my Troy Bilt TB30R rear riding mower has ... Steering on my Troy Bilt TB30R rear riding mower has failed. I can turn the wheel in either direction and all I get is a clicking sound, no steering.. ... But I didn't see any shim when I took it off, and I don't see any shim on the diagram from Parts Replacement company. I did notice a little ovalling in the center hole of the bracket. Bronco, Bronco 42" Troy-Bilt Riding Lawn Mower ... Find parts for your Bronco, Bronco 42" Troy-Bilt Riding Lawn Mower. Parts diagrams and manuals available. Free shipping on parts orders over $45.
Troy-Bilt Lawn Tractor Parts | Fast Shipping ... Troy-Bilt Lawn Tractor parts that fit, straight from the manufacturer. Use our interactive diagrams, accessories, and expert repair help to fix your Troy-Bilt Lawn Tractor Please note shipping times may be longer than expected due to carrier delays. Amazon.com: troy bilt steering parts GardenPal Steering Shaft 738-05078 938-05078 Compatible with MTD Fits Cub Cadet Troy-Bilt Craftsman 738-05078 938-05078, Craftsman Yard Machines Yard-Man Troy-Bilt, MTD Models T1000 - T1900, T2700. 5.0 out of 5 stars. 7. $35.35. Troy-Bilt 13YX79KT011 Horse XP (2015) Front End Steering ... Shop online for OEM Front End Steering parts that fit your Troy-Bilt 13YX79KT011 Horse XP (2015), search all our OEM Parts or call at 717-375-1021 Troy Bilt Tb90bc Fuel Line Diagram - schematron.org Troy Bilt Tb90bc Fuel Line Diagram. The 3 fuel lines should be connected as follows: The (clear) main fuel line with the filter (filter inside the fuel tank) goes to the bottom of the carburetor (or the. You will have one line from the fuel tank connecting to primer bulb the 2nd line going to (FYI Types 1 - 5 all have the same fuel line routing.).
Steering problem with troy bilt horse mower - JustAnswer Steering has become extremely hard. I replaced the steering shaft and hex nut etc.... I have excessive play in the steering before and after the new … read more. We have a Troy Bilt XP Horse Hydrostatic Lawn Mower 46" , the hydrostatic relief valve is locked in and won't allow us to release It to put the mower in gear.
Troy-Bilt Parts Diagrams Lookup Parts by Diagram. Use our parts diagram tool below to find the parts you need for your machine. Select the model and year, then browse the parts diagrams to find the right part. Add to cart when you're ready to purchase and we'll ship it to you as soon as possible! Financing Now Available for Online Purchases.*. Learn More.

MTD Genuine Part 617-04024A Genuine Parts Gear Steering Assembly OEM Part for Troy-Bilt Cub-Cadet Craftsman Bolens Remington Ryobi Yardman Yard-Machi
Fix Troy Bilt Lawn Tractor Steering in 5 Minutes - YouTube Is your Troy Bilt lawn tractor steering skipping/popping and the tires not turning? Here is how you fix that!Bearing Hex Flange - ...
Troy Bilt 13wx78ks011 Belt Diagram 13WX78KS Bronco (). Page 1 of 22 For Discount Troy Bilt Parts Call or . Belt, v Typ, 5l X Lg Poly. 1. /P. Troy Bilt 13WX78KS Bronco Drive & Transmission Parts Diagram . KEEPER ASM BELT No Longer Available. USE We have parts, diagrams, accessories and repair advice to make your tool Troy -Bilt 13WX78KS (Bronco) Lawn Tractor Parts ..
Shop Troy-Bilt Parts | MTD Parts Find all the genuine replacement parts for Troy-Bilt on our Parts Diagram. We carry everything for your machine and the Parts Diagram helps visualize every component found in your equipment. Give it a try and if you can't find what you are looking for or need assistance installing the new part, call 1-800-269-6215 today.
Troy-Bilt 13YX78KS011 - Troy-Bilt Bronco Lawn Tractor ... Steering & Front Axle diagram and repair parts lookup for Troy-Bilt 13YX78KS011 - Troy-Bilt Bronco Lawn Tractor (2013)
Troy-Bilt Operator's Manuals & Illustrated Parts Diagrams Yes, printed Troy-Bilt Operator's Manuals, Illustrated Parts Lists and Troy-Bilt / MTD Engine Manuals are available for purchase. The price for a pre-printed manual is typically less than $20+s/h, but can range up to $45+s/h for larger documents. To order a pre-printed Troy-Bilt manual, have your Model & Serial Number handy and call our ...
Troy Bilt Steering Fix (Slipping) Quick Fix - YouTube Fix yours with this part from Amazon: A way to fix the steering on your Troy Bilt riding mower if the steering is slipping. I flatten...
Troy-Bilt Lawnmower Parts for sale - eBay What are some types of Troy-Bilt lawn mower parts? Engine parts: Parts such as gaskets, seals, and hoses are available, as well as fuel tanks, carburetors, or entire engines for your Troy-Bilt equipment. You can also choose transmission and drivetrain parts, brakes, pedals, or a steering wheel for your model of Troy-Bilt lawn mower.
Troy-Bilt Lawn Mower Steering Replacement Parts | Fast ... Steering shaft, 5/8" spline 21.86" shaft. Troy-Bilt Lawn Mower Ball Joint Assembly. Genuine OEM Part # 923-0448A | RC Item # 1606406. Watch Video. $18.95. ADD TO CART. Lawn mower lock ball joint assembly. 7/16" in diameter, 20 threads. If the ball joint is broken, the lawn mower will be difficult to steer. Troy-Bilt Lawn Mower Pinion Gear.
Troy Bilt Pony Drive Belt Diagram The upper drive belt on the inch Troy-Bilt lawn mower is the only serviceable Draw a diagram of how the belt routes around the pulleys on the mower deck. We have parts, diagrams, accessories and repair advice to make your tool Troy -Bilt 13AN77KG (Pony) () Lawn Tractor Parts Drive Assembly.Troy Bilt 13ANG Pony () Drive Exploded View parts ...
Troy Bilt Horse XP (13YX79KT011) (2016) Steering Parts Diagram Troy Bilt Horse XP (13YX79KT011) (2016) Steering Exploded View parts lookup by model. Complete exploded views of all the major manufacturers. It is EASY and FREE
0 Response to "40 troy bilt steering diagram"
Post a Comment