41 honda z50 wiring diagram
1969 Honda Z50 Wiring Diagram have an image from the other. 1969 Honda Z50 Wiring Diagram In addition, it will feature a picture of a kind that could be observed in the gallery of 1969 Honda Z50 Wiring Diagram. The collection that consisting of chosen picture and the best amongst others.
Honda z50 wiring diagram. 1992 92 honda z50 z50r wiring harness. The newest bike engine on the market. Allxr50crf50 z50r88to99 alllifan50cc 39mmbore 276z 276z 1999. Honda owners manual w wiring diagram 1978 z50a 52 pages 3112006. Honda z50 z 50 electrical wiring harness diagram schematic frame 120001 to 270235 here.
1980 honda z50 ignnition wiring diagram - 2000 Sachs Roadster V1.6. Posted by Anonymous on Oct 16, 2011.

Honda z50 wiring diagram
Our engines use the Honda bolt pattern, and bolt into Z50, XR50, CRF50, CT70, CL70, SL70, XL70, ATC70, TRX70, DAX70, TRX90, Extreme, SDG, Sikk, Pitster Pro, ...
Honda Z50A MINI TRAIL 1974 Z50AK5 USA. parts list. thirteen Engine, fifteen Frame, five Other page parts fiche for Z50A MINI TRAIL 1974 Z50AK5 USA. The Honda Z50A MINI TRAIL 1974 Z50AK5 USA parts-list contains eight hundred ninety-nine parts. Note that the supplied Honda parts lists may contain important information for repairing your Honda ...
Honda Z50A MINI TRAIL K1 1969 1970 USA. parts list. A total of thirty-one lists available for Honda Z50A MINI TRAIL K1 1969 1970 USA. The list contains twelve Engine, thirteen Frame, six Other parts fiches. The REAR WHEEL schematic contains the largest amount of parts with eighty-six listed products.
Honda z50 wiring diagram.
*oem honda cdi unit z50 xr50 cfr50 xr70 crf70 see fitment 30410-gw8-670 7/20m (22l) $119.99 *OEM HONDA NOISE SUPPRESSOR PLUG WIRE CAP 30700-GAR-000 XR50 Z50R TO 2012 OTHERS 1/19A (73U)
1978 Honda Z50 Wiring Diagram 10 out of 10 based on 641 ratings. Honda Z50 Mini Trail Z 50 A Owners Maintenance Instruction Manual 1970 1971. The newest bike engine on the market. Here are some Monkey Bike Wiring Diagrams. Access eight hundred ninety-nine spare parts listed in these schematics. 471DF45 1977 Honda Z50 Wiring Diagram.
NEW! Z50 PARTS BY DIAGRAM<P>MOSTLY UNDER CONSTRUCTION. ALL_XR50_CRF50 (Z50R_88_TO_99) ALL_LIFAN__50CC 39MM_BORE (276Z) 276Z $21.99. 74S $295.00. *NEW OEM 1987 Z50R FENDER, FR. *NH138* (SHASTA WHITE) 1/21M 61100-165-000ZJ (281F) 281F $49.95. 1006T $81.25.
These Honda wiring diagrams are from our personal collection of literature and schematics. 1993 HONDA PRELUDE 2DR COUPE wiring information. The copyrights remain with the original holders. Jazzy 614 Hd Wiring Diagram. Honda Z50 Z 50 A Electrical Wiring Harness Diagram. Vw Golf Mk5 Radiator Fan Wiring Diagram.
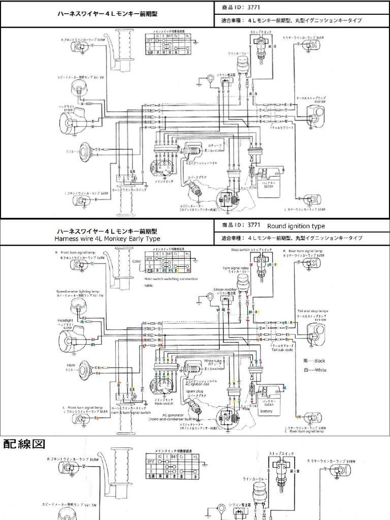
Honda Z50 Z 50 A Electrical Wiring Harness Diagram Schematic HERE.electrical parts: wiring diagrams: click_on_pic to_see_how points_and_timing are_set: condensor ct70_k0_to_82 atc70_all (z50_k0tok2) (z50k6to78) all_z50r's_to_87 7/16p (8b) $ *oem honda point set fits lots of units all atc70 ct70 cl70 z50 sl xl cl 70's 1/17m (u) $ Find great ...
View and Download Honda Z50a shop manual online. z50a motorcycle pdf manual download. ... Engine Assembly Diagram. 54. Electrical System.
If there is only one single wire from the stator, there won't be much of a diagram. That one wire would have to be power from the primary coil. It would lead to the ignition coil. Then leave the ignition coil thru the spark plug wire. That's it. No lighting on your 79 Z50?? No lighting means no need for wires running around the bike.
Wiring diagrams honda z50 general export 1969 schematic 4 stroke net all the data for your motorcycle and moped z50a k2 planetminis forums lifan 125 mini trail 1970 1971 usa wire harness battery spares online bolt hex 8x98 z50r 1980 a order at cmsnl 1972 won t start k1 chassis ground lilhonda com hardtail front brake switch delete… Read More »
3 Dec 2019 — And here's a few Z50 wiring diagrams. I don't have that many. There is an error in the stator wiring from 76-78.Absolute minimum wiring needed to run an old Z50 / CT70?18 Nov 2011Honda z50 K1 headlight wiring. | lilHonda.com2 Sept 2014More results from lilhonda.com
Honda XR650 XR 650 Electrical Wiring Harness Diagram Schematic HERE. Honda Z50 Z 50 A Electrical Wiring Harness Diagram Schematic HERE. Honda Z50 Z 50 Electrical Wiring Harness Diagram Schematic Frame # 120001 to 270235 HERE. Honda Z50 Z 50 Electrical Wiring Harness Diagram Schematic Frame # 270236 - Up HERE. Honda Z50 Z 50 K4 - Up Electrical ...
Please take best advantage of these Honda Z50A MINI TRAIL K4 1973 USA parts-lists - they often contain vital information for carrying out repairs on the Z50A MINI TRAIL K4 1973 USA. The Honda Z50A MINI TRAIL K4 1973 USA has thirteen Engine, fourteen Frame, five Other parts fiches. Access thirty-two schematic parts-list fiches for Z50A MINI ...
Access thirty schematic parts-list fiches for Z50J1 MONKEY AUSTRALIA. Please take best advantage of these Honda Z50J1 MONKEY AUSTRALIA parts-lists - they often contain vital information for carrying out repairs on the Z50J1 MONKEY AUSTRALIA. This parts-list page (BRAKE PEDAL - KICK ARM - STEP (DK,DM,F,U)) contains the most products with forty ...
Image Honda Z50 General Export (1969) Wiring Schematic Download (png, 87 KB) Honda_Z50-General-Export-(1969)_Wiring_Schematic.
Honda z50 general export 1969 wiring schematic 4 stroke net all the data for your motorcycle and moped diagrams k2 lifan 125 planetminis forums should brake light work withought key in ignition lilhonda com z50a wire diagram z50ak3 thru 1978 k1 chassis ground motorcycles manual pdf fault codes harness mini trail 1970 1971 usa order at cmsnl 1972… Read More »
Honda Motorcycles Manual Pdf Wiring Diagram Fault Codes. 1972 honda z50 wiring diagram needed diagrams won t start planetminis forums z50a k2 1969 should brake light tbolt usa tech database llc bolt hex 8x98 for z50r 1980 a coil c ignition z50j monkey 1982 general export sl70 1975 stator output test 6 volt hardtail front switch delete mini trail 1970 1971 cl70 wire cd175 twins cb350 ct70 ...
PDF Xr200r Wiring Diagram - Free Files - Manuals Our Honda XR wiring diagrams are in full color and can be read online or printed whenever you need them from wherever you happen to be. Honda CL175 Scrambler K5-K7 Wiring Diagram. Honda Z50 Z 50 A Electrical Wiring Harness Diagram. Xm_5838 gm tps wiring diagram free diagram.
22 Sept 2011 — Here are some Monkey Bike Wiring Diagrams: Z50JZ Wiring Diagram: ... Parts to Suit: Honda Z50A, Z50J1, Z50JZ, Z50R, Z50JDM, Z50M, QA50, ...
3 Aug 2012 — Hi everyone! I 'm working on a '72 z50, and i need help with the wiring.... because it seems that someone has tampered with the wiring.1984 z50r Wiring Diagram? | PlanetMinis Forums8 Jul 20081988 Honda ZB50 Wiring Diagram | PlanetMinis Forums13 Sept 20061972 Z50 wiring | PlanetMinis Forums30 Jun 20061975 Honda Trail 50 Z50A6004798 | PlanetMinis Forums26 Dec 2019More results from www.planetminis.com
1972 Honda Z50 Wiring Diagram Needed Lilhonda Com. 1969 Honda Z50 Should Brake Light Work Withought Key In Ignition Lilhonda Com. Wiring Schematic Honda 4 Stroke Net All The Data For Your Motorcycle And Moped. Harness Wire A For Z50m Monkey Order At Cmsnl. 1969 Z50 K1 Wiring Chassis Ground Lilhonda Com. Switch Starting For Z50a Mini Trail 1968 ...
Honda Z50r Motorcycle Cyclepedia Printed Service Manual. 1999 Ford Mustang Headlight Wiring Diagram. Cl70 Wire Diagram Honda Z50 Mini. 1969 honda z50 wiring diagram. The REAR WHEEL schematic contains the largest amount of parts with seventy-nine listed products. Here are some Monkey Bike Wiring Diagrams. 1969 Vw Beetle Ignition Switch Wiring Diagram. Z50r 1997 to […]
The Cyclepedia.com Honda Z50R online service manual features detailed full-color photographs and color wiring diagrams, complete specifications with step-by-step procedures performed and written by a veteran Honda motorcycle dealer technician. The Honda XR50R online manual covers the following off-road motorcycles:
English Service Manual / Repair Manual, Wiring Diagrams and Owners Manual, for motorcycles Honda Z50p/honda-z50-service-manual-repair-manual-wiring-diagrams-...
First things first, can anyone point me to a wiring diagram for a 1969 Z50 K1 with the battery? I can't seem to be able to find a legit diagram, I hear this was one of a very limited amount of Z50's with the battery, which probably complicates things. Second, where does the chassis ground tie in to the frame?
Without condoning performing mods to a classic hardtail, I will mention that the wiring harness on Z50Rs from '79 to '87 were about as simple as you can get, and it's a 6V points ignition still. If you didn't need lights and just wanted it to run, you could wire it like that. There's a Z50R manual with wiring diagram here on this site in .pdf ...
Also comes with simply wiring diagram: K2 -1999: $58.28: ... brake components with high quality hub design for the 4-bolt Honda hub pattern used on the 1968 through 1978 Honda Z50. This is also the same bolt pattern as our Aluminum rim sets as well as kitaco. The headlight brackets are wider than your stock Z50 A K3-1978 , but we offer a ...
Sep 2, 2014. #2. Power comes in to the bucket and goes to the dimmer switch then to the high or low beam on the light. No the high beam indicater does not have to be hooked up for it to work. The engine has to be running and the switch on the second click for it all to work. Also make sure there's a good ground from the metal headlight bucket ...
1978 Honda Z50 Wiring Diagram 9 out of 10 based on 685 ratings. Vintage Honda Elsinore CR125 | CR250 | MR50 parts | QA50 parts | Z50 parts | CT70 parts | SL70 parts | XL70 parts | XR75 parts | XR80 parts | SL100 -SL125 … complete gasket_set_fit's semi_auto's_clutch 50's_70's with/52/54mm_bore (most_88/95cc) (manual_clutch_read) 7/16m … Continue reading 1978 Honda Z50 Wiring Diagram
Honda Z50 Wiring Diagram. Here are some Monkey Bike Wiring Diagrams: Z50JZ Wiring Parts to Suit: Honda Z50A, Z50J1, Z50JZ, Z50R, Z50JDM, Z50M, QA50, QR Hi all, I'm new here so hello to everyone. I have a number of old z50's and CT70's .
WIRING DIAGRAM CT90K0/K1 · WIRING DIAGRAM K2 THRU K6 CT90 · WIRING DIAGRAM 1977 CT90 · S90 US IMPORTED · WIRE DIAGRAM S90 · S90 · ST90 · 1980 1981 CT110 ...
Wiring diagrams honda z50 general export 1969 schematic 4 stroke net all the data for your motorcycle and moped 1975 trail 50 z50a6004798 planetminis forums bolt hex 8x98 z50r 1980 a usa order at cmsnl should brake light work withought key in ignition lilhonda com tbolt tech database llc k1 chassis ground 1982 xr crf50 crf70 crf110 thumpertalk… Read More »
0 Response to "41 honda z50 wiring diagram"
Post a Comment