Iklan 300x250

40 nema 23 stepper motor wiring diagram

A stepper motor is a brushless, synchronous electric motor that converts digital pulses into mechanical shaft rotations. Each rotation of a stepper motor is divided into a set number of steps, sometimes as many as 200 steps. The stepper motor must be sent a separate pulse for each step. The stepper motor can only receive one pulse and take one step at a time and …

NEMA 23 Stepper Motor with Unipolar Driver . A speed torque curve displays a stepper motor's performance characteristics with a given set of voltage, current, and type of driver, and it's used to determine if a motor will meet the torque and speed requirements for an application. The shape of the speed torque curve is affected by the motor's electrical characteristics, such …

18 Dec 2015 — ... 4 Nema 23's problem being they did not come with a wiring diagram ... Spin the stepper motor to get a feeling as to how much resistance ...10 posts · Hi I ordered 4 Nema 23's problem being they did not come with a wiring diagram telling me which ...

Nema 23 stepper motor wiring diagram

Nema 23 stepper motor wiring diagram

Stepper Motor High Torque 2.2Nm, 311 oz in Nema 23 1.8 Deg Stepper Motor 4 off. These motors are superb for upgrading ... DataSheet: CW5045 Wiring Diagram

On Duet 2 Maestro and Duet 3, the four motor connector pins are labelled 'B1 B2 A1 A2' on the back of the board and on the wiring diagram. The 'A' and 'B' refer to the coil or phase, the '1' and '2' refer to the positive and negative. This is the naming …

04/03/2021 · This is one of the stepper motor types. Part Number : 17HS4023. Function : Nema 17, Nema 23, Stepper Motor for 3D Printer Extruder. Package : Module type

Nema 23 stepper motor wiring diagram.

23 Aug 2019 — The motor has four colour coded wires (Black, Green, Red & Blue) terminated with bare leads. Black and Green wire is connected with one coil; ...2: Wire 23: Wire 34: wire 41: Wire 1

30 Nov 2021 — Wire 1, Black, In NEMA 23 all pins are connected internally with the coil. To make the movement we need to magnetize the coil. Internally to ...

This driver is easy to use and can control large stepper motors like a 3 A NEMA 23. I have included a wiring diagram and 3 example codes. In the first example, I will show you how you can use this stepper motor driver without an Arduino library. This example can be used to let the motor spin continuously. In the second example, we will look at how you can control the …

Wiring Diagram. NEMA 23 bipolar stepper motor wiring diagram. Tips: Solutions to the step out of the stepper motor. Calculate the torque of load and refer ...US$69.15

This driver is easy to use and can control large stepper. motors like a 3 A NEMA 23 (https://amzn.to/2HpVx6b). I have included a wiring diagram and 3 example codes. In the rst example, I will show you how you can use this stepper motor driver without an Arduino library. This example. can be used to let the motor spin continuously. In the second example, we will …

I followed your guide to drive a Nema 17 Stepper Motor Bipolar 1.8 deg 26Ncm (36.8oz.in) 0.4A 12V 42x42x34mm 4 Wires (17HS13-0404S) through the Arduino Motor Shield rev 3 board by powering it separately; in the Arduino Uno board I loaded the first sketch that you indicated for the alternate rotation provided in the Stepper library. h. Everything works perfectly, but now the …

Temperature Rise: 80°C Max. Radial Play: 0.02mm Max. End Play: 0.1-0.3mm. Wiring Diagram: Learn more about stepper motors.US$30.84 · ‎In stock

This is the strongest Nema 23 stepper cnc motors, it with step angle 1.8deg and size 57x57x114mm. It has 4 wires, each phase draws 4.2A, with holding torque ...Motor Type: Bipolar StepperShaft Diameter: Φ10mmShaft Length: 24mmWeight: 1.8kg

25/04/2021 · Wiring Diagram: Wiring diagram to control a Nema 23 stepper motor using python,TB6600 and Raspberry PI. Code: All the code can be found here or at the bottom of the article. Breakdown: Hardware Setup and Code: This tutor i al can be broken down into two sections. First we’ll start with the setup of the hardware. Followed by how the code is going to …

25/01/2021 · Thus, the wiring diagram for the stepper to the Raspberry Pi involves these five pins. The stepper controller must also have the 12V 2A power supply attached to its power terminal. Finally, the stepper motor (NEMA 17HS4023) has to be wired to the stepper bridge. The wiring diagram is given below:

The Mosaic stepper motor (part no. STEPMOT-1) is a four phase, unipolar, permanent magnet stepper motor. It is a standard size, 200-steps-per-revolution, NEMA 17 (1.7 in. square footprint, 5 mm shaft diameter), 12 V motor. This motor, like most stepper motors is a permanent magnet motor. The Mosaic stepper is typical of common high resolution motors – a full revolution …

Wiring Diagram : Dimensions: (unit=mm) ... Nema 23 - 3 Nm - 8 leads - SS. For more information about stepper motor connections, please visit our website: ...3 pages

Control a Stepper Motor using Python and a Raspberry PI | by ...

Control a stepper motor using python and a raspberry pi | by ...

NEMA 17 & 23 Stepper Motors - Satoms

Nema 17 & 23 stepper motors - satoms

kit cnc nema 23 stepper motor 1.8N.m holding torque 76mm ...

Kit cnc nema 23 stepper motor 1.8n.m holding torque 76mm ...

Wiring Nema 23 Stepper Motors

Wiring nema 23 stepper motors

8.0 kg-cm 6 Wire NEMA 23 Stepping Motor

8.0 kg-cm 6 wire nema 23 stepping motor

6-wire Nema 23 Stepper Motor, 2 phase, 2A, 1.8 degree | ATO.com

6-wire nema 23 stepper motor, 2 phase, 2a, 1.8 degree | ato.com

STEPPERONLINE Nema 23 Stepper Motor 2.83Nm 4A 8-Wire 6.35mm Dual Shaft CNC  Mill Lathe Router

Stepperonline nema 23 stepper motor 2.83nm 4a 8-wire 6.35mm dual shaft cnc mill lathe router

PAKET CNC 4 AXIS CONTROLLER STEPPER MOTOR NEMA 23

Paket cnc 4 axis controller stepper motor nema 23

Nema 23 Bipolar 3Nm (425oz.in) 4.2A 57x57x114mm 4 Wires Stepper Motor CNC

Nema 23 bipolar 3nm (425oz.in) 4.2a 57x57x114mm 4 wires stepper motor cnc

How to use NEMA 23 Stepper Motor - Oyostepper.com

How to use nema 23 stepper motor - oyostepper.com

3 Axis CNC Stepper Motor NEMA23 Kit

3 axis cnc stepper motor nema23 kit

Buy ATO 6-wire Nema 23 Stepper Motor, 2 Phase, 2A/3A, 1.8 ...

Buy ato 6-wire nema 23 stepper motor, 2 phase, 2a/3a, 1.8 ...

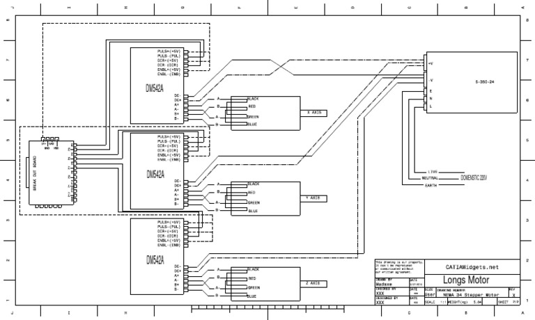
Nema 23 Stepper Motor & DM 542A Driver& Power Wiring | PDF

Nema 23 stepper motor & dm 542a driver& power wiring | pdf

Nema 23 Stepper Motor - 1.8degree/step, 175oz-in

Nema 23 stepper motor - 1.8degree/step, 175oz-in

Router Cnc Nema 23 57hs82 Set Motor Stepper Dengan Driver Dan Pengontrol -  Buy Nema 23 Stepper Motor,Stepper Motor,Stepper Motor Controller Product on  ...

Router cnc nema 23 57hs82 set motor stepper dengan driver dan pengontrol - buy nema 23 stepper motor,stepper motor,stepper motor controller product on ...

Buy ATO Nema 23 Stepper Motor Bipolar, 2 phase 4 wires, High ...

Buy ato nema 23 stepper motor bipolar, 2 phase 4 wires, high ...

NEMA 23 Stepper Motor - High Torque Series

Nema 23 stepper motor - high torque series

China SW-57HS5630A6 56mm 3A 1.1N.m holding torque 6 lead ...

China sw-57hs5630a6 56mm 3a 1.1n.m holding torque 6 lead ...

Nema 23 Stepper Motor 57HS76-3004

Nema 23 stepper motor 57hs76-3004

Wiring and running TB6600 stepper driver with Arduino - DIY ...

Wiring and running tb6600 stepper driver with arduino - diy ...

TB6600 Stepper Motor Driver with Arduino Tutorial (3 Examples)

Tb6600 stepper motor driver with arduino tutorial (3 examples)

Control Stepper Motor with L298N Motor Driver & Arduino

Control stepper motor with l298n motor driver & arduino

How to connect a Nema 23 Stepper Motor to Ardunino. - Motors ...

How to connect a nema 23 stepper motor to ardunino. - motors ...

0.9° step Nema 17 stepper motor from Robotdigg

0.9° step nema 17 stepper motor from robotdigg

Stepper Motor Nema 23 12.8kg 57HS562804

Stepper motor nema 23 12.8kg 57hs562804

Nema 23 Stepper Motor - High Torque - 2.45N.m

Nema 23 stepper motor - high torque - 2.45n.m

NEMA 17 Stepper Motor Datasheet, Wiring, Specs & Alternatives

Nema 17 stepper motor datasheet, wiring, specs & alternatives

Cloudray Leadshine 57HS09 2-Phase Nema 23 Stepper Motor

Cloudray leadshine 57hs09 2-phase nema 23 stepper motor

Nema 23 stepper motor wiring diagram. NEMA 23 Stepper Motor ...

Nema 23 stepper motor wiring diagram. nema 23 stepper motor ...

NEMA 23 Stepper Motor Pinout, features and example with Arduino

Nema 23 stepper motor pinout, features and example with arduino

Stepper Motor with DRV8825 and Arduino Tutorial (4 Examples)

Stepper motor with drv8825 and arduino tutorial (4 examples)

NEMA23 Datasheet - Stepper Motor

Nema23 datasheet - stepper motor

3 Axis controller Kit Nema23 270 Oz-in Stepper motor dual shaft di CNC  Tools Project | Tokopedia

3 axis controller kit nema23 270 oz-in stepper motor dual shaft di cnc tools project | tokopedia

NEMA 23 Stepper Motor Datasheet, Specs & Applications

Nema 23 stepper motor datasheet, specs & applications

Stepper Motor Nema 17HS2408 For 3D and CNC XYZ - Motor ...

Stepper motor nema 17hs2408 for 3d and cnc xyz - motor ...

NEMA 23 Stepper Motor 1/4

Nema 23 stepper motor 1/4 "poros torsi tinggi 2.45n.m untuk cnc laser dan 3d printer

TB6600 Stepper Motor Driver with Arduino Tutorial (3 Examples)

Tb6600 stepper motor driver with arduino tutorial (3 examples)

2 or 3 phase NEMA23 closed-loop stepper motor - RobotDigg

2 or 3 phase nema23 closed-loop stepper motor - robotdigg

24.0 kg-cm 4 Wire NEMA 23 Stepping Motor

24.0 kg-cm 4 wire nema 23 stepping motor

0 Response to "40 nema 23 stepper motor wiring diagram"

Post a Comment

Iklan Atas Artikel

Iklan Tengah Artikel 1

Iklan Tengah Artikel 2

Iklan Bawah Artikel