37 suzuki samurai carburetor diagram
SOURCE: I have a suzuki samurai First ck for a vacuum leak listen for a small slight hisssing noise. and ck pcv hose and valve. the normal rpm is 750 to 850 from the front of the vehicle look on the right side of the carburator youll see a screw at the base of carburator turn it in and you lean the vehicle out which you dont want. turn it 1/4 out and see if it idles smooth, if neither reacts ...
Carburetor (CARBURETOR) Diagram Suzuki SAMURAI 3815916-328279. After adjustment, remove the carburetor from the engine and press-fit the idle mixture adjusting.THIS IS A NEW SUZUKI SAMURAI. Only fit's Suzuki Samurai's with a L Engine. unit for the Samurai. We are the Largest Carburetor Distributor in the Nation! There are a lot of Suzuki Samurai.
Chassis Wiring Samurai Models. Chassis Wiring Sidekick & Tracker. Samurai Complete Wiring Diagram (carbureted model) 1986-1988 Suzuki Samurai Air Conditioning Electrical Diagram : Engine Electrical – 1986-1989 1.3L Engines. Engine Electrical – 1990-1995 1.3L Engines. Engine Electrical – 1989-1990 1.6L TFI Engines

Suzuki samurai carburetor diagram
Access our free Carburetor Repair Guide for Suzuki Samurai, Sidekick, Tracker 1986-1998 through AutoZone Rewards. These diagrams include: Fig. View of 2.8L & 3.6L Camshaft Position (CMP) Sensors-Actuators. Fig. View of 4.6L Camshaft Position (CMP) Sensor. Fig. View of 5.7L Camshaft Position (CMP) Sensor. Access our Suzuki Samurai, Sidekick ...
In this video, I remove all the vacuum lines on a Suzuki Samurai 1.3L engine. I talk about the locations of each vacuum line and other misc informationlink t...
IMPORT TBI COMPONENT. KT-5267A. $ 35.95. CARB KIT Hitachi 2. Nissan 70-81 - Mazda 76-79 - Honda 73-76 Kit includes Ethanol resistant carburetor components - accelerator pump needle and seat bowl gasket base gasket misc gaskets and washers with instructions. KT-5321D. $ 29.85. CARB KIT Hitachi 2. HI-2 Nissan 68-80 Kit includes Ethanol resistant ...
Suzuki samurai carburetor diagram.
Our 1.3 Samurai carburetor rebuild kit is meant for the Hitachi (not AISIN) OEM carb and replaces all of the wear items that cause your carburetor to behave poorly. Hesitations, flat spots in acceleration, and cutting out are a thing of the past with a rebuilt carb. US model Samurais typically have the Hitachi carburetor, while Canadian models ...
13507-32C01. 18-8847. 13507-17C00 top diaphragm rubber only, no slide body. 007-776. GSF250 Bandit. 90-94. 18-8846.
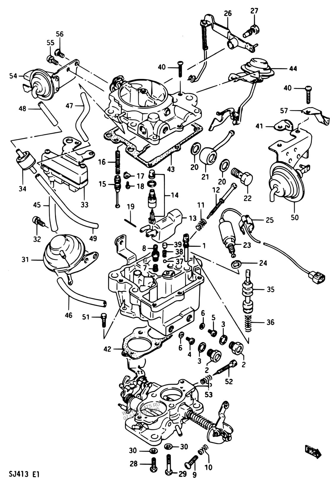
Looking for genuine OEM Carburetor for - Suzuki SAMURAI SJ413 (U.S.A. sales region, , 3819745-328897)? Check on MegaZip at discounted price from manufacturers' warehouses in Japan, USA, UAE. Detailed diagrams & catalogues. Worldwide shipping. Easy to find parts & order online. Buy now!
Mar 17, 2017 · Suzuki samurai carburetor diagram. Aug 01, 2020 · Turn the fast idle cam counterclockwise and insert a metal pin into the cam and bracket holes to secure it in place. it: Suzuki Actuator Idle Samurai Up . Year Make Model Part Part Option. Product Description SUZUKI SAMURAI 4X4 time to make space in the garage.
Suzuki Samurai, Fast Way to Clean CarbSYYENERGY7, SYYENERGY7 Channel, SYYENERGY7 Youtube Bitchute
0 Response to "37 suzuki samurai carburetor diagram"
Post a Comment