42 lawn chief riding mower belt diagram
11 Jul 2009 — I just need to see a routing diagram on how the drive belts go on a MTD riding lawn mower with hydrostatic drive. Lawn Chief Riding Mowers parts with OEM Lawn Chief parts diagrams to find Lawn Chief Riding Mowers repair parts quickly and easily Order Status Customer Support 512-288-4355 My Account Login to your PartsTree.com to view your saved list of equipment.
LAWN CHIEF Exploded View parts lookup by model. Complete exploded views of all the major manufacturers. It is EASY and FREE.

Lawn chief riding mower belt diagram
Need help finding your model number? 0. · Parts Home > Lawn Chief > Riding Mowers > 13BG698H022 - Lawn Chief Lawn Tractor ( ... My question concerns a Huskee riding lawnmower built by MTD.. i have a small lawn chief tiller looks like a mantius but it is a lawn chief what i need is a . Related Manuals for True Value Lawn Chief 13AE450F022. Lawn Mower True Value Lawn Chief 13AG678G022 Owner's Manual. 42" lawn tractors (24 pages). LAWN CHIEF Parts Catalog. 5:11This is the second lawn mower I have picked up at my local junk yard. I swapped the carb on it for a new one ...26 Jun 2019 · Uploaded by Derek's Workshop and Projects
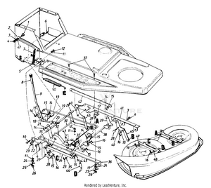
Lawn chief riding mower belt diagram. Transmission belt routing chart. Note that idler pulley # 21 is a "Flat Idler" and # 22 is a "Grooved Idler". When. pulley. Also note that the belt should NEVER be so long that it touches itself like it seems to be doing around idler #. 21 in the picture. Also be careful to route your belt INSIDE the metal guides (# 13 & # 17) when installing ... Mtd Riding Mower Drive Belt Diagram. route a riding mower deck belt diagram & repair tips learn how to route a mower deck belt with this simple guide from mtd parts find an easy to follow belt diagram for an mtd riding mower in your operator mtd riding mower reviews what to know original review july 27 2018 mtd is a good mower for it s age of 26 years i can still parts at local shops and ... Manufacturer List >>> Lawn Chief Belt Sizes. Enter your OEM Belt Part Number for replacement pricing and availablitiy. Click to Search VBeltSupply.com for Replacement Belt. Lawn Chief Edger Belts ... Blade Hi wheel mower(5/8"x40") Lawn Chief Tiller Belts Model: OEM Part: Application - Dimensions: 5-66 107-37 Forward and reverse(1/2"x31") H45/4 1128 21 May 2013 — LAWN CHIEF 440L DRIVE BELT DIAGRAM AN LENGTH - Answered by a ... belt needs replaced is after riding for a few minutes the mower just stops ...1 answer · Top answer: See the answer on the image
Unsolved problems for lawn chief belt diagrams question. Get free help, tips & support from top experts on lawn chief belt diagrams related issues. Search Fixya ... Riding lawn mower lawn chief 12/39 mower cable. Read full answer. Be the first to answer Aug 05, 2013 • Garden. The best way to buy repair parts for your Lawn Chief is to begin by searching for your Lawn Chief model number on PartsTree and use the OEM Lawn Chief parts diagrams to find the parts that fit exactly like the originals from the Lawn Chief factory. When you locate your Lawn Chief model tag, take a picture for future repair parts needs. PTO With Dual-Drive Belt Design diagram and repair parts lookup for Lawn Chief 13BR609G022 - Lawn Chief Lawn Tractor (2000) (Cotter & Company) Order Status Customer Support 512-288-4355 My Account Login to your PartsTree.com to view your saved list of equipment. Video of how to remove the mover deck from a 2001 Lawn Chief tractor. Part 1 of snowblower install video
When the deck belt shredded on a 1998 MTD 38" riding mower, It would be two hours before mowing resumed. This is a surprisingly difficult replacement, so we ... 5:11This is the second lawn mower I have picked up at my local junk yard. I swapped the carb on it for a new one ...26 Jun 2019 · Uploaded by Derek's Workshop and Projects My question concerns a Huskee riding lawnmower built by MTD.. i have a small lawn chief tiller looks like a mantius but it is a lawn chief what i need is a . Related Manuals for True Value Lawn Chief 13AE450F022. Lawn Mower True Value Lawn Chief 13AG678G022 Owner's Manual. 42" lawn tractors (24 pages). LAWN CHIEF Parts Catalog. Need help finding your model number? 0. · Parts Home > Lawn Chief > Riding Mowers > 13BG698H022 - Lawn Chief Lawn Tractor ( ...

Lawn Chief 13ah660f022 Lawn Chief Lawn Tractor 2000 Cotter Company Drive Rear Wheels Frame Parts Lookup With Diagrams Partstree

I Have A Small Lawn Chief Tiller Looks Like A Mantius But It Is A Lawn Chief What I Need Is A Throttle Cable For It It Is

Lawn Chief 13ab560b022 Lawn Chief Lawn Tractor 1997 Cotter Company Parts Lookup With Diagrams Partstree
0 Response to "42 lawn chief riding mower belt diagram"
Post a Comment