Iklan 300x250

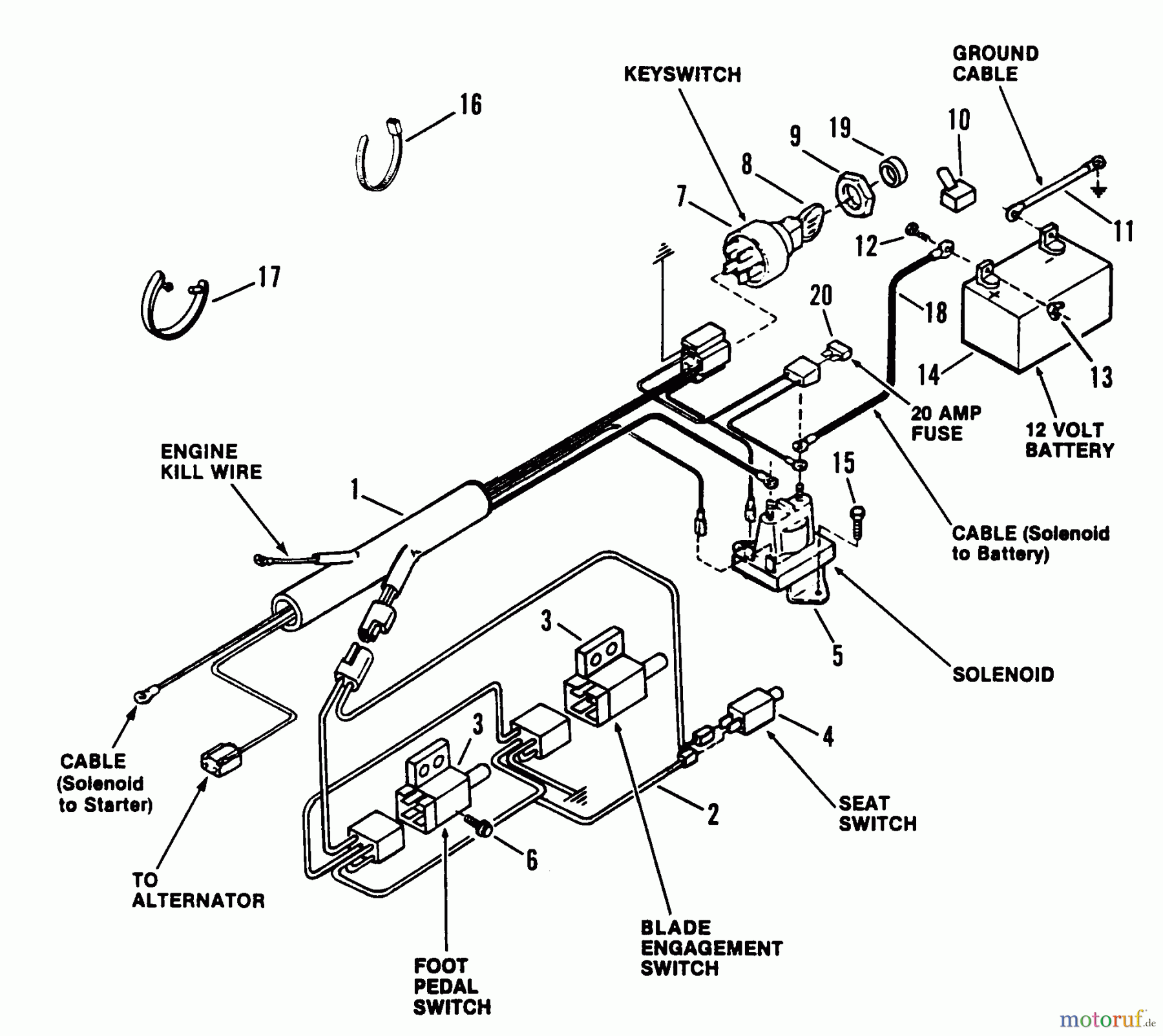
40 snapper drive disc diagram

Disc with liner replaces Snapper 53103. Contains Rotary 300 Disc and 345 Liner. Related Products. Drive disc for snapper. They installed a new drive disc. It lasted less than 20 minutes, then broke off with a bang. They replaced that one, then the replacement broke I think Ive put about 3 discs on it in 15 years, one was Stens, one Snapper, and the latest Briggs. Its very likely that they have failed to put the "spacer" on...

Download files and build them with your 3D printer, laser cutter, or CNC. Thingiverse is a universe of things.

Snapper drive disc diagram

Snapper drive disc diagram

KIT, Driven Disc Hub (assembly) : Was 57338. 2 7600135 ! KIT, Driven Disc (rubber tire bonded to rim). According to the parts schematic, I have all the While Driven Discs from Snapper Dealers may no longer be available without the liner, they are available aftermarket. I do not remember if I have... In computing, an optical disc drive (ODD) is a disc drive that uses laser light or electromagnetic waves within or near the visible light spectrum as part of the process of reading or writing data to or from... SNAPPER SERIE 5 SERVICE MANUAL Pdf Download | ManualsLib Snapper 2652, 2652S, 2681, 2681S, 3081, 3081S Series Riding Mower Complete Workshop Service Repair Manual Snapper LT11 LT12 LT12.5 LT16 Series 0 1 2 Disc Drive Tractor Workshop Service & Repair Manual.

Snapper drive disc diagram. DRIVE DISC GASKET Replaces SNAPPER 1-4523 - 2 13/16" ID x 5" OD Use for smooth clutch assembly on series 6 and higher. Snapper Rear End Grease Plug Replaces 11024 / 1-1024. Snapper clutch assembly diagram. Our tractors riding mowers and push lawn mowers. Repair parts home lawn equipment parts snapper parts snapper lawn tractor We are an authorized snapper dealer with many snapper parts lookup diagrams. Friction drive disc. Fast same day shipping. HowTo Replace Your Disc Drive Friction Disc Wheel Riding Lawnmower doesn go foward Drive Disc Replacement snapper clutch repair for beginers friction If its like my ol snapper it has a disc drive. The drive disc sets vertical to the horizoltal axel disc or at a right angle. First gear starts out near the... Need to fix your LT11000 11 Hp Disc Drive Tractor Series 0? Use our part lists, interactive diagrams, accessories and expert repair advice to make your repairs easy.

See Also: Snapper deck belt diagram Show details. Snapper 50" 22 Hp Hydro Drive Tractor Rmo Lt200 Series. 4 hours ago Snapper Drive Belt Diagram Best Wiring Library Easy ordering fast shipping and great service. Please check that your postcode is in the overnight regions before placing any orders. Please also be aware as some products are usually too large or heavy for overnight shipping and will be dispatched via Couriers Please or Australia Post. These items are usually Axles and Hydro's, Deck Housings, Drive... Warning: The quality of optical drives and the discs themselves varies greatly. Generally, using a slow burn speed is recommended for reliable burns. If you are experiencing unexpected behaviour from the disc, try burning at the lowest speed supported by your burner. I was having issues with my Snapper Rear Engine Rider pulling slowly and not pulling at all in certain gears. In some instances, It would not mount the smallest hill and required a "jerk" to It's my thinking also that the drive disc may not have been adjusted correctly when the new engine was installed.

Snapper Parts Diagrams. If the driven disc is not 1/8 inch from the outside edge of the drive disc, remove the spring. Drive disc liner use with our S240394 drive disc to make snapper 5-3103/5-7423*pre-formed for easy installation*lining by itself not available from snapper*presses into back of disc drive*will perform equally well with... The drive disc for the self propelled (Snapper P/N 7061275) is making a ton of noise and needs to be replaced. It looks like both Snapper and Stens make replacements. The Stens part is slightly more expensive. 3 Comments. on Snapper Rear Engine Rider Wiring Diagram. We are an Authorized Snapper Dealer carrying a large selection of Snapper Rear Engine Drive Parts. If you do not see the Snapper Part you need, please complete the Lawn Mower Parts Request Form and we will be happy to assist...

I'm trying to locate a drive disc puller,snapper part #6-0747.If you have one you'd consider selling,shoot me a PM.thax. Not sure what that tool is by the number but IF it is what I think it is, you can make your own using an old Snapper drive disc hub and welding a nut for a 1/2" bolt over the...

This drive disc is for Snapper rear engine riders, large frame snow throwers, tractor with standard drive and rear tine tillers. Replaces Ariens, Bolens, Case, Gilson, Jacobsen, John Deere, Lawn Boy, Snapper, Troy Bilt.

first off some snapper drive disc use the friction liner and some don't. If your uses the liner it should fit inside the drive disc snuggly without cutting to size, be careful when installing because it will break. unless the engine drive plate has been moved you not have to adjust it...

Snapper Disc Drive Exploded View parts lookup by model. Complete exploded views of all the major manufacturers. It is EASY and FREE. See: Briggs & Stratton exploded parts diagrams. We sell parts & accessories for your Generac equipment.

Have a question or want to learn more about your Snapper product? Find your manual and parts lists here.

The mower drive belt is designed to last for several mowing seasons under normal conditions. If you need additional help please.

Snapper Driven Disk 7018782SM. Replaces: Snapper 10765 and Ariens Disc 3003. Select Category Snapper (1) Snapper Parts (79) Snapper Bearings (7) Snapper Belts (6) Snapper Blades (6) Snapper Bushing (2) Snapper Cables (4) Snapper Gas Caps (1) Snapper Gasket (1) Snapper...

Snapper 281023BVE (84871) Manual Online: Engine, Muffler, Drive Disc. Primary Chain Case & Smooth Clutch. Engine, Muffler, Drive Disc. Belts, Brakes, Interlock. Electrical Systems (for 10, 11, 12

The LT has a driver disc that isn't driven directly by the front mounted motor, it resides in the back, over the rear axle, driven by a belt. I needed to replace the Driver Disc on my old Snapper riding mower and was timid about ordering this part. I was shipped a Briggs & Stratton 7600135YP part that...

Genuine Snapper Part 7072658YP DRIVE DISC STEEL - Shop Secure & Save! This is a Genuine Snapper Part - DRIVE DISC STEEL 7072658YP Please verify the original Snapper part number in your owner's manual or on the appropriate parts diagram of your model for correct location and fitment of...

I was having issues with my Snapper Rear Engine Rider pulling slowly and not pulling at all in certain gears. In some instances, It would not mount the...

Part #76-067- For rear engine riders, large frame snow throwers, tractor with standard drive and rear tine tillers (RTS, RTB) Outer-diameter: 6", inner-dia. Replaces Ariens, Bolens, Case, Gilson, Jacobsen, John Deere, Lawn Boy, Snapper, Troy Bilt.

SNAPPER SERIE 5 SERVICE MANUAL Pdf Download | ManualsLib Snapper 2652, 2652S, 2681, 2681S, 3081, 3081S Series Riding Mower Complete Workshop Service Repair Manual Snapper LT11 LT12 LT12.5 LT16 Series 0 1 2 Disc Drive Tractor Workshop Service & Repair Manual.

In computing, an optical disc drive (ODD) is a disc drive that uses laser light or electromagnetic waves within or near the visible light spectrum as part of the process of reading or writing data to or from...

KIT, Driven Disc Hub (assembly) : Was 57338. 2 7600135 ! KIT, Driven Disc (rubber tire bonded to rim). According to the parts schematic, I have all the While Driven Discs from Snapper Dealers may no longer be available without the liner, they are available aftermarket. I do not remember if I have...

0 Response to "40 snapper drive disc diagram"

Post a Comment

Iklan Atas Artikel

Iklan Tengah Artikel 1

Iklan Tengah Artikel 2

Iklan Bawah Artikel