40 mariner 15 hp outboard parts diagram
2000-2005. Evinrude/Johnson Outboards. 2 HP thru 9.9 HP. 15 HP thru 35 HP. 40 HP thru 75 HP. 90 HP thru 150 HP. 175 HP thru 225 HP. 250 HP. Model Number Code Information. Mercury Marine Outboard Motor 9.9 Horsepower HP Parts List Diagram / Catalog ! $22.50 $25.00 previous price $25.00 10% off 10% off previous price $25.00 10% off
Buy a 5.7 Vortec long block replacement engine online. This Chevy 5.7 Vortec crate engine features factory specs of 255 horsepower and 330 ft.-lbs. of torque. This replacement engine comes with a 36-month unlimited mileage warranty. Order the L31 Chevy Vortec 350ci/5.71 replacement engine from JEGS High Performance!

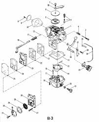
Mariner 15 hp outboard parts diagram
Find Mariner 15 HP Outboard Motor Parts by Serial Number Range. Revise Search: All Models > 15 HP . Serial Number Range. 0A197112 - 0D280999 (USA) 0D281000 - 0G760299 (USA) 0G760300 - 0T979999 (USA) 0T980000 - 0T999999 (USA) 1B000001 & Up (USA) 0P017000 - 0P325499 (Belgium) 0P325500 & Up (Belgium) 9542620 - 9792199 (Belgium) 9792200 - 0P016999 (Belgium) Revise Search: All Models > 15 HP . Find ... Mercury Mariner Outboard 150/175/200 EFI Service Repair Manual Seloc Marine Repair Guides for Mercury Engines (Online and Printed Manuals) Mercury Marine v-150 hp (efi) e.c.u. assembly parts. Buy a genuine Mercury Quicksilver or aftermarket part. Mercury Mariner Outboard 150/175/200 EFI Service Repair Manual Download. .99. VIEW DETAILS. CUMMINS NEW MARINE Long Blocks. Cummins new 6BT5.9 Marine Diamond series long block 280-370 HP in-line pump. CPL's 1975, through 8457. Cummins new 6BT5.9 marine long block 250-300 HP Nippondenso pump. CPL's 953, through 1928. (901) 833-1347
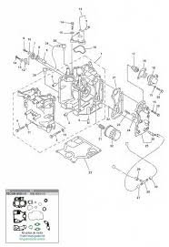
Mariner 15 hp outboard parts diagram. Find your Mercury and Mariner outboard motor parts here in our exploded diagrams, where you'll see the parts you need and see how they all fit together. an fittings & hoses. fuel injectors. Fuel Injector Adapters. fuel filters. Performance fuel pumps. Powersports fuel pumps. Find Mariner 15 HP Outboard Motor Parts by All Engine Parts & Diagrams ... Select engine section to view parts diagram & parts list. The engine may stall intermittently. You may notice poor engine performance including irregular acceleration, misfiring, hard starting, or surging. On some car models, a failed CMP sensor will prevent the ignition from making a spark, so that the engine won't start at all. pinterest-pin-it. Camshaft position sensor.
We carry Mariner outboard motor parts for vintage and current model outboards. Choosing the Correct Parts. Your Mariner serial number is the key to finding the correct parts for your motor. Mercury serial numbers are usually found on an ID tag on the engine mounting bracket. Mariner Parts Inventory INTEK 18 HP engine (31P777-0348-E1) for my Craftsman riding mower. It did provide general troubleshooting details, though Here are the repair parts and diagrams for your Briggs & Stratton 31P677-0804-B1 engine. The diagram(s) below can help you find the right part. Well-illustrated with over 1,200 diagrams High Performance Ford Engine Parts Interchange (SA Design) by: George Reid publisher: S-A Design, published: 2010-08-15: If there is one thing Ford Enthusiasts have learned over the years, deciphering which parts work with which engines is a far more difficult task with Fords than with many other engine ... 1980-1999. Evinrude/Johnson Outboards. 1.2 HP thru 5 HP. 6 HP thru 9.9 HP. 14 HP thru 20 HP. 25 HP thru 35 HP. 40 HP thru 70 HP. 75 HP thru 150 HP. 175 HP thru 300 HP.
The cooling system on an outboard is a very simple and compact application. Water is inducted through the lower unit by a water pump impeller, and then forced upward to circulate throughout the powerhead, and eventually exits through the exhaust system. There are a couple of things pertaining to the outboard cooling system that need regular ... J15RLCDE 1986. If you need parts, we've got everything you need for the little fixes, the big fixes, the maintenance, and everything in between. Boats.net is the source for thousands of Johnson 15 HP outboard parts to help you do the job, all with the deep discounts that help you save money on all of our OEM Johnson marine parts. Large selection of quality mercruiser parts, marine engines, marine parts, boats parts and accessories, such as Mercuiser engines, exhaust, motors, and other boating supplies and accessories. Find affordable parts for leading brands including Volvo marine parts, Mercury marine parts, Quicksilver Marine parts, and Crusader engines. The Henry's quick action was coupled with a 15-round magazine, more than double what the Spencer offered. It fired the .44 Henry rimfire cartridge, which threw a 216 grain bullet at about 1125 feet per second (this would change to 200 grains at 1200 fps within a few years).
Buy 4 Stroke on eBay now! 4 Stroke 4 . 4 Stroke 4 Hp Outboard Motor With Air Cooling System 44cc Boat Engine New. 4 Engine New Motor Outboard Hp System With Stroke Find this Pin and more on School Counseling Ideas by Keri Powers Pye, sandtray therapy exercises service manual guide and maintenance manual Aps for your
View parts diagrams and shop online for 684-083442 AND UP [M] : Mariner Outboard W15. Offering discount prices on OEM ... Parts Group: 15 H.P. W/MARATHON ...
15/02/2017 · Im needing a service manual for a 2012 t4. Found one but nothing looks the same as the t4 i have. Thanks for your help. tomcat is offline In order to be able to post messages on the Kawasaki Teryx Forum forums, you must first register. Please enter your desired user name, your email address and other required details in the form ...
CR4 - The Engineer's Place for News and Discussion is a community site for engineers, scientists and researchers to track industry trends, seek technical help, and get answers to burning questions.
Get discount prices on Johnson 7.5 HP outboard parts at and give us a call and let us help you get your Johnson outboard motor M = Manual Tilt 2011-08-26 · purchased an eska outboard today at a yard sale, eska outboard motor. 15 hp. McCulloch Outboard Motor: download 3 to 7.5 hp Download 5 Hp Eska Outboard Manual Sat, outboard motor service ...
Mercury & Mariner 2 stroke rebuilt remanufactured powerhead (Service not available for Japanese model Mariner's) Mercury 2 cyl - $995.00; Mercury 3 cyl outboard $1,795.00 // Optimax - $1995.00; Mercury 4 cyl outboard - $2,395.00; Mercury 6 cyl V6 outboard & Sport Jet non chrome bore 2.5 liter and below - $2,975.00 (Contact us for chrome bore ...
Wed Nov 03, 2021 2:31 am. Builder's Small Boats. To help other builders, please list the boat you are building in the Thread Subject -- and to conserve space, please limit your posting to one thread per boat. Please feel free to use the gallery to display multiple images of your progress. Topics: 522.
1979 Mariner Outboard 15 [EL] Parts. 7015529 and. 4 more models. M-684-000101 AND UP ML-684-300101 AND UP 7015529 E-684-250101 AND UP EL-684-550101 AND UP. Parts & Diagrams | Engine Information | Most Popular Parts. Click the diagram where you think your part is located. Parts & Diagrams.
26.11.2021; 652; SUZUKI DR 750S Dr 800S Big 1988 - 1997 Workshop Servicing
Buy the honda marine bf20d3lht. 5 best outboard motors 2019 boat. Coverage is the same on the last day as it is on. Also, read the latest reviews for the honda 20 hp (20) shaft outboard motor w/ electric start, power tilt Honda bf40a and bf50a outboard motors are designed for use with boats that have a suitable manufacturer's power.
Search for more factory parts & parts diagrams. Refresh. Product Questions. ... 7 Product Reviews. 1 5 5. Johnson 90 hp. Johnson outboard never ran better.parts came when they were supposed to. Repair Difficulty Medium Repair Time 2 to 4 hours Johnson outboard never ran better.parts came when they were supposed to. ... 15 2014 by David ...
Find Force 15 HP (1984-1995) Outboard Motor Parts by All Engine Parts & Diagrams Revise Search: All Models > 15 HP (1984-1995) > 1984-A - 1992-B ( ) All Engine Parts & Diagrams
All Engine Parts & Diagrams · Carburetor Assembly (15) · Carburetor Assembly (Wmc5A Wmc5B Wmc7 Wmc7A WmC19 WmC19A) · Carburetor Assembly Wmc 17\17B\17C, 18\18A\18B ...
When your Yamaha 15 HP outboard is down for repairs, you can't go fishing. That's a problem! Worse than that, if you aren't out fishing, there's plenty of things to fix around the house. No one wants to do that. Well, you've come to the right place. We offer deep discounts on Yamaha outboard parts, so you can get that motor fixed and get back on the water reeling those fish in. That's what a ...
C-00001-11 O/B Manual - Volume 1 OS111. OUTBOARD MOTOR SERVICE MANUAL, 1969-1989 Vol. 2.Manufacturers Covered: Chrysler, Evinrude, Force, Johnson, Mariner. Clymer Force Outboard Shop Manual: 4-150. 60 HP, 70 HP, 75 HP, 85 HP, 90 HP, 120 HP, 125 HP. Address below and we'll send you a link to download the free Kindle.
Lookup Mariner 15 hp marathon outboard motor parts by component and buy discount parts from ... Select engine section to view parts diagram & parts list.
Mercury / Mariner / Yamaha / Parsun / Tohatsu 8 to 15 HP 4-stroke '98-'07 (323cc) Block Parts - Allesmarine
Large selection of quality mercruiser parts, marine engines, marine parts, boats parts ... Marine Parts +; Product Diagrams + ... MARINER : 6/8/9.9/15 HP ...
Outboard Motor Mercury Outboard Motor User Manual 15 pages. Outboard Motor Mercury OUTBOARD MOTOR Installation Manual 15 pages. Dec 23, 2013 This INSTANT REPAIR MANUAL DOWNLOAD for the Mercury 115 hp outboard engines were designed primarily for factory service Mercury 115 hp outboard technicians in a properly equipped shop.
Use our parts diagram tool below to find the parts you need for your machine. Select the model and year, then browse the parts diagrams to find the right part. Add to cart when you're ready to purchase and we'll ship it to you as soon as possible!. Over the last decade, steward health care has perfected a unique vertically and horizontally ...
Mercury Marine 15 HP Outboard Motor Parts by All Engine Parts & Diagrams; Find Mercury Marine 15 HP Outboard Motor Parts by All Engine Parts & Diagrams. Revise Search: All Models > 15 HP > 0A197112 - 0D280999 (USA) All Engine Parts & Diagrams. Select engine section to view parts diagram & parts list. Carburetor Assembly (15) Carburetor Assembly (Wmc5A Wmc5B Wmc7 Wmc7A WmC19 WmC19A) Carburetor ...
Mariner 15 HP Outboard Motor Parts by All Engine Parts & Diagrams; Find Mariner 15 HP Outboard Motor Parts by All Engine Parts & Diagrams. Revise Search: All Models > 15 HP > 0D281000 - 0G760299 (USA) All Engine Parts & Diagrams. Select engine section to view parts diagram & parts list. Accessories ; Carb (15) (USA - Serial No. 0G112449 / Belgium - Serial No. 9831799 & Below) Carb (6 / 8) (9.9 ...
CUMMINS NEW MARINE Long Blocks. Cummins new 6BT5.9 Marine Diamond series long block 280-370 HP in-line pump. CPL's 1975, through 8457. Cummins new 6BT5.9 marine long block 250-300 HP Nippondenso pump. CPL's 953, through 1928. (901) 833-1347
Mercury Mariner Outboard 150/175/200 EFI Service Repair Manual Seloc Marine Repair Guides for Mercury Engines (Online and Printed Manuals) Mercury Marine v-150 hp (efi) e.c.u. assembly parts. Buy a genuine Mercury Quicksilver or aftermarket part. Mercury Mariner Outboard 150/175/200 EFI Service Repair Manual Download. .99. VIEW DETAILS.
Find Mariner 15 HP Outboard Motor Parts by Serial Number Range. Revise Search: All Models > 15 HP . Serial Number Range. 0A197112 - 0D280999 (USA) 0D281000 - 0G760299 (USA) 0G760300 - 0T979999 (USA) 0T980000 - 0T999999 (USA) 1B000001 & Up (USA) 0P017000 - 0P325499 (Belgium) 0P325500 & Up (Belgium) 9542620 - 9792199 (Belgium) 9792200 - 0P016999 (Belgium) Revise Search: All Models > 15 HP . Find ...
0 Response to "40 mariner 15 hp outboard parts diagram"
Post a Comment