Iklan 300x250

40 2004 gmc envoy radio wiring diagram

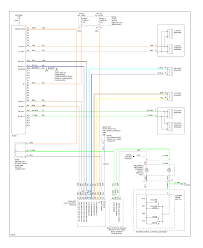
2004 Gmc Envoy Wiring Harness from hpca-images-sc1.netdna-ssl.com To properly read a cabling diagram, one offers to find out how the particular components inside the system operate. For instance , in case a module is usually powered up and it also sends out the signal of fifty percent the voltage in addition to the technician does not know this ... 2004 Gmc Envoy Engine Diagram. All wiring diagrams for gmc envoy xuv 2004 radio diagram full power distribution 2003 slt stereo 2005 a bose system pcm pinout interior fuse box block xl pinouts ru 2002 instrument panel i need turn signal problem 2006 my front passenger engine irregular electrical issues gm forum buick with manual air and battery not charging was ignition coil circuit clutch fan ...

2004 Gmc Envoy Radio Wiring Diagram from www.xpmissions.com. To properly read a electrical wiring diagram, one offers to find out how the particular components inside the method operate. For example , when a module will be powered up also it sends out a signal of fifty percent the voltage and the technician would not know this, he would think ...

2004 gmc envoy radio wiring diagram

2004 gmc envoy radio wiring diagram

Wholesale Car Stereo Kits for 04 GMC ENVOY - Radio, Harnesses, Handsfree, ... OEM 1 with a vehicle specific harness plugs into the vehicles wiring and ... 20 Feb 2010 — Hey Everyone, First post on here. I am trying to fix my stereo, my friend said he knew how to install my audio system and now my head unit ... Whether your an expert GMC Envoy mobile electronics installer, GMC Envoy fanatic, or a novice GMC Envoy enthusiast with a 2004 GMC Envoy, a car stereo wiring diagram can save yourself a lot of time. Automotive wiring in a 2004 GMC Envoy vehicles are becoming increasing more difficult to identify due to the installation of […]

2004 gmc envoy radio wiring diagram. 2004 Gmc Envoy Wiring Diagram from static-assets.imageservice.cloud. Print the wiring diagram off plus use highlighters to trace the signal. When you make use of your finger or perhaps the actual circuit with your eyes, it is easy to mistrace the circuit. 1 trick that We 2 to printing a similar wiring plan off twice. 2004 Gmc Envoy Radio Wiring Diagram. 2004 Gmc Envoy Radio Wiring Diagram from www.xpmissions.com. Print the wiring diagram off plus use highlighters to trace the signal. When you make use of your finger or perhaps the actual circuit with your eyes, it is easy to mistrace the circuit. 1 trick that We 2 to printing a similar wiring plan off twice. DOWNLOAD 2004 Gmc Envoy Xuv Radio Wiring Diagram. Close DOWNLOAD. 2004 Gmc Envoy Xuv Radio Wiring Diagram. I need a Radio Wiring Diagram for a GMC Envoy XUV. I'm looking for a Constant 12v wire for an iPod adapter. Thanks, - Answered by a. Question about GMC Envoy I have a Envoy XUV. GMC Radio Stereo Wiring Diagrams. All Car Makes. ». GMC Radio Stereo Wiring Diagrams. Having a GMC stereo wiring diagram makes installing a car radio easy. Find the GMC radio wiring diagram you need to install your car stereo and save time. Scroll down and find the GMC wire guide you need. It’s that easy!

27 Mar 2009 — need wiring diagram for Gmc envoy stereo I've conncected a new radio, but there's a seperate small harness with 5 - GMC 2006 Envoy question.1 answer · 6 votes: I dont believe its used in your situation . here is a rundown Car Radio Battery Constant 12v+ Wire: Orange Car Radio Accessory Switched 12v+ Wire: The ... 2004 GMC Envoy Stereo Wiring Information. Radio Battery Constant 12v+ Wire: Orange Radio Ground Wire: Black/White Left Front Speaker Positive Wire (+): Tan Left Front Speaker Negative Wire (-): Gray Right Front Speaker Positive Wire (+): Light Green Right Front Speaker Negative Wire (-): Dark Green Left Rear Speaker Positive Wire (+): Brown Left Rear Speaker Negative Wire (-): Yellow Whether your an expert GMC Envoy mobile electronics installer, GMC Envoy fanatic, or a novice GMC Envoy enthusiast with a 2004 GMC Envoy, a car stereo wiring diagram can save yourself a lot of time. Automotive wiring in a 2004 GMC Envoy vehicles are becoming increasing more difficult to identify due to the installation of […] 20 Feb 2010 — Hey Everyone, First post on here. I am trying to fix my stereo, my friend said he knew how to install my audio system and now my head unit ...

Wholesale Car Stereo Kits for 04 GMC ENVOY - Radio, Harnesses, Handsfree, ... OEM 1 with a vehicle specific harness plugs into the vehicles wiring and ...

Delphi Radio Wiring Diagram | Radio, Electrical wiring diagram, Delphi

Delphi Radio Wiring Diagram | Radio, Electrical wiring diagram, Delphi

vehicles on road at daytime

vehicles on road at daytime

34 2003 Gmc Envoy Radio Wiring Diagram - Free Wiring ...

34 2003 Gmc Envoy Radio Wiring Diagram - Free Wiring ...

Radio City LED sign on building

Radio City LED sign on building

Fuse Box On 2006 Gmc Envoy | schematic and wiring diagram

Fuse Box On 2006 Gmc Envoy | schematic and wiring diagram

woman laying on bed near gray radio

woman laying on bed near gray radio

Radio City Music Hall LED signage

Radio City Music Hall LED signage

46 2003 Gmc Envoy Stereo Wiring Harness - Wiring Diagram ...

46 2003 Gmc Envoy Stereo Wiring Harness - Wiring Diagram ...

Fuse Box Location On 2004 Gmc Envoy | schematic and wiring ...

Fuse Box Location On 2004 Gmc Envoy | schematic and wiring ...

2003 gmc yukon stereo wiring harness for Sale > OFF-63%

2003 gmc yukon stereo wiring harness for Sale > OFF-63%

RADIO – GMC Envoy 2003 – SYSTEM WIRING DIAGRAMS – Wiring diagrams for cars

RADIO – GMC Envoy 2003 – SYSTEM WIRING DIAGRAMS – Wiring diagrams for cars

55 Luxury 2004 Gmc Yukon Bose Radio Wiring Diagram

55 Luxury 2004 Gmc Yukon Bose Radio Wiring Diagram

2002-04 Chevy Trailblazer GMC Envoy XL XUV Bose Radio ...

2002-04 Chevy Trailblazer GMC Envoy XL XUV Bose Radio ...

Diagram On 2002 Gmc Envoy Rear Fuse Box - Wiring Diagram

Diagram On 2002 Gmc Envoy Rear Fuse Box - Wiring Diagram

2004 PCM Wiring Diagram / Pinout | Chevy TrailBlazer, TrailBlazer SS and GMC Envoy Forum

2004 PCM Wiring Diagram / Pinout | Chevy TrailBlazer, TrailBlazer SS and GMC Envoy Forum

SOLVED: Raido wire diagram 2002 envoy - Fixya

SOLVED: Raido wire diagram 2002 envoy - Fixya

31 2003 Gmc Envoy Radio Wiring Diagram - Wiring Diagram List

31 2003 Gmc Envoy Radio Wiring Diagram - Wiring Diagram List

black 2-DIN head unit

black 2-DIN head unit

16+ Sony Car Stereo Wiring Harness Diagram - Car Diagram - Wiringg.net | Car stereo, Sony car stereo, Clarion car audio

16+ Sony Car Stereo Wiring Harness Diagram - Car Diagram - Wiringg.net | Car stereo, Sony car stereo, Clarion car audio

decolorare Muzeul Guggenheim Da naștere ac toyota land cruiser diesel 3000 cm 2007 wiring diagram - ruralbierzoalto.com

decolorare Muzeul Guggenheim Da naștere ac toyota land cruiser diesel 3000 cm 2007 wiring diagram - ruralbierzoalto.com

2005 Gmc Yukon Xl Radio Wiring Diagram - Style Guru ...

2005 Gmc Yukon Xl Radio Wiring Diagram - Style Guru ...

silhouette of trees during sunset

silhouette of trees during sunset

Envoy Bose Stereo Wiring Diagram - Wiring Diagram & Schemas

Envoy Bose Stereo Wiring Diagram - Wiring Diagram & Schemas

NC Ship For Metra 71-2003-1 2002-2004 Gmc Envoy Radio Wire ...

NC Ship For Metra 71-2003-1 2002-2004 Gmc Envoy Radio Wire ...

2003 Gmc Yukon Denali Radio Wiring Diagram - Wiring Diagram

2003 Gmc Yukon Denali Radio Wiring Diagram - Wiring Diagram

[DIAGRAM] 2008 Gmc Envoy Radio Wiring Diagram Electrical ...

[DIAGRAM] 2008 Gmc Envoy Radio Wiring Diagram Electrical ...

2003 gmc yukon stereo wiring harness for Sale > OFF-63%

2003 gmc yukon stereo wiring harness for Sale > OFF-63%

2004 Gmc Envoy Xuv Radio Wiring Diagram

2004 Gmc Envoy Xuv Radio Wiring Diagram

2005 Gmc Envoy Radio Wiring Diagram Images - Wiring ...

2005 Gmc Envoy Radio Wiring Diagram Images - Wiring ...

2005 Gmc Envoy Radio Wiring Harness - Wiring Forums

2005 Gmc Envoy Radio Wiring Harness - Wiring Forums

unknown

unknown

56 2002 Gmc Envoy Radio Wiring Harness - Wiring Diagram ...

56 2002 Gmc Envoy Radio Wiring Harness - Wiring Diagram ...

59 2005 Gmc Envoy Aftermarket Radio Installation - Wiring ...

59 2005 Gmc Envoy Aftermarket Radio Installation - Wiring ...

CHEVROLET Car Radio Stereo Audio Wiring Diagram Autoradio connector wire installation schematic schema esquema de conexiones Anschlusskammern konektor

CHEVROLET Car Radio Stereo Audio Wiring Diagram Autoradio connector wire installation schematic schema esquema de conexiones Anschlusskammern konektor

Envoy Wiring Harness | schematic and wiring diagram

Envoy Wiring Harness | schematic and wiring diagram

2004 Gmc Envoy Wiring Diagram Database - Wiring Diagram Sample

2004 Gmc Envoy Wiring Diagram Database - Wiring Diagram Sample

[DIAGRAM] 2008 Gmc Envoy Radio Wiring Diagram Electrical ...

[DIAGRAM] 2008 Gmc Envoy Radio Wiring Diagram Electrical ...

2006 Gmc Envoy Radio Wiring Diagram - 16

2006 Gmc Envoy Radio Wiring Diagram - 16

I need a Radio Wiring Diagram for a 2004 GMC Envoy XUV. I'm looking for a Constant 12v wire for an iPod adapter. Thanks,

I need a Radio Wiring Diagram for a 2004 GMC Envoy XUV. I'm looking for a Constant 12v wire for an iPod adapter. Thanks,

macro photography of silver and black studio microphone condenser

macro photography of silver and black studio microphone condenser

0 Response to "40 2004 gmc envoy radio wiring diagram"

Post a Comment

Iklan Atas Artikel

Iklan Tengah Artikel 1

Iklan Tengah Artikel 2

Iklan Bawah Artikel