37 kandi 110cc go kart wiring diagram
X-PRO ® Oil Seal Kit for 70cc 90cc 110cc 125cc ATVs, Dirt Bikes & Go Karts. $49.95. Free Shipping. Buy with money order. $47.95 (Save $2.00) 38mm Air Filter for 125cc 150cc 200cc ATVs, Go Kart & Dirt Bikes. $25.95. Buggy Kandi 250cc Online. Go kart 150 wiring harness from scratch wire for kandi 125fm5 125gkg yerf dog 150cc diagram kd 90b kids mini gokart buggy 250cc cheap online oem complete gy6 razor ground force 200 ignition switch cf250 kinroad sahara engine clothes drifter parts all crossfire 150r dune accelerator pedal twist rear axle bearing cover loncin 90cc quad reezahera 125cc auto reverse 110cc ...
Kandi 110cc go kart wiring diagram. 1983 xr350r wiring diagram. Wiring diagram for tekonsha p3. Mantis shrimp eye diagram. Rb20det wiring diagram. Wiring diagram relay r16-17d3-12. How to hook up avaya 9608 phone wiring diagram. Honeywell rth7500 wiring diagram. Neuman systems model diagram.

Kandi 110cc go kart wiring diagram
Wire Harness Wiring CDI Assembly for 50/70/90/110cc/125cc ATV Quad Coolster GO KART. specification: 100% !!! size: as picture shown fitment: suitable for 50cc 70cc 90cc 110cc 125cc chinese electric start quads (only fit for 2 stroke) quantity: 1 set note: only fits 5 pins cdi,do not fits gy6 engine,which e 6 pins cdi package include: 1 ... Item No: KD-L5C00049FM5081500. SALE PRICE: $5.71. OEM Stock replacement Cotter Pin 3.2 28 for Kandi 125FM5 Go Kart Buggy Go Karts. REF. 7 Roll Cage Bolt M8 X 45, for Kandi 125GKG Go Kart. Item No: KD-L5C0110GKG2050700. SALE PRICE: $5.71. REF. 7 Bolt M8 X 45, for Kandi 125GKG Go Kart. Go Kart Kandi Cyclone 150cc Frame Amp Seat Shop Atv Parts Online Coolster 125 Atv Engine Diagram Chinese Atv Wiring Diagrams Vmc Chinese Parts Atv Utv Scooter Go Kart Amp Dirt Bike Parts 110cc Atv Dirtbike Gokart Engine Parts Honda Copy Peace Sports 110 Atv Wiring Diagram 110cc Engine Parts Diagram How 110cc Taotao Atv Parts Amazon Com Diagram Mini Atv Engine Diagram Full Version Hd Quality ...
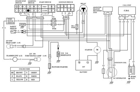
Kandi 110cc go kart wiring diagram. Wiring Harnesses & Connectors; Popular Recreational Brands. Razor Pulse Baja Motorsports Avigo Motovox. Mini Bike Parts & Mini Bike Accessories View All. ... 2-Point Seat Belt Harness for Kandi 49cc & 110cc Go-Karts & Dune Buggies. $19.99. E41-8577. Add To Cart More Options Available. Universal Roll Bar Cage Pad for Go-Karts & Dune Buggies. $8 ... wiring harness horn front turning signal light headlight rear turning signal light brake light fuse starter relay (selenoid) silicon rectifier CDT ignition unit flasher relay unit ignition coil transmission display electrical component box cover electrical component box panel washer electrical component box ignition switch kill switch headlight switch (dip switch) turning signal switch Related ... Kandi 110cc Go Kart Wiring Diagram.I Have Fitted A 110 Engine In A Go. 90cc Atv Wiring Diagram Best Of For Chinese 110. 60 Fresh 110cc Go Kart Motor Stator Wiring Diagram..You can additionally attending for some pictures that accompanying to Wiring Diagram by annal bottomward to accumulating on beneath this picture. 11 photos of the "110cc Go Kart Wiring Diagram". Kandi Oem Complete Wire Harness For 150cc And 200cc Gokarts Radio Wiring Harnesses Electronics Studioestetica Net. Ref 14 Wire Harness For Kandi 125fm5 Go Kart. Kandi Kd 125gkg 90b Kids Mini Gokart. Yerf Dog 150cc Wiring Diagram Go Kart Buggy Depot Technical Center. Crossfire 150r Wiring Diagram Buggy Depot Technical Center.
DIAGRAM] Wiring Diagram For Roketa Go Kart Engine FULL Version HD Quality Kart Engine.. You can additionally attending for some pictures that accompanying to Wiring Diagram by annal bottomward to accumulating on beneath this picture. 11 photos of the "110cc Go Kart Wiring Diagram".. Effectively apprehend a electrical wiring diagram, one provides to acquisition out how the apparatus in the ... In this video, I will show you how to rewire a 150cc go kart with a wiring diagram, from scratch. That will include, how to use a multimeter, identify all pa... Kandi 110Cc Go Kart Wiring Diagram,cc.download Free Printable pertaining to 150Cc Go Kart Wiring Diagram by admin Through the thousand images on the internet concerning 150cc Go Kart Wiring Diagram, we picks the top libraries along with ideal image resolution simply for you all, and this pictures is usually considered one of images selections ... Car Stereo Radio Wiring Harness Antenna Adapter for Buick Chevy GMC Pontiac. 3.9 out of 5 stars. 1,690. 1 offer from $15.79. 150cc Go Kart Steering Wheel Parts Fits for Go Kart ATV 110cc 125cc 140cc 150cc Quard Dune Buggy with Tie Rod Rack Shaft Tie Rod 300mm 36inch. 4.0 out of 5 stars. 2. 5 offers from $65.72.
Kandi 110cc Go Kart Wiring Diagram Wiring Diagram. Kandi 150cc Go Kart Wiring Diagram SYAHME1410. GoKarts USA® Go Kart Mini Bike Dirt Bike ATV UTV [OM_6652] Kandi 110 Go Kart Wiring Diagram Free Diagram. Kandi 150 Wiring Diagram Wiring Diagram. Gy6 Go Kart Wiring Harnes squabb. Wire Harness Wiring CDI Assembly for 50/70/90/110cc/125cc ATV Quad Coolster GO KART. specification: 100% !!! size: as picture shown fitment: suitable for 50cc 70cc 90cc 110cc 125cc chinese electric start quads (only fit for 2 stroke) quantity: 1 set note: only fits 5 pins cdi,do not fits gy6 engine,which e 6 pins cdi package include: 1 ... Kandi 110Cc Go Kart Wiring Diagram,cc.download Free Printable pertaining to 150Cc Go Kart Wiring Diagram by admin Through the thousand images on the internet concerning 150cc Go Kart Wiring Diagram, we picks the top libraries along with ideal image resolution simply for you all, and this pictures is usually considered one of images selections in your very best pictures gallery regarding 150Cc ... 110cc Go Kart Wiring Harness, Most popular Wiring Harness for 110cc Go Kart. Motopartsmax offers Wiring Harness for all Chinese and branded 110cc Go Kart, including baja, taotao, roketa, sunl, coolster...
Buggy Wiring Harness Loom Cdi Coil Spark Plug For Gy6 125cc 150cc Chinese Electric Start Kandi Go Kart Dazon Parts Motorcycle Atv
Chinese Go-Kart Wiring; Tagged. Tagged. Battery Cable Wire Set - 2 Wires - 50cc to 250cc VMC Chinese Parts $ 9.95. ... Electrical Box Cover for Kandi TaoTao Coleman 150cc 250cc Go-Kart & ATV VMC Chinese Parts $ 13.20. Add to Cart. Namz Coupler Male 250L Series 6 Position Wiring Connector Plug - [2120-0471]
Buggy Wiring Harness Loom Gy6 125cc 150cc Chinese Electric Start Kandi Go Kart Dazon Atv New Gy6 Buggy Gy6 Wiringgy6 Wiring Harness Aliexpress
Kandi KD-49FM5-E / 110 GK Wiring Diagram Author: FamilyGoKarts.com Subject: Kandi KD-49FM5-E / 110 GK Wiring Diagram Keywords: kandi; wiring; diagram; kd-49fm5-e; 110gk Created Date: 9/3/2013 5:23:21 PM
Diagram 250 cc roketa wiring diagrams yerf dog 150cc go kart dazon raider classic kandi 110cc atv full ev 5010 36 volt electric scooter wire harness for 125gkg 125fm5 89anche Diagram 250 Cc Roketa Wiring Diagrams Full Version Hd Quality Yerf Dog 150cc Wiring Diagram Go Kart Buggy Depot Technical Center Yerf Dog 150cc Wiring Diagram… Read More »
Scooters / Mopeds Parts. Hoverboard Parts. Pocket Bikes Parts. Sports Bikes Parts. Go Karts Parts. 50cc-125cc Go Karts Parts 150cc Go Karts Parts 250cc Go Karts Parts 300cc + Go Karts Parts. Kandi Bikes.
It's a 125 cc engine came off an atv
Buy Complete Wiring Harness Kit Electrics Atv Wire Harness Kit With Cdi Stator Regulator Ignition Switch Solenoid Relay For Gy6 125cc 150cc Pit Bike Scooter Atv Quad Go Kart 4 Stroke Parts By
Kandi 110cc Go Kart Wiring Diagram. Geniune Kandi parts Wire harness for CC KDGKG-2 GO KART DUNE BUGGY | eBay Motors, Parts & Accessories, Other Vehicle Parts | eBay!. I have a Kandi cc go kart. Looking at a basic wiring diagram for the Candi, It has a fuse or a fusible link between the starter solenoids posiitve post, which is. It won't start.
Buy Auinland Electric Start Engine Wiring Harness Cdi Ignition Coil Wiring Harness Kit Cdi Wire Assembly Fit For 4 Stroke Atv Klx 50cc 110cc 125cc Quad Bike Buggy Go Kart Online In
Description: Kandi 110Cc Go Kart Wiring Diagram,cc.download Free Printable pertaining to 150Cc Go Kart Wiring Diagram, image size 833 X 604 px, and to view image details please click the image. Description : Yerf Dog 150Cc Wiring Diagram (Go-Kart) - Buggy Depot Technical inside 150Cc Go Kart Wiring Diagram, image size 800 X 378 px, and to ...
Maintenance of Off-road Kart 8. Schematic Diagram absorber 3. Front turning tights 4. Front wheel Front bumper 5 Control panel Steer wheel and steer 9 Seat assembly T Head lights B. Middle bumper pipe 12 Rear turning light ... Kandi KD-49FM5-E 110cc GoKart Owners Guide
Gy6 Wiring Diagram Read The Safety Tips To Start Is By Getting Up To Speed On The Basic Radial Lighting Circuit T Motorcycle Wiring 150cc Scooter 150cc Go Kart
Page Page Page Page Page Page Yerf Dog GX Wiring Diagram supply voltage pin, you should run a switch to the cab of your Kart, so you can turn the ignition on and off.Kandi cc go kart wiring diagram further wiring diagram for 90cc atv furthermore technical info together with kinroad gy6 buggy wiring diagram furthermore qmj wiring diagram in ...
Gy6 Go Kart Wiring Diagram- wiring diagram is a simplified customary pictorial representation of an electrical circuit.It shows the components of the circuit as simplified shapes, and the power and signal contacts amid the devices. A wiring diagram usually gives recommendation roughly the relative turn and promise of devices and terminals upon the devices, to incite in building or servicing ...
Complete Wiring Harness kit for ATV Quad 4 Four Wheelers 50CC 70CC 110CC 125CC Go Kart Dirt Pit Bikes With Electrics Stator Coil CDI Wiring Harness Solenoid Relay Spark Plug by KAKO. 3.7 out of 5 stars. 127. $37.98. $37. . 98. Get it as soon as Mon, Oct 4. FREE Shipping by Amazon.
Kandi 110cc Go Kart Wiring Diagram. These days, there are several sources that attempt to come up with the money for Kandi Go Kart Wiring Diagram to the mechanic online. Most time these providers have either incomplete or wrong diagrams that can potentially cost the shop wasted time, child support or even possibly a lawsuit. A botched automotive wiring job is a potentially catastrophic mistake ...
Full Electric Start Engine Wiring Harness Loom Gy6 125 150cc Quad Bike Kandi Atv Go Kart Buggy New Gy6 Buggy 150cc Atv Quadquad 125 Atv Aliexpress
Engine Wiring Harness For Gy6 150cc Engine 05711a Bmi. Tao Tao 125cc Go Kart 5 Wire Cdi Wiring Diagram
Buy Sthus 150cc Gy6 Wiring Harness Wire Loom Stator Cdi Switch Electrics Assembly For 4 Stroke Engine 150cc 125cc Go Kart Atv Scooter Buggy Online In Indonesia B07hf76bvv
on 110cc Go Kart Wiring Diagram. Geniune Kandi parts Wire harness for CC KDGKG-2 GO KART DUNE BUGGY | eBay Motors, Parts & Accessories, Other Vehicle Parts | eBay!. Wiring Diagrams for 88, , and cc engine · Wiring Instruction for 70cc, cc and cc with Yellow Plug. 110cc go kart build pt4 wiring. YouTube. Go Karts or Gone Fishin. 4.7K subscribers.
Kandi Go Kart Wiring Diagram – wiring diagram is a simplified customary pictorial representation of an electrical circuit. It shows the components of the circuit as simplified shapes, and the capacity and signal contacts in the midst of the devices. Kandi Go Kart Wiring Diagram A wiring diagram usually gives instruction practically the relative outlook and bargain of devices and terminals on ...
Buy Complete Wiring Harness Kit Electrics Atv Wire Harness Kit With Cdi Stator Regulator Ignition Switch Solenoid Relay For Gy6 125cc 150cc Pit Bike Scooter Atv Quad Go Kart 4 Stroke Parts By
Go Kart Kandi Cyclone 150cc Frame Amp Seat Shop Atv Parts Online Coolster 125 Atv Engine Diagram Chinese Atv Wiring Diagrams Vmc Chinese Parts Atv Utv Scooter Go Kart Amp Dirt Bike Parts 110cc Atv Dirtbike Gokart Engine Parts Honda Copy Peace Sports 110 Atv Wiring Diagram 110cc Engine Parts Diagram How 110cc Taotao Atv Parts Amazon Com Diagram Mini Atv Engine Diagram Full Version Hd Quality ...
Buy Complete Wiring Harness Electrics Stator Coil Cdi For 4 Stroke Atv 150cc 250cc Quad Bike Buggy Go Kart Pit Dirt Bikes Online In Taiwan B089cthb4t
Item No: KD-L5C00049FM5081500. SALE PRICE: $5.71. OEM Stock replacement Cotter Pin 3.2 28 for Kandi 125FM5 Go Kart Buggy Go Karts. REF. 7 Roll Cage Bolt M8 X 45, for Kandi 125GKG Go Kart. Item No: KD-L5C0110GKG2050700. SALE PRICE: $5.71. REF. 7 Bolt M8 X 45, for Kandi 125GKG Go Kart.
Wire Harness Wiring CDI Assembly for 50/70/90/110cc/125cc ATV Quad Coolster GO KART. specification: 100% !!! size: as picture shown fitment: suitable for 50cc 70cc 90cc 110cc 125cc chinese electric start quads (only fit for 2 stroke) quantity: 1 set note: only fits 5 pins cdi,do not fits gy6 engine,which e 6 pins cdi package include: 1 ...
Buy Auinland Electrics Wiring Harness Loom Kit Electrics Stator Coil Cdi Wiring Harness Solenoid Relay Spark Plug For Gy6 125cc 150cc Atv Quad Go Kart Online In Indonesia B08jkgs89c
Buy Complete Wiring Harness Kit Electrics Atv Wire Harness Kit With Cdi Stator Regulator Ignition Switch Solenoid Relay For Gy6 125cc 150cc Pit Bike Scooter Atv Quad Go Kart 4 Stroke Parts By
Other Motorcycle Handlebars Grips Levers Details About Clutch Lever With Cable For 150cc 200cc 250cc Atv Dirt Bike Go Kart Pit Bike Motors
Buggy Wiring Harness Loom Gy6 125cc 150cc Chinese Electric Start Kandi Go Kart Dazon Atv New Gy6 Buggy Gy6 Wiringgy6 Wiring Harness Aliexpress
Roketa Atv Exercise Fitness Dune Buggies Scooter Gokart Dirtbike Moped Utility Vehicle Motorcycle Electric Gas Scooter Water Craft Golf Cart Bike Quad Offroad Motorsport Jet Sand Rails Moped Snowmobiles Helmet Accessories Generator Porcelain
0 Response to "37 kandi 110cc go kart wiring diagram"
Post a Comment