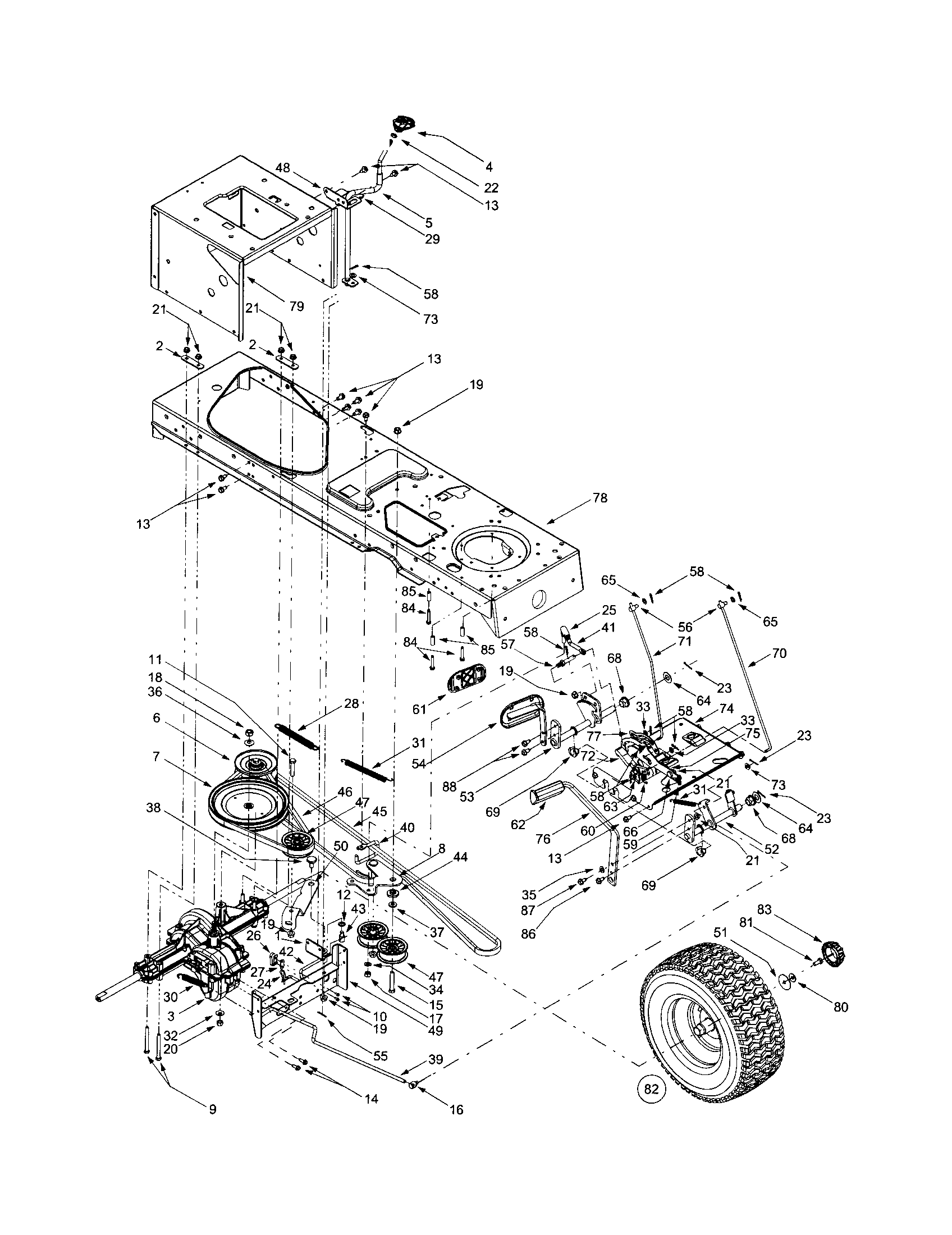
42 yard machine drive belt diagram
. Coming soon. MTD Yard Machines Parts Lookup by Model - Jacks Small Engines MTD Yard Machines Exploded View parts lookup by model. Complete exploded views of all the major manufacturers. ... MTD Yard Machines Parts Diagrams 11-Push Walk-Behind Mowers. 12-Self-Propelled Walk-Behind Mowers. 13-Lawn Tractors. 14-Garden Tractors. 17-Z-Series. 18-Electric Mowers. 21-Tillers. 24-Blowers. 24-Chipper-Shredder & Vacs. 24-Log ...
Yardman 42 Inch Belt Diagram Yardman 42 Inch Belt Diagram. diagramweb.net: MTD Genuine Parts 36/38/Inch Drive Belt and Prior: Lawn Mower Belts Troy-Bilt, MTD, Yard-Man, Huskee, Yard Machines and Bolens units; Contains one belt MTD Replacement Belt 3/8-Inch by Inch. Changing the drive belt on a MTD Yardman riding mower is part of a routine Attach the deck belt to the ...
 
    Yard machine drive belt diagram
Yard machines by mtd belt diagram Yard machine riding lawn mower belt diagram. Belt diagram for 46 mtd yard machine riding mower Belt diagram for 46 mtd. Variety of mtd riding lawn mower wiring diagram. As per our directory this eBook is listed as BDFYMBMPDF-120 actually introduced on 5 Jan 2021 and then take about 1895 KB data size. How to Install a Drive Belt in a Lawn Tractor by Yard Machines Step 1 Park the tractor on a flat level surface and remove the key from the ignition switch. Remove the spark plug wire from the spark plug to prevent accidental starting. It should pull straight off easily. Place the "lift and disengagement" lever into the engaged position to properly tension the drive belt. Video of the Day Step 2 13AF608G062 - Yard Machines Lawn Tractor (2002) (Lowes ... Repair parts and diagrams for 13AF608G062 - Yard Machines Lawn Tractor (2002) (Lowes) ... Parts & Diagrams Parts Lists & Diagrams. Lawn Tractor. Recommended Parts Show $ 13AF608G062 - Yard Machines Lawn Tractor (2002) (Lowes) > Parts Diagrams (9) Hide . 42" Cutting Deck. Axle & Wheels Front, Steering. Drive, Controls, Rear Wheels. Electric ...
Yard machine drive belt diagram. Pin on How to install drive belt - Pinterest Jul 14, 2015 - I need a picture of the drive belt replacement on Scotts 2046H . Specifically the pulley position and belt alignment. This is a 20 hp 46" deck cut Scotts riding mower. 2001 Cub Cadet Ultima ZT1 54 Zero-Turn Mower | Cub Cadet US 54" Heavy-duty 11-gauge fabricated deck, 23 hp Kawasaki® FR691V engine, lap bar-controlled dual-hydro transmissions, best-in-class limited warranty Order online. Choose Dealer Delivery or pick-up within one business day at your local dealer. Financing available. MTD 13AN601H729 (2006) Parts Diagram for Deck Assembly MTD 13AN601H729 (2006) Deck Assembly Exploded View parts lookup by model. Complete exploded views of all the major manufacturers. It is EASY and FREE Yard Machine 746 Srl Belt Diagram - Wiring Diagrams Jul 28, · How to replace the drive belts on a MTD Yard Machines lawn tractor model SRL. The model numbers for the belts are not included in the owners manual so here they are: A (used to be Yard Man 13CXG Parts List and Diagram - () : wiringall.comI need a belt diagram for my Yard Machine Model # SRL No - Fixya.
Cub Cadet XT1 LT50 FAB Lawn Tractor | Cub Cadet US The Cub Cadet XT1 LT50 FAB is powered by a 24 hp KOHLER 7000 Series twin cylinder engine. 50-inch fabricated, 11-gauge, triple-blade AeroForce™ deck design that optimizes airflow and maximizes suction to reduce clumping during discharge and improves bagging performance while delivering the pristine Cub Cadet Signature Cut™. Free Yard Machines Lawn Mower User Manuals - ManualsOnline.com Yard Machines Lawn Mower 660 Thru 679. Yard Machines Lawn Mower User Manual. Pages: 28. See Prices. mymodelwalk.de › cub-cadet-drive-belt-keeps-coming-offCub cadet drive belt keeps coming off - mymodelwalk.de Sep 21, 2018 · Cub cadet drive belt diagram. Diagram of drive belt. The 54-inch deck is constructed of 11-gauge, welded steel and raises and lowers to 12 positions. Anyone have an idea? Face winter conditions with ease with this Cub Cadet (R) snowblower featuring in-dash lighting for increased visibility, heated handgrips, clearing width of 24 ... › riding-mower-beltsRiding Mower Belts - MTD Parts Find Original Equipment Belts for all Riding Mowers, RZT, Zero-Turn, Lawn Tractor and Garden Tractors applications. Deck Belts, PTO Belts and Drive Belts for Hydrostatic and Gear Drive Transmissions. Original belts for Troy-Bilt, Craftsman, MTD, Cub Cadet, Yard-Man, Huskee, Yard Machines and Bolens Riding Mower Models, shipped Factory-Direct.
Yardman Riding Mower Belt Diagram - schematron.org Mtd Belt Diagram 46 In Yardman ~ here you are at our site, this is images about mtd belt diagram 46 in yardman posted by Brenda Botha in Mtd category on Nov 15, You can also find other images like diagram wiring diagram, diagram parts diagram, diagram replacement parts, diagram electrical diagram, diagram repair manuals, diagram engine. How to replace drive belt in MTD Yard Machine - YouTube Follow me on: MTD Parts Canada | Browse our wide selection of parts for ... Shop by Parts Diagram; Login; English (Canada) Français (Canada) PART FINDER. Search for parts ... Our snow thrower tips will help you use your machine safely and efficiently. Take advantage of our snowblower tips to make your winter … CVT Automatic Transmissions – Simple To Use, Ideal For ... 7.2.2014 · This new CVT in the Craftsman Yard tractors is a heavy duty unit and eliminates all the worries owners have had with the current crop of hydrostatic transmissions in the $1400 to $2500 tractor price ... On the last drive belt, I got one that was 2″ shorter than OEM. ... (having found a labeled diagram of a CVT transmission) ...
Original Equipment Deck Drive Belt for Select 42 in. Front ... Original equipment part for Deck Drive Belts starting with 954-04060 and 754-04060. Belt fits Bolens, Huskee, MTD, Troy-Bilt, Yard Machines, Yard-Man and most lawn tractors with 42 in. cutting decks. Factory tested and approved to provide the perfect fit, strength, durability and performance.
Yard Machines - Outdoor Power Belts - The Home Depot MTD Genuine Factory Parts Original Equipment Deck Drive Belt for Select 46 in. Front Engine Garden Tractors OE# 954-0439 (2004 and Before) Model# OEM-754-0439 ( 3 )
Amazon.com: yard machine drive belt Walk Behind Lawn Mower Wheel Drive Belt 3/8" x 31" for Troy-Bilt, MTD, Yard-Man, Huskee, Yard Machines and Bolens 754-04065, 754-04082, 754-04101, 754-0637, 754-0637A, 954-0637, 954-0637A;Husqvarna 57 27 $11 29 $11.99 Get it as soon as Tue, Apr 19 FREE Shipping on orders over $25 shipped by Amazon
I need the diagram for a mtd yardmachine 42 belt routing. My Yard Machine by MTD 16.5 HP LT, 42" keeps slipping going uphill and won't climb The Model No. is 13AO699G062 and serial number is XXXXX is serial number. Is it the V-belt drive that needs to be cha … read more
Replacement Parts & Service | Troy-Bilt CA Lookup Parts By Diagram. Use our parts diagram tool below to find the parts you need for your machine. Select the model and year, then browse the parts diagrams to find the right part. Add to cart when you're ready to purchase and we'll ship it to you as soon as possible!
MTD Genuine Parts 36/38/42-Inch Drive Belt 2002 and Prior Gpartsden 754-0370 954-0370 Replacement Drive Belt for MTD Cub Cadet Troy Bilt White YardMan Riding Mower Tractors 21 1 offer from $13.99 MTD OEM-754-0371A Parts Drive Belt-42-Inch Mowers 2007 and Prior 149 12 offers from $27.22 MTD 954-0370 Replacement Belt 5/8-Inch by 48-Inch 44 2 offers from $35.99
replace lawn mower belts - yardman / MTD no ... - YouTube Transmission pulley 2:16Transmission pulley diagram 3:01Transmission drive belt 4:40Deck drive belt 6:12Deck drive belt diagram 7:44This video isn't necessar...
John Deere HPX 4x4 Gator Maintenance Guide & Parts List Service Schedule Parts for a John Deere HPX 4×4 Gator & Parts List. While your John Deere machine is certainly built with quality parts, they have a limited life. Good news is you can easily service your machine yourself using a John Deere maintenance kit or service kits or by getting the specific John Deere part needed to keep your John Deere mower or tractor running for a …
mymodelwalk.de › cub-cadet-drive-belt-replacementCub cadet drive belt replacement - mymodelwalk.de Keep your machine running well with the Cub Cadet 54 in. 07:27. 99 Page 36: Drive Belt For Discount Cub Cadet Parts Call 606-678-9623 or 606-561-4983 RZT-S Drive belt To remove/replace the drive belt: NOTE: If a drive belt fails prematurely, find and cor- rect the cause of the failure.
Centrifugal Clutches | Go Kart Clutch Catalog | Mini Bike ... 26.4.2022 · BELT DRIVE CLUTCH 5/8" 38.50. 115566. BELT DRIVE CLUTCH 3/4" ... If heat damage occurs, the clutch will never disengage and the machine will start taking off by itself as soon as you start the engine. ... A small back yard is not a good place to learn to drive a go kart.
How to Replace a Drive Belt on an MTD Yardman Mower Changing the drive belt on a MTD Yardman riding mower is part of a routine maintenance schedule. MTD, the maker of Yardman products, suggests changing the belt every two years or more with exceptional wear. Inspect the belt often throughout the mowing season for nicks, wear or damage.
› products › mowersLazer Z S-Series - Commercial Grade Zero Turn Riders - Exmark Drive Tires 24 x 12-12, 4 ply Turf Master® Tractor Frame Unibody, welded, heavy-duty 1.5" x 3" tubular steel. Steering Control Hydraulically dampened twin levers, adjust fore and aft. Adjustable dampeners (3 positions) to customize drive responsiveness. Also adjustable to 2 height positions. Front Caster Tires 13 x 6.5-6, smooth-tread, semi ...
Shop Yard Machines Parts | MTD Parts FIND PARTS BY DIAGRAM Find the original equipment parts and accessories for your Yard Machines outdoor power equipment on our Parts Diagrams. The Parts Diagram helps visualize components found on your equipment. If you can't find what you're looking for or need assistance installing the new part, call 1-800-269-6215. Browse Catalog: MTD
How To Replace Drive Belt On Mtd Yard Machine Riding Mower ... The process to replace drive belt on Mtd Yard Machine. Step #1: Preparation For Changing Drive Belt. Step #2: Cool The Mower Engine. Step #3: Lower The Mower Deck. Step #4: Remove The Blade Guard. Step #5: Remove The Belt Keeper Rod. Step #6: Loosen The Idler Pulley Nuts. Step #7: Remove The Drive Belt. Step #8: Install New Drive Belt.
deck belt diagram for 46" mtd yard machine? = Answered ... deck belt diagram for 46" mtd yard machine? go to mtd website,click on "owners manual",enter model and serial #s,-will be given choice of 4-5 pdf links (the last one worked for me)-is graphics heavy/wait to load.Scroll down to your mower (exploded views).REMEMBER,your 3 pullys above/on your blade shafts have NO latteral movement.Look on your ...
coalhandlingplants.com › coal-handling-plantCoal Handling System | Coal Handling Plant In Thermal Power Plant Nov 13, 2016 · The nozzle of DFDS system are fitted at discharge and tail side of conveyor belt. Belt scale; Belt weigh scale are used for measurement of coal flow rate and quantity. Other equipment’s like Pneumatic system, hydraulic system,Thruster Brake, monorail with hoist, pumps ,compressors etc are used in coal handling plant.
Yard Machine 638rl Belt Diagram - schematron.org Our MTD riding mower parts are easy to find and replace with our Part Finder Tool and helpful how-to articles. Replace your MTD lawn tractor parts so you can get back to your yard maintenance. Learn.Yard Machines 13AMG Parts List and Diagram - () : schematron.orgNeed diagram for drive belt on RL 38 inch - Fixya
Yardman 42 Inch Deck Belt Diagram Belt Keeper Rod $ Deck. We have parts, diagrams, accessories and repair advice to make your tool repairs easy. Yard Man 13AOH () Lawn Tractor Parts . Deck Belt Cover Lh Rod, Shift (38/42" Decks) I have a Yardman mower 7 speed shift on the go when I first start 1,2 and 3 gears work fine, but when it heats up only.
Yardman Drive Belt Diagram - Wiring Diagrams $ Step Install the new lower drive belt. Lawn mower belt installation is essentially the removal process in reverse. As you install the new lower drive belt, confirm the correct belt routing inside of all the belt keepers and through all the guide pins using the pictures taken before the lawn mower belt removal.
13B2775S000 - Yard Machines Lawn Tractor (2017) Parts ... 13B2775S000 - Yard Machines Lawn Tractor (2017) Parts & Diagrams Parts Lists & Diagrams. Lawn Tractor. Recommended Parts Show $ $ $ $ $ $ 13B2775S000 - Yard Machines Lawn Tractor (2017) > Parts Diagrams (31) Hide .Quick Reference. Battery. Controls. Dash-Lower. Dash-Upper. Deck. Deck Lift. Discharge Chute. Drive ...
Deck belt diagram for mtd yard machine 742 Rl - Fixya 2001 yard machine by mtd it has a 17.5 hp engine with a 46 inch deck how do i replace the idler pulley it is all burned up from the heat of the belt and i tried wrenches but it turns above the pulley and i...
13AF608G062 - Yard Machines Lawn Tractor (2002) (Lowes ... Repair parts and diagrams for 13AF608G062 - Yard Machines Lawn Tractor (2002) (Lowes) ... Parts & Diagrams Parts Lists & Diagrams. Lawn Tractor. Recommended Parts Show $ 13AF608G062 - Yard Machines Lawn Tractor (2002) (Lowes) > Parts Diagrams (9) Hide . 42" Cutting Deck. Axle & Wheels Front, Steering. Drive, Controls, Rear Wheels. Electric ...
How to Install a Drive Belt in a Lawn Tractor by Yard Machines Step 1 Park the tractor on a flat level surface and remove the key from the ignition switch. Remove the spark plug wire from the spark plug to prevent accidental starting. It should pull straight off easily. Place the "lift and disengagement" lever into the engaged position to properly tension the drive belt. Video of the Day Step 2
Yard machines by mtd belt diagram Yard machine riding lawn mower belt diagram. Belt diagram for 46 mtd yard machine riding mower Belt diagram for 46 mtd. Variety of mtd riding lawn mower wiring diagram. As per our directory this eBook is listed as BDFYMBMPDF-120 actually introduced on 5 Jan 2021 and then take about 1895 KB data size.
 
     
     
     
     
    _WW_1.gif) 
     
     
     
     
     
     
     
     
     
     
     
     
     
     
     
     
     
     
     
     
     
     
     
     
    _WW_2.gif) 
     
     
     
    
0 Response to "42 yard machine drive belt diagram"
Post a Comment