42 troy bilt ltx 1842 belt diagram
TroyBilt LTX 2146 Drive belts - houzz.com TroyBilt LTX 2146 Drive belts. akjas. 14 years ago. I need some help with the routing of the drive belts. I don't have a diagram. There are two belts, short one and the long one that attaches to the engine. I'm not sure how they are routed as the long one broke and tangled up the short one. Also do you have to dismantle half the tractor to put ... Troy Bilt 13AP609G063 LTX1842 (2003) Parts Diagram for ... Troy Bilt 13AP609G063 LTX1842 (2003) Deck Assembly G 42" Exploded View parts lookup by model. Complete exploded views of all the major manufacturers. It is EASY and FREE
LTX-1842 Troy-Bilt Lawn Mower Parts & Repair Help - PartSelect Get Parts and Repair Help for LTX-1842 Troy-Bilt Lawn Mower - Troy-Bilt Lawn Mower Model LTX-1842 (LTX1842, LTX 1842) Parts. View parts like TT Screw 1/4-20 x 0.5 and Steering Pinion Gear.

Troy bilt ltx 1842 belt diagram
Electrical Wiring Diagrams - Troy-Bilt Electrical wiring diagrams may be found in the Operator's Manual. More in-depth electrical troubleshooting information may also be found in the Professional Shop Manual for the product. For electrical diagrams for specific engines and independent brands, see below. Please use the following links to contact the engine manufacturers via their web ... Operator's Manuals - Troy-Bilt Engine Disclaimer: The engine horsepower information is provided by the engine manufacturer to be used for comparison purposes only. See your local servicing retailer for warranty details. Pricing Disclaimer: Posted price is in US Dollars and is the manufacturer's suggested sale price. Available models and pricing may vary by location. Troy Bilt 13CX609G063 18HP Lawn Tractor (2002) LT-1842 ... Troy Bilt 13CX609G063 18HP Lawn Tractor (2002) LT-1842 (2002) Parts Diagrams. SWIPE SWIPE. Deck 42-Inch. Drive, Rear Wheels, Frame. Engine Accessories. Frame & Seat. Hood & Fuel Tank. PTO, Battery, Frame. Steering & Front Axle.
Troy bilt ltx 1842 belt diagram. Troy Bilt Ltx 1842 Manual - hereqfile Troybilt LTX-1842 front-engine lawn tractor parts - manufacturer-approved parts for a proper fit every time! We also have installation guides, diagrams and manuals to help you along the way! Troy-Bilt 46-in Deck/Drive Belt for Riding Mower/Tractors (5-in W x 16-in L). Item #336086 Model #490-501-M009. Troy-bilt LTX-2146, LTX-1842 User Manual. Riding Mower PTO Belt - 954-0497 | Troy-Bilt US Riding Mower PTO Belt - 954-0497 | Troy-Bilt US. Service & Parts. Shop By Part Type. Belts. Riding Mower PTO Belt. Original Equipment Genuine Part (OEM) Item#: 954-0497. Free Shipping on Parts*. $44.13. Troy bilt bronco drive belt diagram Source: sleeperfurniture.co Drive Belt Diagram Troy Bilt Bronco Need a drive belt diagram for a troybilt super bronco Troy Bilt 13AQA2KW011 Super Bronco 54 2015 Parts Diagram Page 23 of Troy-Bilt Lawn Mower LTX-1842 User Guide Troy Bilt Pony drive belt change help - YouTube Troy Bilt 12ABW32G766 TB WC28 2016 Parts Diagram for. Troy Bilt Ltx 1842 Wiring Diagram - schematron.org Troy-Bilt A00 Manual Online: Wiring Diagrams, Battery Connections. RECOIL STARTER Lawn Mower Troy-Bilt LTX Operator's Manual. Pedal drive (48 .All Topics Topic Home & Garden Tools & Power Equipment» Wiring diagram for Troy Built Tractor LTX Wiring diagram for Troy Built Tractor LTX Asked Mar 25, , Troy-Bilt Lawn Tractor Wiring Diagram [ 1 ...
Troybilt LTX-1842 front-engine lawn tractor parts | Sears ... Troybilt LTX-1842 front-engine lawn tractor parts - manufacturer-approved parts for a proper fit every time! We also have installation guides, diagrams and manuals to help you along the way! Parts Lookup and OEM Diagrams | PartsTree Repair parts lookup and OEM diagrams for outdoor equipment like Toro lawn mowers, Cub Cadet tractors, Husqvarna chainsaws, Echo trimmers, Briggs engines. ... 13104 - Troy-Bilt Hydro LTX Lawn Tractor (SN: 131041200101 - 131041299999) 13105 - Troy-Bilt Hydro LTX Lawn Tractor (SN: 131051200101 - 131051299999) Troybilt LTX-1842 front-engine lawn tractor manual Download the manual for model Troybilt LTX-1842 front-engine lawn tractor. Sears Parts Direct has parts, manuals & part diagrams for all types of repair projects to help you fix your front-engine lawn tractor! Troy-Bilt Ltx1842 | 13AP609G063 | eReplacementParts.com 11. Flange L-Nut 3/ 8-16 Thd. $4.20. Part Number:912-0431. In Stock, 25+ available. checkmark. In Stock, 25+ available. Note: for Faster Service Obtain Standard Nuts, Bolts and Washer Locally. if These Items Cannot Be Obtained Locally, Order by Part Numb - 13-Lawn Tractors 2003 Models. $4.20.
Parts Lookup and OEM Diagrams | PartsTree LTX 1842 (13AP609G063) - Troy-Bilt 42" Lawn Tractor (2003) 2003 - Troy-Bilt Sweep Cultivator 13025 - Troy-Bilt Lawn Tractor, Gear Drive (SN: 130250200101 & Above) Troy Bilt LTX 1842 main drive belt routing, replacement ... 5/8" inch X 91" inch for the Long main drive belt, we got the wrong 1 1st: 90" & it measured 89" inches, so get the 91" inch. TAKE A PICTURE, BEFORE you take... Troy Bilt 13102 13HP LTX GEAR DRIVE LAWN TRACTOR (S/N ... Troy Bilt 13102 13HP LTX GEAR DRIVE LAWN TRACTOR (S/N 13102010010 Parts Diagrams. SWIPE SWIPE. 5-SPEED TRANSMISSION ASSEMBLY. BODYWORK & TRIM ASSEMBLY. ELECTRICAL ASSEMBLY. ENGINE ASSEMBLY. Troy Bilt Bronco Riding Mower Belt Diagram Troy Bilt 13WX78KS Bronco () Drive & Transmission Parts Diagram . PLUG DECK HOLE 7/8 $ 36 A Upper Drive Belt. Troy Bilt 13WX78KS Bronco () Mower Deck Inch Exploded View parts lookup by model. Complete exploded views of all the major manufacturers. This is how you remove and change the deck belt on your Troy-Bilt riding lawn mower.
Troybilt ltx 1842 problems - Lawn Mower Forum Name is Bryan. Im having trouble diagnosing a problem with my Troybilt LTX 1842. A Little Background. Last year the Drive belt from the motor to the rearend broke. I replaced it and ever since I have had the problem of the Little belt in the back coming off under strain. By that I mean going up a hill, doesnt do it all the time but I had to ...
Troy-Bilt Parts Diagrams Lookup Parts by Diagram. Use our parts diagram tool below to find the parts you need for your machine. Select the model and year, then browse the parts diagrams to find the right part. Add to cart when you're ready to purchase and we'll ship it to you as soon as possible! Financing Now Available for Online Purchases.*. Learn More.
Troy Bilt Ltx 1842 Belt Diagram DOWNLOAD Troy Bilt Ltx 1842 Belt Diagram. Close DOWNLOAD. Troy Bilt Ltx 1842 Belt Diagram. Did your Troybilt model LTX lawn, tractor break down? SAVE money Parts Diagrams (10) How to Replace a Riding Lawn Mower Blade Drive Belt. file. 13APG LTX For Discount Troy Bilt Parts Call or Push Cap, (Model LTX). 1. /P .
Troy-Bilt Lawn Mower Model LTX-1842 Parts - Repair Clinic Troy-Bilt Lawn Mower Model LTX-1842 Parts. Troy-Bilt Lawn Mower Model LTX-1842 Parts are easily labeled on this page to help you find the correct component for your repair. Filter results by category, title and symptom. You can also view diagrams and manuals, review common problems that may help answer your questions, watch related videos, read insightful articles or use our repair help guide ...
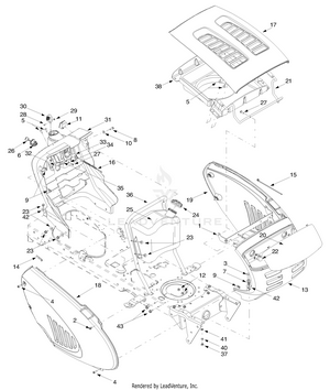
Troy-Bilt LTX 1842 (13AP609G063) - Troy-Bilt 42" Lawn ... LTX 1842 (13AP609G063) - Troy-Bilt 42" Lawn Tractor (2003) PTO Drive, Battery, Frame Components Parts Diagram
Parts Lookup and OEM Diagrams | PartsTree Repair parts lookup and OEM diagrams for outdoor equipment like Toro lawn mowers, Cub Cadet tractors, Husqvarna chainsaws, Echo trimmers, Briggs engines. ... LTX 1842 (13AP609G063) - Troy-Bilt 42" Lawn Tractor (2003) LT-1842 (13CX609G063) - Troy-Bilt 42" Lawn Tractor (2002)
Troy Bilt 13AP609G063 LTX1842 (2003) Parts Diagram for PTO ... Troy Bilt 13AP609G063 LTX1842 (2003) PTO Drive, Battery, Frame Components Exploded View parts lookup by model. Complete exploded views of all the major manufacturers. It is EASY and FREE
Troy-Bilt Lawn Tractor | 13AP609G063 LTX1842 ... Troy-Bilt 13AP609G063 LTX1842 (2003) Lawn Tractor Parts. We Sell Only Genuine Troy-Bilt Parts ... Models Equipped With a 42-Inch - .625 Model Ltx-1842. $8.89. In Stock, 25 available Add to Cart $8.89 Add to Cart 31 Washer. $3.66 Part Number: 736-0242. In Stock, 25+ available ... Belt Guard Obsolete - Not Available. $6.79 Part Number: 747-1123A.
Troy Bilt 13AP609G063 LTX1842 (2003) Parts Diagrams Troy Bilt 13AP609G063 LTX1842 (2003) Parts Diagrams. Parts Lookup - Enter a part number or partial description to search for parts within this model. There are (405) parts used by this model. Use applicable flat washer in this application allowing .036/.018 (cross) or .010/.005 (double cross) end play. SPRING EXTENSION .
PDF Troy-Bilt Parts Manual - mymowerparts.com For Discount Troy Bilt Parts Call 606-678-9623 or 606-561-4983. 13AT609H063 LTX2146 (2003) Page 2 of 20 Axle, Front, Steering Assembly, Wheels, Front ... LTX-1842) 1 S 638-0021 LH Axle Assembly .625 / .750 Dia.(Model ... 41 711-0993 1 S Belt Guard Pin 42 783-0139A 1 S Idler Bracket 43 783-0141 1 Center Deck Skirt
Troy Bilt 13CX609G063 18HP Lawn Tractor (2002) LT-1842 ... Troy Bilt 13CX609G063 18HP Lawn Tractor (2002) LT-1842 (2002) Parts Diagrams. SWIPE SWIPE. Deck 42-Inch. Drive, Rear Wheels, Frame. Engine Accessories. Frame & Seat. Hood & Fuel Tank. PTO, Battery, Frame. Steering & Front Axle.
Operator's Manuals - Troy-Bilt Engine Disclaimer: The engine horsepower information is provided by the engine manufacturer to be used for comparison purposes only. See your local servicing retailer for warranty details. Pricing Disclaimer: Posted price is in US Dollars and is the manufacturer's suggested sale price. Available models and pricing may vary by location.
Electrical Wiring Diagrams - Troy-Bilt Electrical wiring diagrams may be found in the Operator's Manual. More in-depth electrical troubleshooting information may also be found in the Professional Shop Manual for the product. For electrical diagrams for specific engines and independent brands, see below. Please use the following links to contact the engine manufacturers via their web ...
0 Response to "42 troy bilt ltx 1842 belt diagram"
Post a Comment