Iklan 300x250

38 cummins isc fuel system diagram

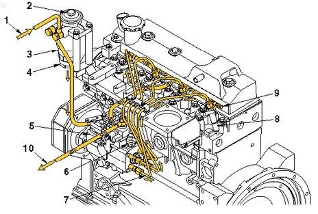
Fuel System Cummins QSB3.3 - Electronic Engine - Blog.Teknisi 5. Fuel pump 6. Fuel shutoff solenoid 7. High-pressure fuel line 8. Injector 9. Fuel drain manifold 10. Fuel return to tank. Electronic Controlled Fuel System General Information The ISB, ISC, and ISL with CM2150 electronic control modules (ECM) are electronically operated fuel control systems that also provide many operator and vehicle features. Cummins ISL ISC fuel diagram - YouTube Here's a redneck diagram of the fuel system on a CUmmins ISL/ISC engine. I left out the fuel return by accident but I explained it in a connotation.

Cummins ISC, QSC and 6CTA Parts fuel transfer pump - isb / isc / qsc / 6cta: 4988747: cummins fuel lines for 8.3, isc, 6cta, and qsc engines: 191: fuel injector fuel supply tube - c series (cylinder # 3) 3906785: 192: fuel injector fuel supply tube - c series (cylinder # 6) 3906788: 193

Cummins isc fuel system diagram

Cummins isc fuel system diagram

ISC (EPA 2004) | Cummins Inc. ISC (EPA 2004) Power 240 - 315 hp. 179 - 235 kW. Torque 660 - 950 lb-ft. 895 - 1288 N•m. Certification. Click Here to Contact Sales. Cummins Cooling System Diagram - Diagram Niche Ideas C command hd elite plus panel system wiring diagram (4358469) isb_isd4.5 cm2150 b119 wiring diagram (4358474) isb_isd6.7 cm2150 b120 wiring diagram. This manual provides instructions for mechanical troubleshooting and repair of the cummins isc isce qsc83 isl isle3 isle4 and qsl9 engines in the chassis. Cummins ISC / QSC Mechanical Troubleshooting & Repair ... Cummins ISC / QSC Mechanical Troubleshooting & Repair Manual. $ 295.95. Print versiion. OEM factory Cummins ISC, ISCe, QSC8.3, ISL, ISLe3, ISLe4 & QSL9 engine troubleshooting & repair manual. No coverage for engine control system; that is covered in TM1443.

Cummins isc fuel system diagram. PDF Cummins Isc Wiring Diagram - cropover.nationnews.com 2003 Cummins ISC-350HP "CAPS" FUEL PUMP FAILURE (Fault 6 Best Images of Cummins N14 Engine Diagram - Cummins M11 Monaco knight 2009 with Cummins ISC 360. Believe it has a CUMMINS SYSTEM DIAGRAMS CUMMINS SYSTEM DIAGRAMS Orders flowing in for new Cummins ISXe5 - Diesel news Isc 8.3 cummins I removed fuel line that connects to Fuel System Components for Cummins 8.3L Engines | 6CTA Show/Hide Details. We offer a great choice of Cummins C Series fuel system components, including fuel injectors, lift pumps, fuel lines, and fuel filters. We carry parts for 6CTA, ISC, and QSC 8.3 liter diesel engines. If you need any help finding a part, please use our quote request form or call us at 855.470.3525: our experienced sales staff ... Helpful Cummins ISC Information The original ISC engine featured a Cummins Accumulator Pump System (CAPS). This CAPS pump was a computer controlled injection pump, with individual fuel lines to each injector. In 2003, Cummins released the updated ISC engine. Among other differences, the most significant was the change to the High Pressure Common Rail (HPCR) fuel system. Cummins Isx Fuel System Diagram - schematron.org Cummins Isx Fuel System Diagram. Hello, 06 ISX has a noise and vibration under a hard pull with some smoke. At idle ( rpm) the line is half air and half fuel - foamy mix. M11 Engine Diagram_exhaust side. M11 Engine Diagram_fuel pump side. Fuel System Flow Diagram.

UP95G - Heavy Duty Lift Pump for Cummins ISC & ISL CAPS ... Applications: 1998.5-2003 Cummins 5.9L ISB (275/300HP) VP Fuel System. 1998.5-2005 Cummins 8.3L ISC (315/330/350HP) CAPS Fuel System. 1998.5-2003 Cummins 8.9L ISL (380/400HP) CAPS Fuel System. This heavy duty adjustable fuel pump is designed to meet the demands of the added strain of a performance module on the CAPS fuel system. 8.3 Cummins Fuel Shutoff solenoid Wiring Diagram ... 8.3 cummins fuel shutoff solenoid wiring diagram - What is a Wiring Diagram? A wiring diagram is a simple visual representation of the physical connections and physical layout associated with an electrical system or circuit. A cummins isc common rail fuel system..engine ... - JustAnswer I have a 2006 peterbilt model 335 with a cummins isc common rail fuel system. Our shop and I have been working on the for about a week now. Problem: engine cranks for a long time before starting. after getting started runs just fine no problem with power. shut engine off and will start right back up no problem. let sit about 30 minutes and same problem with no start. have check electric fuel ... [Wiring Diagram] - Cummins Wiring Diagram Full ... Cummins Wiring Diagram Full Size: 2.87Gb Language: English Type: pdf, html, exe Models: Cummins B Series Shop Manual 1991 and 1994 Certification Levels Cummins B5.9G C8.3G L10G ELECTRONIC CONTROL SYSTEM Master G5.9 G8.3 G855 G14 G19 G28 G38 G60 G19GC (3666193) Cummins ISB and QSB5.9-44...

Cummins 8.3 CAPS Fuel System - YouTube Cummins Accumulator Pump fuel systemMinimum pressure: 300-320 barMaximum pressure: 1000-1200 barCummins ISC 8.3New holland tgCase ih magnum Cummins ISC Electric Fuel Pump | Mechanics Hub Cummins ISC Fuel Transfer Pump The Cummins ISC Diesel Engine is the electronic version of the C mechanical model. The ISC uses a electronically controlled fuel transfer pump compared to the older mechanical version. There have been some failures in our fleet with the electronically controlled pump but not in epidemic proportions. Cummins ISC & ISL Service Manual (CM2150) - TruckManuals.com SKU: TMCU1569 Category: Cummins Service Manuals. Description. Reviews (0) Factory printed manual. Factory Cummins engine service manual. Covers mechanical troubleshooting & repair. Engines: ISC & ISL. Engine Control Module: 2150. No coverage for engine electronic control system. Helpful Cummins ISL Information - Diesel-Service-Parts.com The original ISL engine feautured a fuel pump similiar to the ISC. This pump is known as the Cummins Accumulator Pump System (CAPS). This CAPS pump was a computer controlled injection pump, with individual fuel lines to each injector. In 2003, Cummins released the updated ISL engine.

Fass pump install - Engine, Transmission, & Engine Cooling ...

Fass pump install - Engine, Transmission, & Engine Cooling ...

Fuel Systems | Cummins Inc. Cummins has some of the best research, development and engineering minds in the industry. Our advanced, world-class technologies help you get the most out of your fuel system. Cummins leverages over 80 years of Fuel Systems experience in its current operations, located in Columbus, Indiana; El Paso, Texas; and Juarez, Mexico. Cummins produces and remanufactures both unit injector and common ...

Cummins ISC - Engine Starts But Then Quits & Why We Upgraded ...

Cummins ISC - Engine Starts But Then Quits & Why We Upgraded ...

24V Cummins Fueling System Diagram - Diesel Database 23. Fuel Injector Connector. 24. Drain Tube. 25. Intake Manifold Air Heater / Elements. [thanks to Fritz] This entry was posted in Fuel Systems and tagged diagram, Dodge 24V Cummins (98.5-02), fuel. Bookmark the permalink.

Signature and ISX CM870 Fuel System - dieselclass.com - Flip ...

Signature and ISX CM870 Fuel System - dieselclass.com - Flip ...

PDF 100-002 Engine Diagrams - JustAnswer 5. Fuel rail 6. Fuel drain manifold 7. Fuel filter 8. Crankcase breather draft tube 9. Crankcase breather oil drain tube 10. Starter 11. Engine oil drain plug 12. Fuel lift pump (behind ECM) 13. Electronic control module (ECM) 14. Air compressor 15. Engine data plate 16. High-pressure fuel pump Engine Diagrams Page 3 of 21

OEM 4076443RX Cummins ISC 8.3L 8.9L Fuel Pump 2000-2002

OEM 4076443RX Cummins ISC 8.3L 8.9L Fuel Pump 2000-2002

Cummins ISL And ISC Engines With CAPS Fuel Injector ... Beginning in 1998, Cummins introduced the ISC based off the earlier mechanical 8.3 C-series engine. The original ISC engine featured a Cummins Accumulator Pump System (CAPS). This CAPS pump was a computer controlled injection pump, with individual fuel lines to each injector. In 2003 the HPCR system was introduced.

Cummins Engine Serial Number Lookup | Diesel Parts Direct

Cummins Engine Serial Number Lookup | Diesel Parts Direct

Fuel System Cummins ISX15 CM2350 - Electronic Engine ... Fuel System Cummins ISX15 CM2350 - Electronic Engine. Blog.Teknisi Thursday, December 24, 2015 CUMMINS Diesel Engines. Flow Diagram. Without Thermal Recirculation Valve. 1. Fuel supply from tank. 2. Priming pump.

Cummins Engines ISC, ISCe, QCS8.3, ISL, QSL9 PDF ...

Cummins Engines ISC, ISCe, QCS8.3, ISL, QSL9 PDF ...

Cummins ISB and QSB Parts fuel supply tube brace - isb / isc / qsc: 3930688: 209: fuel manifold - isb / qsb: 3909696: fleetguard fuel filters for cummins isb and qsb engines: 210: fuel filter (user friendly version) ff42000: 211: fuel/water separator filter (spin-on) fs1251: 212: fuel filter: ff5580: 213: fuel/water separator filter (spin-on) fs1000: 214

Cummins ISC, QSC8.3, ISL and QSL9 Engines Shop Service Manual

Cummins ISC, QSC8.3, ISL and QSL9 Engines Shop Service Manual

5.9 Cummins Fuel System Diagram - schematron.org Pump) Buy Cummins Fuel Lift Pump; Air in fuel system to injection pump. Look in your service manual for the wiring diagram.Mar 31, · This is my way of removing air from fuel system of dodge cummins. Feb 03, · Here's a redneck diagram of the fuel system on a CUmmins ISL/ISC engine.

CUMMINS ISB, QSB, ISC, QSC, ISL,QSL CM850 Electronic Control System 4021416  CD | eBay

CUMMINS ISB, QSB, ISC, QSC, ISL,QSL CM850 Electronic Control System 4021416 CD | eBay

Cummins Fuel Fuel System - The Cummins Lift Pump The Bosch P7100 is the King of Injection Pumps. Cummins Fuel Fuel System - The Cummins Lift Pump. This article is number one in a six part series on the Cummins fuel system (1994 to 1998 equipped with the P pump). This applies to the Cummins 5.9 and 8.3 diesel, as they share the same lift and injection pump.

CUMMINS ISB SERVICE MANUAL Pdf Download | ManualsLib

CUMMINS ISB SERVICE MANUAL Pdf Download | ManualsLib

PDF Cummins Isx Engine Parts Diagram Cummins Isx Engine Parts Diagram - lunarheiress.blogspot.com Heres a redneck diagram of the fuel system on a cummins islisc engine. In 2003 the hpcr syst. Isc caps fuel pump sensors t755 this service parts topic announces the new fuel pressure sensor system on the isc caps fuel pump.

Cummins IS Interact System&HPI-TP Fuel System | Auto Repair ...

Cummins IS Interact System&HPI-TP Fuel System | Auto Repair ...

Cummins ISC 8.3 Engine Specs and History - Big Bear Engine ... The big engineering feat of the Cummins ISC 8.3 L was the ability to over-lubricate the engine and reduce the possibility of thrown rods or spun bearings. The frequency of oil changes was examined and then designed to dramatically reduce them to, on average, once every 15,000 miles. Oil Filter 15,000 Miles, 500 Hours, or 6 Months.

CUMMINS ISC 8.3L ISL 8.9L CM2150 DIESEL ENGINE WORKSHOP ...

CUMMINS ISC 8.3L ISL 8.9L CM2150 DIESEL ENGINE WORKSHOP ...

PDF EVERY DEST TM INATION. ISC 360 - RV Tech Library The ISC was developed to optimize every aspect of the engine's operation, utilizing Cummins comprehensive in-house design approach to every engine system from the air intake to the exhaust system. Integration of Cummins advanced electronic controls, VG Turbo, high-pressure fuel system, combustion technology and exhaust aftertreatment is how the

Cummins ISC 8.3 Engine Specs and History | Big Bear Engine ...

Cummins ISC 8.3 Engine Specs and History | Big Bear Engine ...

Cummins ISC / QSC Mechanical Troubleshooting & Repair ... Cummins ISC / QSC Mechanical Troubleshooting & Repair Manual. $ 295.95. Print versiion. OEM factory Cummins ISC, ISCe, QSC8.3, ISL, ISLe3, ISLe4 & QSL9 engine troubleshooting & repair manual. No coverage for engine control system; that is covered in TM1443.

Isx 15 Fuel Diagram | PDF

Isx 15 Fuel Diagram | PDF

Cummins Cooling System Diagram - Diagram Niche Ideas C command hd elite plus panel system wiring diagram (4358469) isb_isd4.5 cm2150 b119 wiring diagram (4358474) isb_isd6.7 cm2150 b120 wiring diagram. This manual provides instructions for mechanical troubleshooting and repair of the cummins isc isce qsc83 isl isle3 isle4 and qsl9 engines in the chassis.

5 Tips for Diagnosing a Common Rail Fuel Injection System ...

5 Tips for Diagnosing a Common Rail Fuel Injection System ...

ISC (EPA 2004) | Cummins Inc. ISC (EPA 2004) Power 240 - 315 hp. 179 - 235 kW. Torque 660 - 950 lb-ft. 895 - 1288 N•m. Certification. Click Here to Contact Sales.

Leak determination help - Winnebago Owners Online Community

Leak determination help - Winnebago Owners Online Community

Cummins Marine 330B 370B Diamond Fuel Maze Diagram - Seaboard ...

Cummins Marine 330B 370B Diamond Fuel Maze Diagram - Seaboard ...

USED) 2006 Cummins ISC 8.3L Diesel Engine, 285HP CM850 For ...

USED) 2006 Cummins ISC 8.3L Diesel Engine, 285HP CM850 For ...

Cummins CM2150 Control System Troubleshooting Manual ...

Cummins CM2150 Control System Troubleshooting Manual ...

Fuel Shutoff Solenoid Wiring 101 - Seaboard Marine

Fuel Shutoff Solenoid Wiring 101 - Seaboard Marine

Cummins ISBe_ISB_and_QSB-vol1 (Common Rail Fuel System ...

Cummins ISBe_ISB_and_QSB-vol1 (Common Rail Fuel System ...

Cummins ISC 8.3 Stalls and heals overnight. Fuel pump? ECM ...

Cummins ISC 8.3 Stalls and heals overnight. Fuel pump? ECM ...

How an Aftertreatment System Works | Cummins Inc.

How an Aftertreatment System Works | Cummins Inc.

Fuel System Cummins ISX15 CM2350 - Electronic Engine - Blog ...

Fuel System Cummins ISX15 CM2350 - Electronic Engine - Blog ...

2003 Cummins ISC-350HP

2003 Cummins ISC-350HP "CAPS" FUEL PUMP FAILURE (Fault Codes ...

Basic Engine Course

Basic Engine Course

Cummins IS – Interact System

Cummins IS – Interact System

Cummins ISC 8.3 Engine Specs and History | Big Bear Engine ...

Cummins ISC 8.3 Engine Specs and History | Big Bear Engine ...

I have an 07 International 9400 with an ISX cummins. The ...

I have an 07 International 9400 with an ISX cummins. The ...

Fuel System Cummins QSB3.3 - Electronic Engine - Blog.Teknisi

Fuel System Cummins QSB3.3 - Electronic Engine - Blog.Teknisi

CUMMINS MANUALS

CUMMINS MANUALS

Cummins ISX15 and QSX15 manuals and spec sheets

Cummins ISX15 and QSX15 manuals and spec sheets

Bulletin #:

Bulletin #:

2003 Cummins ISC-350HP

2003 Cummins ISC-350HP "CAPS" FUEL PUMP FAILURE (Fault Codes ...

Download Cummins ISC ISCe QSC8.3 ISL ISLe3 ISLe4 QSL9

Download Cummins ISC ISCe QSC8.3 ISL ISLe3 ISLe4 QSL9

Electronic Fuel Injection Systems for Heavy-Duty Engines

Electronic Fuel Injection Systems for Heavy-Duty Engines

Electronic Fuel Injection Systems for Heavy-Duty Engines

Electronic Fuel Injection Systems for Heavy-Duty Engines

SPN 157 - FMI 0 (Fault Code 1911) - Blog.Teknisi

SPN 157 - FMI 0 (Fault Code 1911) - Blog.Teknisi

Cummins ISL Fuel Pressure Relief Valve Code 4726

Cummins ISL Fuel Pressure Relief Valve Code 4726

0 Response to "38 cummins isc fuel system diagram"

Post a Comment

Iklan Atas Artikel

Iklan Tengah Artikel 1

Iklan Tengah Artikel 2

Iklan Bawah Artikel