Iklan 300x250

41 murray mowers parts diagram

Murray Rear-Engine Riding Mowers Parts with Diagrams ... All models of Murray Rear-Engine Riding Mowers. Fix it fast with OEM parts list and diagrams. The Right Parts, Shipped Fast! ... Murray Rear-Engine Riding Mowers Parts Lookup & Diagrams Murray Rear-Engine Riding Mowers ( 66 Models ) 13CC26JD058 - Murray Rear-Engine Riding Mower (2018) M 115-38 (13AC77LF058) - Murray Lawn Tractor (2017) Parts ... M 115-38 (13AC77LF058) - Murray Lawn Tractor (2017) Parts & Diagrams Parts Lists & Diagrams. Lawn Tractor. Recommended Parts Show $ M 115-38 (13AC77LF058) - Murray Lawn Tractor (2017) > Parts Diagrams (25) Hide . Battery. Deck. Deck Lift. Drive. Engine Accessories. Fender. Footpad. Frame. Front Axles & Ignition Switch. Fuel Tank ...

Murray Lawn Mower Parts | Fast Shipping ... Murray Lawn Mower parts that fit, straight from the manufacturer. Use our interactive diagrams, accessories, and expert repair help to fix your Murray Lawn Mower . Please note shipping times may be longer than expected due to carrier delays. 877-346-4814. Departments ...

Murray mowers parts diagram

Murray mowers parts diagram

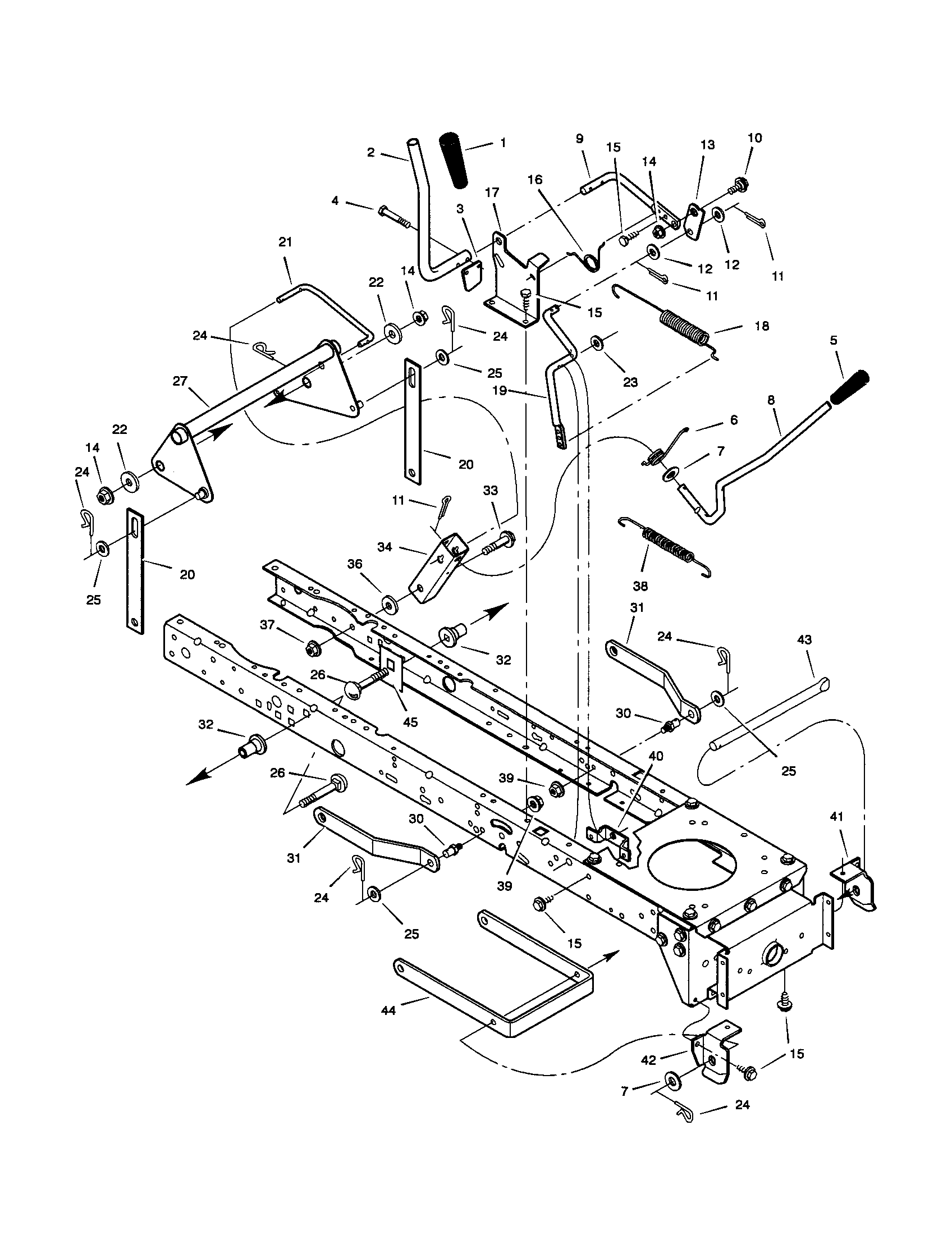
Murray Riding Mower Wiring Diagram - U Wiring Murray Riding Lawn Mower Wiring Diagram wiring diagram is a simplified gratifying pictorial representation of an electrical circuit. Murray Riding Mower Wiring Diagram Effectively read a cabling diagram one offers to find out how the particular components inside the system operate. Over 2 Million Parts Ready To Ship. Murray Riding Mower Parts Diagram | Automotive Parts ... Description: Murray 30577X8A Parts List And Diagram - (1999 with Murray Riding Mower Parts Diagram, image size 590 X 747 px, and to view image details please click the image.. Here is a picture gallery about murray riding mower parts diagram complete with the description of the image, please find the image you need. Murray Lawn Mower Spare Parts NO GENUINE MURRAY SPARE PARTS ARE AVAILABLE AT THIS TIME PLEASE USE OUR SEARCH ENGINE TO FIND THE MURRAY PARTS YOU ARE LOOKING FOR WE HAVE MANY OEM REPLACEMENT PARTS AVAILABLE INCLUDING BELTS, SPINDLE HOUSINGS, BLADES, FILTERS, WHEELS & MORE IF Y. Buy Murray Lawn Mower Spare Parts online today from All Mower Spares! ... View exploded parts diagram.

Murray mowers parts diagram. 13AM775S058 - Murray Lawn Tractor (2014) Parts & Diagrams ... 13AM775S058 - Murray Lawn Tractor (2014) Parts & Diagrams Parts Lists & Diagrams. Lawn Tractor. Recommended Parts Show $ $ $ $ 13AM775S058 - Murray Lawn Tractor (2014) > Parts Diagrams (10) Hide .Quick Reference. Engine Accessories. Frame, PTO & Lift. Front End Steering ... Murray Mower Parts Lists Murray Sit on mower parts lists. Murray ride on Mowers usually have a white model I>D> label on the rear of the machine. The model number is usually identified with 6 numbers then "x" and two further numbers as below: Murray model 30504x92A (1999) sit on mower spare parts lists. Murray model 30505x92A (2000) sit down mower parts lists. Murray Mower Deck Assemblies Parts with Diagrams - PartsTree Murray Mower Deck Assemblies Parts Lookup & Diagrams Murray Mower Deck Assemblies Parts Lookup & Diagrams Murray Mower Deck Assemblies ( 18 Models ) 1694863 - Murray 44" Mower Deck. 1695642 - Murray 46" & 52" Mower Deck Turbo. 1695642 A-00 - Murray 46" & 52" Mower Deck Turbo. Murray riding mowers tractors parts | Sears PartsDirect Murray riding mowers tractors parts - manufacturer-approved parts for a proper fit every time! We also have installation guides, diagrams and manuals to help you along the way!

Murray 96114002601 gas walk-behind mower parts | Sears ... Murray 96114002601 gas walk-behind mower parts - manufacturer-approved parts for a proper fit every time! We also have installation guides, diagrams and manuals to help you along the way! Support | Manuals - Murray If you know the model number of your Murray product, enter it in the search window below to locate Operator's Manuals, Illustrated Parts Lists and Wiring Diagrams. Find Your Murray Model Number Model Numbers on Murray riding lawn mowers are found on the back of the mower or under the seat. Murray Parts Diagram Indexes Murray - Murray Outdoor Products Outdoor Power Products Walk Behind Mowers, Tractors, Rear Engine Riders, Tillers, Chippers, Shredders, Edgers, Grass Catchers, Go-karts, Scooters, Snowthrowers, Sweepers and Trimmers Murray 1695967 - 42" Mower Deck (2011) Parts Diagrams Murray 1695967 - 42" Mower Deck (2011) Exploded View parts lookup by model. Complete exploded views of all the major manufacturers. It is EASY and FREE

Murray 20615X8A gas walk-behind mower parts | Sears ... Murray 20615X8A gas walk-behind mower parts - manufacturer-approved parts for a proper fit every time! We also have installation guides, diagrams and manuals to help you along the way! Murray Illustrated Parts Lists - Lawnmower Pros We are an Authorized Murray Mower service dealer carrying a large selection of Murray Illustrated Parts Lists. If you do not see the Murray Part you need, please complete the Lawn Parts Request Form and we will be happy to assist you. MURRAY. CULTIVATOR. 11052X30B. Murray M20300 - Lawn Mower Parts | Small Engine Parts Murray M20300 - 96114002402, 20" Murray Walk Behind Mower (2012) Parts Diagrams. Parts Lookup - Enter a part number or partial description to search for parts within this model. There are (38) parts used by this model. Murray Lawn & Garden Tractors Parts with Diagrams - PartsTree Murray Lawn & Garden Tractors Parts Lookup & Diagrams Murray Lawn & Garden Tractors ( 718 Models ) 7800273 (312006x115A) - Murray Agroma 30" Lawn Tractor, Canada (2008)

Murray 425303X92A front-engine lawn tractor parts | Sears ...

Murray 425303X92A front-engine lawn tractor parts | Sears ...

Murray Walk-Behind Mowers Parts with Diagrams - PartsTree 675 EXI (2691764-00) - Murray 21" Self-Propelled Walk-Behind Mower 200500 - Murray 16" Steelfort Lazer Walk-Behind Mower (2006) 883265 - Murray Twin, 18V 37cm Walk-Behind Mower Kit

Murray 46

Murray 46" Deck 1999 - 2009 | Small Engine Equipment Parts

Murray Parts Lookup by Model - Lawn Mower Parts We sell parts & accessories for your Ariens lawn mower, zero turn, snow blower and other power equipment. ... Murray Parts Diagrams 1994 Models. 1995 Models. 1996 Models. 1997 Models. 1998 Models. 1999 Models. 2000 Models. 2001 Models. 2002 Models. 2003 Models. 2004 Models. 2005 Models. 2006 Models.

Second hand Murray Mower Parts in Ireland | View 62 ads

Second hand Murray Mower Parts in Ireland | View 62 ads

Murray Lawn Mower Parts | Same Day Shipping | Millions of ... If your Murray Lawn Mower is broken, PartSelect.com can help. We offer over 2 million repair parts, step by step instructions and installation videos to help you complete your Murray repair. Use your model number and get started ordering Murray Lawn Mower parts today!

MURRAY 309007x8B LAWN TRACTOR MOWER OPERATORS INSTRUCTION MANUAL W PARTS  LIST | eBay

MURRAY 309007x8B LAWN TRACTOR MOWER OPERATORS INSTRUCTION MANUAL W PARTS LIST | eBay

Murray Lawn Mower Spare Parts NO GENUINE MURRAY SPARE PARTS ARE AVAILABLE AT THIS TIME PLEASE USE OUR SEARCH ENGINE TO FIND THE MURRAY PARTS YOU ARE LOOKING FOR WE HAVE MANY OEM REPLACEMENT PARTS AVAILABLE INCLUDING BELTS, SPINDLE HOUSINGS, BLADES, FILTERS, WHEELS & MORE IF Y. Buy Murray Lawn Mower Spare Parts online today from All Mower Spares! ... View exploded parts diagram.

Pin on sears lt2000

Pin on sears lt2000

Murray Riding Mower Parts Diagram | Automotive Parts ... Description: Murray 30577X8A Parts List And Diagram - (1999 with Murray Riding Mower Parts Diagram, image size 590 X 747 px, and to view image details please click the image.. Here is a picture gallery about murray riding mower parts diagram complete with the description of the image, please find the image you need.

Parts and Repair Resource: Murray Lawn Mower 96114002800 ...

Parts and Repair Resource: Murray Lawn Mower 96114002800 ...

Murray Riding Mower Wiring Diagram - U Wiring Murray Riding Lawn Mower Wiring Diagram wiring diagram is a simplified gratifying pictorial representation of an electrical circuit. Murray Riding Mower Wiring Diagram Effectively read a cabling diagram one offers to find out how the particular components inside the system operate. Over 2 Million Parts Ready To Ship.

Murray 40603B Lawn Tractor Parts List - [PDF Document]

Murray 40603B Lawn Tractor Parts List - [PDF Document]

Murray 21P67H30 - 96137002200, 21

Murray 21P67H30 - 96137002200, 21" Murray Walk Behind Mower ...

Murray Lawn Mower | 7800258 | eReplacementParts.com

Murray Lawn Mower | 7800258 | eReplacementParts.com

Murray 224110x92A - Walk-Behind Mower (2004) Parts Diagrams

Murray 224110x92A - Walk-Behind Mower (2004) Parts Diagrams

13AM775S058 - Murray Lawn Tractor (2014) Parts Lookup with ...

13AM775S058 - Murray Lawn Tractor (2014) Parts Lookup with ...

Pin on riding lawn mower

Pin on riding lawn mower

Murray 425303X92A front-engine lawn tractor parts | Sears ...

Murray 425303X92A front-engine lawn tractor parts | Sears ...

Murray 40541X99D Lawn Mower Parts | Lawnmower Pros

Murray 40541X99D Lawn Mower Parts | Lawnmower Pros

Murray 21P68H30 (961370024-00) - Murray 21

Murray 21P68H30 (961370024-00) - Murray 21" Walk-Behind Mower ...

Murray 7601092MA Fuel Tank Kit for Lawn Movers : Amazon.co.uk ...

Murray 7601092MA Fuel Tank Kit for Lawn Movers : Amazon.co.uk ...

Stuurinrichting voor Murray Type 46250X65A

Stuurinrichting voor Murray Type 46250X65A

Murray 21P68H30 - 96137002400, Murray 21

Murray 21P68H30 - 96137002400, Murray 21" Walk-Behind Mower ...

NOMA Murray E3912 Lawn Tractor 12 hp & 39

NOMA Murray E3912 Lawn Tractor 12 hp & 39" Mower Deck Owner & Parts Manual | eBay

KGRO PowerPRO T4315 Murray Riding Lawn Tractor Mower Owner & Parts Manual  1995 | eBay

KGRO PowerPRO T4315 Murray Riding Lawn Tractor Mower Owner & Parts Manual 1995 | eBay

Not for Reproduction | Manualzz

Not for Reproduction | Manualzz

Sears LT/11 Lawn Tractor 502.255291 Owner & Parts Manual Murray Suburban  Farm hp | eBay

Sears LT/11 Lawn Tractor 502.255291 Owner & Parts Manual Murray Suburban Farm hp | eBay

MURRAY 405004X99 RIDING MOWER ILLUSTRATED PARTS LIST | Manualzz

MURRAY 405004X99 RIDING MOWER ILLUSTRATED PARTS LIST | Manualzz

Page 1 of 1 Murray e-Parts Catalog 29.06.2010 http://eparts ...

Page 1 of 1 Murray e-Parts Catalog 29.06.2010 http://eparts ...

Murray 42515x92B - Lawn Tractor (2002) Parts Diagram for ...

Murray 42515x92B - Lawn Tractor (2002) Parts Diagram for ...

13AM775S058 - Murray Lawn Tractor (2014) Parts Lookup with ...

13AM775S058 - Murray Lawn Tractor (2014) Parts Lookup with ...

Briggs & Stratton Yard Power (formerly Murray)_ ...

Briggs & Stratton Yard Power (formerly Murray)_ ...

Murray 9-38600 front-engine lawn tractor parts | Sears ...

Murray 9-38600 front-engine lawn tractor parts | Sears ...

Bolens 125-cc 20-in Gas Push Lawn Mower with Briggs ...

Bolens 125-cc 20-in Gas Push Lawn Mower with Briggs ...

Stuurinrichting voor Murray Type 31200X50A - KRAMP

Stuurinrichting voor Murray Type 31200X50A - KRAMP

Murray M 135-38 (13A1762F058) - Murray Lawn Tractor (2019 ...

Murray M 135-38 (13A1762F058) - Murray Lawn Tractor (2019 ...

Briggs & Stratton Yard Power (formerly Murray)_ ...

Briggs & Stratton Yard Power (formerly Murray)_ ...

7800292 Murray - 385002x108C, Lawn Tractor Rover (2008 ...

7800292 Murray - 385002x108C, Lawn Tractor Rover (2008 ...

wiring murray lawn mower model Questions & Answers (with ...

wiring murray lawn mower model Questions & Answers (with ...

Murray model 30500X92A (1998) ride on mower spare parts list ...

Murray model 30500X92A (1998) ride on mower spare parts list ...

KRAMP - Onderdelen - universeel voor Murray Type 40318X50A

KRAMP - Onderdelen - universeel voor Murray Type 40318X50A

SEARS MURRAY LAWN Garden Tractor 42

SEARS MURRAY LAWN Garden Tractor 42" 502.253621 Mower Imple ...

Murray Riding Lawn Mower Tractor 938600 Owner & Parts Manual 1989 | eBay

Murray Riding Lawn Mower Tractor 938600 Owner & Parts Manual 1989 | eBay

Manuals - Service & Support - Murray

Manuals - Service & Support - Murray

Murray 20

Murray 20" Lawn Mower | 204211x92A | eReplacementParts.com

Support - Murray Lawn & Garden

Support - Murray Lawn & Garden

0 Response to "41 murray mowers parts diagram"

Post a Comment

Iklan Atas Artikel

Iklan Tengah Artikel 1

Iklan Tengah Artikel 2

Iklan Bawah Artikel