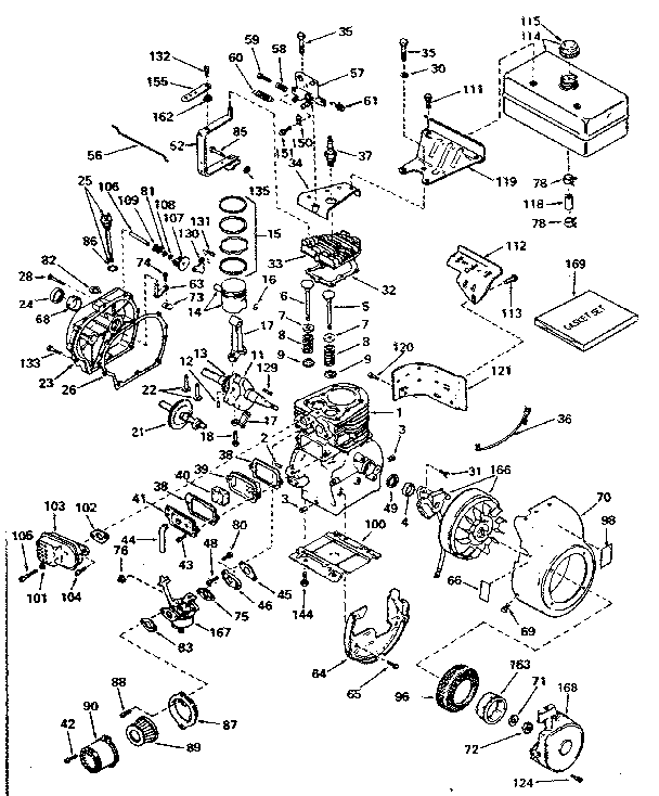
40 tecumseh carburetor parts diagram
Tecumseh Hsk600 Carburetor Diagram - schematron.org Complete Found on Diagram: Engine Parts List #1. " A Carburetor $ Tecumseh HSK, Tecumseh HSK Diagram, Tecumseh HSSK50, Tecumseh HSK, Tecumseh HSK Carburetor Diagram.A mouse chewed my plug wire on my Ariens snowblower so this was a replacement for the Tecumseh 6hp. Parts Lookup Directory - Tecumseh Info, Parts Diagrams ... Tecumseh Series 1 Emission Carb 640084B Disassembly, Cleaning, Repair; Tecumseh Series 1 Emission Carb 640342 Disassembly, Cleaning, Repair; Tecumseh Series 3 Carb 632334A Disassembly, Cleaning, Repair; Tecumseh Series 7 Carb Disassembly, Cleaning, Repair; Tecumseh Series 8 Carb 640017 Disassembly, Cleaning, Repair
Tecumseh Carburetors | Tecumseh Engine Carburetors for Sale Tecumseh 632410B / 640098A / 640092A. MFG# 1064, 1536, 1570, 5069, 5262, 5068, 5261. (MFG # is etched directly on the carb) OEM CARBURETOR. FITS AH600, HSK600, HSK635, TH098SA. (Please note that some model numbers have more that one carburetor, please match your OEM part # or MFG # on your carb.) TEC640092A.

Tecumseh carburetor parts diagram
TEC-632334A - Tecumseh Carburetor Parts Lookup with ... Repair parts and diagrams for TEC-632334A - Tecumseh Carburetor. The Right Parts, Shipped Fast! ... TEC-632334A - Tecumseh Carburetor Parts & Diagrams Parts Lists & Diagrams. Carburetor. Recommended Parts Show $ $ TEC-632334A - Tecumseh Carburetor > Parts Diagrams (1) Hide ... Tecumseh Carburetor Parts Parts Lookup by Model Tecumseh Carburetor Parts Exploded View parts lookup by model. Complete exploded views of all the major manufacturers. It is EASY and FREE. Jacks works best with JavaScript enabled Learn More. Please leave us a message! ... See: Ariens exploded parts diagrams. Tecumseh Engine Parts | PartsWarehouse Tecumseh 4-Cycle Short Blocks Vertical. Tecumseh 4-Cycle Vertical ECV-. Tecumseh 4-Cycle Vertical LAV-. Tecumseh 4-Cycle Vertical LEV-OHV. Tecumseh 4-Cycle Vertical OV-TVM. Tecumseh 4-Cycle Vertical TVS. Tecumseh 4-Cycle Vertical TVT-V60. Tecumseh 4-Cycle Vertical V70-VTX. Tecumseh Carburetor Parts.
Tecumseh carburetor parts diagram. Tecumseh Carburetors HIFROM Carburetor Carb with Mounting Gasket Fuel Line & Primer Blub Replacement for Tecumseh 632334 632334A 632111 HM70 HM80 HMSK80 HMSK90 Snow Blower Engine December 22, 2020 Serenable Carburetor W/Gasket Fits for Tecumseh 6632795A Fits TVS, ECV LAV Carburetor diagram tecumseh - Schematic diagram | Tecumseh ... the Carburetor diagram tecumseh help you to defines all its parts and functions the Carburettor made by them. It proves the big help under ... DeOnna Padilla. D. PDF Tecumseh TC300-3136 2 Cycle Engine Parts Breakdown BY TECUMSEH, IT WILL NOT BE MARKED. 1 1 1 1 1 1 2 1 2 1 1 1 1 1 1 1 1 1 1 1 4 1 1 1 1 1 1 Applicable Replacement Parts Diagram Carburetor Manufactured by Tecumseh (no markings) for use with Tecumseh TC300-3136 Engine on General 210 Hole Digger TECUMSEH TC300, FORM PM9109901, VERSION 1.0, AUTHORIZATION: DVR, PAGE: 9 Tecumseh Small Engine Parts and Repair Information ... Tecumseh engines power residential as well as commercial equipment - lawn mowers, snow blowers, chippers, shredders, edgers, augers, pressure washers, tillers, pumps, generators, recreational vehicles and more. The Tecumseh label is synonymous with powerful, dependable, well designed and long lasting machines.
PDF Tecumseh Carburetor Picture Breakdown - WFMFiles.com must aim towards the air intake or air filter side of the carb. If it's pointing toward the engine side, the needle won't center correctly and may leak. This makes absolutely no sense to me but it's an advisory from Tecumseh I picked up on years ago. Once I started following their advise, the vast majority of un-explained flooding carbs (after being Tecumseh Carburetor Parts | Fast Shipping ... Tecumseh Carburetor parts that fit, straight from the manufacturer. Use our interactive diagrams, accessories, and expert repair help to fix your Tecumseh Carburetor Please note shipping times may be longer than expected due to carrier delays. Tecumseh Carburetor Parts | Tecumseh Carburetor Repair Kit FOR TECUMSEH ORIGINAL EQUIPMENT PARTS WITH PARTS LOOKUP DIAGRAMS, PLEASE READ BELOW BEFORE CLICKING ON THE DIAGRAM. The parts lookup website is original equipment parts only.This website has aftermarket and OEM mix on the most common parts. Please note that when you go to the new website if any items are in your cart they will not transfer over. All though they will be saved for 24 hours. When ... Tecumseh Engine Parts | MTD Parts Tecumseh Engine Parts. Browse a selection of carburetors, starters, oil filters, air filters, ignition coils, spark plugs and more for your Tecumseh equipped walk-behind lawn mower, snow blower, or outdoor power equipment. Our Part Finder makes it easy to find the parts you need at MTD Parts. Tecumseh Part Number 570682A. Primer Assembly.
PDF Tecumseh ohh60 carburetor linkage diagram - Weebly 632334A Tecumseh Carburetor with mixture needlesCarb Diagram/Breakdown . Tecumseh Carburetor Repair Kit Tecumseh Carburetor Parts Diagrams: Appliance Parts: Vacuum Cleaner Parts Tecumseh carburetor If it doesn't run, take a look at the attached carburetor diagram, Tecumseh carburetor kit - 279 results from 47 stores, including Oregon 8 hp ... Tecumseh Starter 37000 Parts Diagram Recipes Tecumseh repair parts and parts diagrams for Tecumseh ES110-1-37000 - Tecumseh Starter. Order Status Customer Support 512-288-4355 My Account. Login to your PartsTree.com to view your saved list of equipment. Click here for more information. There are no items in your default Equipment list . Manage My Equipment Manage My Bins. Search by Part OR. Tecumseh TEC-640350 Parts Diagram for Carburetor Tecumseh TEC-640350 Carburetor Exploded View parts lookup by model. Complete exploded views of all the major manufacturers. It is EASY and FREE Tecumseh Carburetors And Carburetor Kits - MTD Parts Carburetors and Carburetor Kits. Tecumseh Part Number 31840. Carburetor Kit. Tecumseh Part Number 640084B. Carburetor. Tecumseh Part Number 632334A. Carburetor. Tecumseh Part Number 632760B. Carburetor Kit.
Tecumseh Lawn Mower Carburetor Parts | Engine Parts ... DOP631028. Tecumseh Carburetor Float Bowl Gasket No. 631028. This is a true OEM Tecumseh Power Carburetor Float Bowl Gasket. This is the square cut large rubber O-ring between float bowl and carb body. Used on most Tecumseh Float bowls 631700, 631867. Replaces Tecumseh part # 631028A. $1.95.
Tecumseh Hsk600 Carburetor Diagram - Wiring Diagrams We are Parts Diagrams (3) Carburetor 64 3 Results. wiringall.com - Select Tecumseh - Tecumseh Carburetor Diagrams and order Genuine Tecumseh HSKS · Tecumseh HSKR. For Discount Tecumseh Engine Parts Call or Main Menu When excessive carburetor adjustment or loss of power results. Tecumseh HSKS Exploded View parts lookup by model.
Tecumseh Carburetor parts, diagram, manual, troubleshoot ... Tecumseh Carburetor guide provide all information for your engine including Parts, Manual, Tuning, Repairs and Exploded Diagrams and troubleshooting guide for carburetors. Tecumseh Carburetor Guide Tecumseh Carburetor models, manual, guide, drawings, parts, troubleshooting guide
Tecumseh Lev120 Parts Diagram - schematron.org on Tecumseh Lev120 Parts Diagram. Tecumseh LEV parts lists. Parts list directory for Tecumseh LEV engine models. Click on the engine specification number below to view parts list. Tecumseh LEV Exploded View parts lookup by model. Complete exploded views of all Tecumseh Lev Parts Diagrams.
Tecumseh 2 Cycle Carburetor Diagram Recipes TECUMSEH 2 CYCLE CARBURETOR DIAGRAM RECIPES. 2014-10-21 · The 5 HP Tecumseh carburetor come with the throttle spring and arm, which is attached to a mechanical governor that is attached with the crankshaft. The spring and arm regulate the governor. If these are not working properly due to bent or damage, it affects the speed of an engine.
Tecumseh Hm80 Carburetor Diagram The Tecumseh carburetor diagram provided by us is a detailed description of the inside of the diagramweb.net makes a lot easier for you to repair and clean it from. diagramweb.net - Select Tecumseh - Tecumseh Carburetor Diagrams and order Genuine Tecumseh HML Tecumseh HMK.Tecumseh Carburetor Picture Breakdown This is a basic Tecumseh old-style float type carburetor. This is a basic Tecumseh new-style float type carburetor.
Tecumseh parts for small engines and ... - M-and-D.com For help identifying the parts that you need just Call or Email - we are glad to help! 1. Click your Tecumseh model number from the list below to view a printable parts diagram. The diagram will open as a pdf file in a new window. Use that diagram to determine the Tecumseh part numbers of the items you need.
TEC-640084B - Tecumseh Carburetor Parts Lookup with ... Repair parts and diagrams for TEC-640084B - Tecumseh Carburetor. The Right Parts, Shipped Fast! ... TEC-640084B - Tecumseh Carburetor Parts & Diagrams Parts Lists & Diagrams. Carburetor. Recommended Parts Show $ $ TEC-640084B - Tecumseh Carburetor > Parts Diagrams (1 ...
PDF Tecumseh lv195ea carburetor linkage diagram Carburetors and Parts - 4-Cycle. We can supply the following types of replacement Tecumseh Carburetor Parts for your Carburetor Rebuild or repair: Carburetor Bowls, Carburetor Kits, Nuts, Bolts and Screws and more, or even a brand new replacement Tecumseh Carburetor. › Verified 3 days ago› Url: Go Now › Get more:
Tecumseh Engine Parts | PartsWarehouse Tecumseh 4-Cycle Short Blocks Vertical. Tecumseh 4-Cycle Vertical ECV-. Tecumseh 4-Cycle Vertical LAV-. Tecumseh 4-Cycle Vertical LEV-OHV. Tecumseh 4-Cycle Vertical OV-TVM. Tecumseh 4-Cycle Vertical TVS. Tecumseh 4-Cycle Vertical TVT-V60. Tecumseh 4-Cycle Vertical V70-VTX. Tecumseh Carburetor Parts.

Carburetor Kit For Tecumseh 8-10 HP MTD/Snapper/Ariens 824 Snowblower Engines Snow Blower Parts Snowblower Chipper Carburetor
Tecumseh Carburetor Parts Parts Lookup by Model Tecumseh Carburetor Parts Exploded View parts lookup by model. Complete exploded views of all the major manufacturers. It is EASY and FREE. Jacks works best with JavaScript enabled Learn More. Please leave us a message! ... See: Ariens exploded parts diagrams.
TEC-632334A - Tecumseh Carburetor Parts Lookup with ... Repair parts and diagrams for TEC-632334A - Tecumseh Carburetor. The Right Parts, Shipped Fast! ... TEC-632334A - Tecumseh Carburetor Parts & Diagrams Parts Lists & Diagrams. Carburetor. Recommended Parts Show $ $ TEC-632334A - Tecumseh Carburetor > Parts Diagrams (1) Hide ...
0 Response to "40 tecumseh carburetor parts diagram"
Post a Comment