39 perego gator wirig diagram
Peg Perego Gator Wiring Diagram - schematron.org Peg Perego Gator Wiring Diagram. techteazerAugust 23, 5 views Wiring. peg perego gator wiring diagram. Read More. Search for. Complete list of Peg Perego John Deere Gator (old Style) parts. Shop parts for your 12V John Deere Gator (old Style) with our easy-to-use diagrams, manuals. 3, GATOR XUV 6X4 STEERING WHEEL ASSEMBLY Includes black . Shop Parts | Peg Perego United States Shop replacement parts for JD Gator XUV Midnight Black. Product Details. noprezzo. JD POWER PULL GEARSHIFTER W/HL... Product Details. PRICE. $26.00. John Deere Front Loader Parts ... Peg Perego. Designed for your lifestyle. 2021 Ride on Toys. New and exciting toys for your little one! Back Product Availability by Store Location. Previous Next ...
Amazon.com: peg perego wire harness JONATURE 12 Volt Battery Wiring Harness Connector for Peg Perego John-Deere Gator XUV Polaris Slingshot Children Ride On Car. 4.4 out of 5 stars. 82. $18.98. $18. .

Perego gator wirig diagram
Peg Perego Shifters, Switches, and Wiring Catalog Complete Peg Perego Shifters, Switches, and Wiring Catalog. Tiger Imports' user freindly catalog has detailed diagrams, manuals, and parts lists to help you find everything from Peg Perego Batteries, Chargers, Wheels, Motors, Stickers, and more! Peg Perego United States | Homepage Peg Perego: A worldwide family. When a product becomes a part of people's lives, it plays a small yet unforgettable role in their personal journeys. With the handcrafted and lovingly produced products, we are sure that Peg Perego will leave a lasting impression. We have focused solely on creating products for children since 1949. Peg Perego Gator Xuv 550 Wiring Diagram - Wiring Diagram Peg Perego Gator Xuv 550 Wiring Diagram. Peg perego john deere gator troubleshooting off 63 canerofset com xuv i0063 i0067 parts kidswheels revised i0004 i0033 toy united states jd 2018 xuv550 user s manual manualzz burn some plastic 18v upgrade bryan paepke wiring harness with motors switches shifter 2007817826 12 volt www subvivah 6x4 guide ...
Perego gator wirig diagram. Peg Perego John Deere Gator - e Replacement Parts Need to fix your IGOD0004 (Revised) John Deere Gator? Use our part lists, interactive diagrams, accessories and expert repair advice to make your repairs easy. Please note shipping times may be longer than expected due to carrier delays. Peg Perego Wiring Diagram - autocardesign Peg Perego Wiring Diagram - wiring diagram is a simplified customary pictorial representation of an electrical circuit. It shows the components of the circuit as simplified shapes, and the faculty and signal contacts surrounded by the devices. Peg Perego Wiring Diagram - schematron.org Willys Jeep vs John Deere Gator! How to replace Peg Perego John Deere tractor wheels, gearboxes, and motors. Replace only the damaged internal Peg Perego wire harness rather than the This was a hard sought wiring replacement for those customers not requiring or. Please refer to the wiring diagram found in your use & care manual for part numbers. Peg Perego John Deere Gator (old Style) Parts Complete list of Peg Perego John Deere Gator (old Style) parts. Shop parts for your 12V John Deere Gator (old Style) with our easy-to-use diagrams, manuals, and parts lists. TigerImports.NET - The best part prices and ship speeds on the NET. Accept no substitutes.
Amazon.com: Peg Perego battery connector JONATURE 12 Volt Battery Wiring Harness Connector for Peg Perego John-Deere Ground Force Tractor Ground Loader Children Ride On Car. 4.5 out of 5 stars. 25. $18.98. $18. . 98. Get it as soon as Mon, Sep 27. FREE Shipping on orders over $25 shipped by Amazon. Peg Perego John Deere Gator (revised) Parts Complete list of Peg Perego John Deere Gator (revised) parts. Shop parts for your 12V John Deere Gator (revised) with our easy-to-use diagrams, manuals, and parts lists. TigerImports.NET - The best part prices and ship speeds on the NET. Accept no substitutes. John Deere Gator XUV Parts | Toy Parts - Peg Perego DUMP BED GREEN J.D. GATOR XUV. SPST9239VB. $22.00. Added to Your Shopping Cart. 11. GATOR XUV BLACK DUMP BED INSERT SET. ASGI0297N. $3.00. Added to Your Shopping Cart. Peg Perego John Deere Gator Xuv Parts - Tiger Imports Complete list of Peg Perego John Deere Gator Xuv parts. Shop parts for your 12V John Deere Gator Xuv with our easy-to-use diagrams, manuals, and parts lists. TigerImports.NET - The best part prices and ship speeds on the NET. Accept no substitutes.
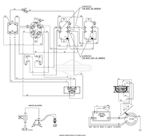
Peg Perego John Deere Gator Wiring Diagram 12v wiring diagram for perego johndeere gator. Foot petal wiring schematic Posted by Anonymous on May 10, Below is a the wiring diagram for the Peg Perego John Deere Gator HPX. I also included the parts diagram. If the images are too small you can find them online. Find best value and selection for your Peg Perego John Deere Gator Wiring ... How to Replace a Gear Shifter in A Peg Perego John Deere Gator This video will show how to replace a gear shifter in a kids ride on John Deere Gator.Brought to you by one of the largest suppliers of parts for kids ride o... John Deere Gator XUV | High Performance - Peg Perego The John Deere Gator XUV is the perfect riding vehicle for your little. helpers! • For ages 3 - 8. • Weight Capacity of 130lbs. • 2-Speeds: 2 ¼ - 4 ½ mph (plus. reverse) • 12-volt rechargeable battery and. recharger included. Made in the USA, in our Fort Wayne, Indiana factory using domestic and global components. John Deere Gator Hpx 4x4 Wiring ... - Wiring Diagram Sample Name: john deere gator hpx 4×4 wiring diagram - Hpx Wiring Diagram Basic Electrical Wiring Diagrams Wiring Diagrams John Deere 116 Electrical Diagram Peg Perego Gator Hpx Wiring Diagram; File Type: JPG; Source: wiringreview.today; Size: 68.26 KB; Dimension: 546 x 380
Peg Perego John Deere Gator Hpx Parts - Tiger Imports Complete list of Peg Perego John Deere Gator Hpx parts. Shop parts for your 12V John Deere Gator Hpx with our easy-to-use diagrams, manuals, and parts lists. TigerImports.NET - The best part prices and ship speeds on the NET. Accept no substitutes.
Peg Perego Gator- DIY repair of gear switches reverse and ... In this video we cover the very common issues with the peg perego john deere gator not working in forward hi low and reverse speeds. In the shifter mechanism...
Peg Perego Gator Xuv 550 Wiring Diagram - Wiring Diagram Peg Perego Gator Xuv 550 Wiring Diagram. Peg perego john deere gator troubleshooting off 63 canerofset com xuv i0063 i0067 parts kidswheels revised i0004 i0033 toy united states jd 2018 xuv550 user s manual manualzz burn some plastic 18v upgrade bryan paepke wiring harness with motors switches shifter 2007817826 12 volt www subvivah 6x4 guide ...
Peg Perego United States | Homepage Peg Perego: A worldwide family. When a product becomes a part of people's lives, it plays a small yet unforgettable role in their personal journeys. With the handcrafted and lovingly produced products, we are sure that Peg Perego will leave a lasting impression. We have focused solely on creating products for children since 1949.
Peg Perego Shifters, Switches, and Wiring Catalog Complete Peg Perego Shifters, Switches, and Wiring Catalog. Tiger Imports' user freindly catalog has detailed diagrams, manuals, and parts lists to help you find everything from Peg Perego Batteries, Chargers, Wheels, Motors, Stickers, and more!
0 Response to "39 perego gator wirig diagram"
Post a Comment