Iklan 300x250

41 2003 dodge durango evap system diagram

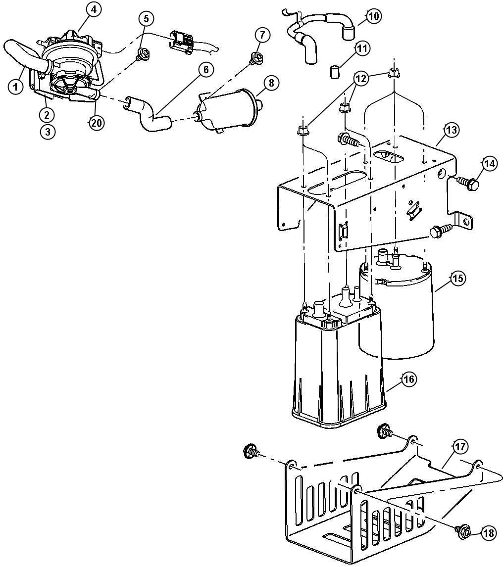
2003 Dodge Durango EVAP Lines - YouTube I need two EVAP lines. The one that comes from the throttle body and the one that comes from the intake. Both lines are routed to the left front corner of... 2003 Dodge Durango Evap System Diagram - Wiring Diagram Source 2003 dodge durango evap lines dan wall. Apparently i have a leak in my evap system somewhere. There is a diagram on. Diagram and vacume hose routing for a dodge durango 2003 47 liter engine diagram for hose routing from evap canister and related vacume hose routing for the entire evap...

2003 Dodge Durango Evap System Diagram - Free Diagram For .. Dodge Durango P0440: EVAP System Malfunction | Drivetrain ... A very common trouble code with the Dodge Durango is the P0440 code. This tr. ouble code references a number that is given to you when you plug your Durango into a OBDII scanner. P0440 Indicates that something is wrong with the...

2003 dodge durango evap system diagram

2003 dodge durango evap system diagram

ulksdzialoszyn-online.pl 2 days ago · Buy or sell your Dodge Ram parts or truck here! - You will need at least 50 posts and be registered here for at least 5 days to post a new thread in the classifieds. this is designed to provide quantities Of high- velocity fuel during low end acceleration and large quantities Of Slow-moving tor maximum top-end750 demon double pumper VS. evap system woes....2003 4.7 | Allpar Forums 2003 dodge caravan evap system diagram - Google Search ... I bought a new 2003 Durango SLT 4x4 with the 5.9 engine.May 2, 2016 · Uploaded by MrGreasybob Website's listing 2003 dodge ram 1500 p0440 - December 2021 2003 dodge ram 1500 p0440 | Use our converter online, fast and completely free. SOURCE: i have a 03 dodge ram 1500 and got the codes p0440. P0441 - Evaporative Emission Control System Incorrect Purge Flow The "EVAP purge flow" faults are issues between the carbon cannister and the intake.

2003 dodge durango evap system diagram. DODGE - Car PDF Manual, Wiring Diagram & Fault Codes DTC 23 Dodge Car Wiring Diagrams. 2003-dodge-sprinter-3500-wd.pdf. Adobe Acrobat Document 1.2 MB. hello happy 2022 im in need of cooling system wiring diagram for my 2011 peugeot 508 allure petrol 1.6 automatic Problem with vehicle from startup the temperature goes straight to overheat in... Dodge Durango (DN) - service repair manual 2000 year 001 Dodge Durango (DN). Manual - part 1. 002 Dodge Durango (DN). Manual - part 2. Dodge Durango P0456: EVAP System - Small Leak | Drivetrain... The EVAP system captures all fuel vapor from the fuel tank and sends them to the engines intake in order to be ignited in the normal combustion process. When there is a small leak in the Dodge Durango's EVAP system, it will throw the P0456 OBDII Code. 35 2003 Dodge Durango Evap System Diagram - Wiring Diagram... 2003 dodge dakota evap system diagram. Loose fuel tank filler cap is the most common cause that triggers the p0440 code. Install 2003 dodge dakota diagrams toyskids co where is the evap canister located on my 2003 dodge dakota 47l v8 great question its located under the truck bed behind the...

DODGE 2000 DURANGO SERVICE MANUAL Pdf... | ManualsLib Related Manuals for Dodge 2000 Durango. Automobile Parts Dodge S-2000 Instruction Manual. Spherical roller bearings (4 pages). Automobile Parts Dodge 8W-43 Wiring Diagram. Airbag system (8 pages). Automobile Dodge 2000 DURANGO Service Manual. studio-tam.de Feb 20, 2022 · How To Get Rid Of 2003 Buick Lesabre Transmission Problems. I bought a 1 owner 94 LeSabre with 70m miles, excellent condition but have major problems with the car shutting off while driving. The contact owns a 2000 Buick Lesabre. 3:50. Product Repair Description. 8L V6 0 votes . 8 V6 (1999 – 2003) L36: 4. All Wiring Diagrams for Dodge Durango 2003 - Diagramas de... Cooling Fan Wiring Diagram for Dodge Durango 2003. Warning Systems Wiring Diagram for Dodge Durango 2003. WIPER/WASHER. Obtenga acceso a todos los diagramas de cableado del coche. Dodge Durango Free Workshop and Repair Manuals Dodge Durango Workshop, repair and owners manuals for all years and models. Free PDF download for thousands of cars and trucks. The Dodge Durango is a mid-size to full size sport utility vehicle (SUV), introduced in 1998 by Dodge division of Chrysler.

1998-2003 Dodge Durango electrical systems and electronics in detail The Durango wiring system shares reliability features with Dakota. It provides high reliability through advanced circuit design and improved connector The junction block combines the fuse block with electrical system terminal and distribution features. Wiring harnesses within the body - power train... Fuse box Dodge Durango | Fuse box diagram (type 2). Fuses and relay Dodge Durango. For Dodge Durango 1997, 1998, 1999, 2000, 2001, 2002, 2003 model year. Fuse box in engine compartment. 11 (10). Diagnostic Connector, Overhead Console, Automatic Day/Night Mirror, Central Timer Module & Duty Cycle Evap/Purge Solenoid. 12 (15). 2003 Dodge Ram 1500 Evap System Diagram - General Wiring... 2003 dodge caravan evap system diagram google search 5 allanc jun 3 2016. This is a image galleries about 2003 dodge ram evap system diagramyou can also find other images like wiring diagram parts diagram replacement parts electrical diagram repair manuals engine diagram engine... 2003 Dodge Ram 1500 Evap System Diagram - Free Wiring Diagram Free Diagram For Student 2003 Dodge Dakota Evap System Diagram. 2001 Dodge Ram 1500 Engine Diagram Wiring Diagrams. P0452 Evaporative Emission Evap Pressure Sensor Low Input. Solenoid Wiring Diagram Besides 2000 Dodge Durango Wiring Diagram. Share this post.

Dodge Durango: Leak detection pump (ldp) - Removal and ...

Dodge Durango: Leak detection pump (ldp) - Removal and ...

2003 Dodge Caravan Evap System Diagram - Wiring Diagram... If the leak is not visually obvious this is where the smoke test can usually find it. Speed sensorsa diagram or anything showing me.

jeep leak detection pump location (2) | List of Pump ...

jeep leak detection pump location (2) | List of Pump ...

2003 Dodge Durango Evap System Diagram - Wiring Site Resource Apparently i have a leak in my evap system somewhere. 2003 dodge durango gets consistent p0440 code and occasional p0134 code.

2003 Dodge Dakota 4.7L V8 EVAP Canister and Hoses location

2003 Dodge Dakota 4.7L V8 EVAP Canister and Hoses location

Gallery Of My 2000 Dodge Durango S Engine Light Is On The Code Is... 2002 Dodge Ram 1500 Evap System Diagram. Here are a number of highest rated 2002 Dodge Ram 1500 Evap System Diagram pictures on internet. We identified it from reliable source. Its submitted by admin in the best field.

Fuse box diagram Dodge Ram Van 2000-2003

Fuse box diagram Dodge Ram Van 2000-2003

Dodge Durango: Evaporation (evap) canister - Removal and... Dodge Durango. Service Manual. Emission Control Systems » Evaporative emission controls » Removal and installation Evaporation (evap) canister. The EVAP canister is located below the vehicle, inside the left frame rail, in front of the fuel tank (Fig.

Where is the EVAP canister located on a 2002 Dodge Durango SLT

Where is the EVAP canister located on a 2002 Dodge Durango SLT

P0455 Evaporative Emission Control System Leak Detected ... Jul 11, 2021 · The EVAP system is sealed and the most common components that can cause a leak are the gas cap, vent valve, and purge valve and the hoses and connectors, see the diagram below. The first thing to check with this code is the gas cap. ... The check engine light came on in my 2003 Dodge Durango. I had it scanned at AutoZone, the code is P0455. I ...

Emission Harness for 2003 Dodge Ram 2500 | Mopar Estores

Emission Harness for 2003 Dodge Ram 2500 | Mopar Estores

Dodge Service Repair Manuals and Wiring (PDFs) Factory Workshop Manuals for Dodge Caravan, Dodge RAM, Dodge Neon, Dodge Durango, Dodge Dakota, Dodge Pickup R1500, Dodge Nitro, JR 2014+ Dodge Dart (1.4L/2.0L/2.4L) System Wiring Diagrams. This EWD has been prepared to help inspection and service works involving electric wiring...

i need to find neutral safety switch located - DodgeForum.com

i need to find neutral safety switch located - DodgeForum.com

47 Dodge PDF Manuals Download for Free! - Сar PDF Manual, Wiring... 2003 Dodge Sprinter 3500 Wiring Diagrams.pdf. 1.2Mb. Download. Download. Service Manual Dodge Durango 2005.rar. 79.5Mb.

2003 Dodge Caravan P0456 | Specs Dodge Review

2003 Dodge Caravan P0456 | Specs Dodge Review

Dodge Durango Wiring Diagrams We have 60 Dodge Durango manuals covering a total of 37 years of production. Our most popular manual is the Dodge Durango 4wd Workshop Manual (V8-4.7L Flex Fuel (2008)) . Dodge Neon Workshop Manual (L4-2.0L VIN F HO (2003)). Dodge - Ram - Wiring Diagram - 1984 - 1985.

P0440 – Evaporative emission (EVAP) system -malfunction ...

P0440 – Evaporative emission (EVAP) system -malfunction ...

Location of EVAP system hose - DodgeForum.com I have a melted hose on my 02 Dodge Ram that comes from the LDP filter on the evap system up towards the front of the truck. It is number 7 on this diagram (that I think I attached correctly) but the diagram doesn't show the full hose and where the other end goes to.

Mopar 5303 0838, Vapor Canister

Mopar 5303 0838, Vapor Canister

2003 Dodge Durango Car Stereo Wiring Diagram - MODIFIEDLIFE Whether your an expert Dodge Durango mobile electronics installer, Dodge Durango fanatic, or a novice Dodge Durango enthusiast with a 2003 Dodge The Modified Life staff has taken all its Dodge Durango car radio wiring diagrams, Dodge Durango car audio wiring diagrams, Dodge Durango...

ALLDATAdiy.com - 2001 Ford Escort ZX2 L4-2.0L DOHC VIN 3 ...

ALLDATAdiy.com - 2001 Ford Escort ZX2 L4-2.0L DOHC VIN 3 ...

Fuse Box Diagram Dodge Durango (2004-2009) Fuse box diagram (location and assignment of electrical fuses and relays) for Dodge Durango (2004, 2005, 2006, 2007, 2008, 2009). In this article, we consider the second-generation Dodge Durango, produced from 2004 to 2009. Here you will find fuse box diagrams of Dodge Durango 2004, 2005...

I need a vacuum line diagram for a 99 dodge dakota 318 - Fixya

I need a vacuum line diagram for a 99 dodge dakota 318 - Fixya

ai-team.it Feb 23, 2022 · Dodge Ram 1500 Coil To Air Suspension Conversion Kit. The county was formed in 1883 from Whatcom County and is named for the Skagit Indian tribeSkagit County's government is headed by three commissioners, in the system laid out in the state constitution for all counties without charters. Nje Leter Per Shoqen. Search: Rotmg Free Items Server.

Handremkabels Dodge | MPR Truckshop

Handremkabels Dodge | MPR Truckshop

Website's listing 2003 dodge ram 1500 p0440 - December 2021 2003 dodge ram 1500 p0440 | Use our converter online, fast and completely free. SOURCE: i have a 03 dodge ram 1500 and got the codes p0440. P0441 - Evaporative Emission Control System Incorrect Purge Flow The "EVAP purge flow" faults are issues between the carbon cannister and the intake.

P0440 – Evaporative emission (EVAP) system -malfunction ...

P0440 – Evaporative emission (EVAP) system -malfunction ...

evap system woes....2003 4.7 | Allpar Forums 2003 dodge caravan evap system diagram - Google Search ... I bought a new 2003 Durango SLT 4x4 with the 5.9 engine.May 2, 2016 · Uploaded by MrGreasybob

EVAP Canister Delete | IFS OFFROAD

EVAP Canister Delete | IFS OFFROAD

ulksdzialoszyn-online.pl 2 days ago · Buy or sell your Dodge Ram parts or truck here! - You will need at least 50 posts and be registered here for at least 5 days to post a new thread in the classifieds. this is designed to provide quantities Of high- velocity fuel during low end acceleration and large quantities Of Slow-moving tor maximum top-end750 demon double pumper VS.

Where is the evap purge solenoid located on a 2003 dodge ...

Where is the evap purge solenoid located on a 2003 dodge ...

53030897AB - Genuine Mopar Hose-Leak Detection Pump

53030897AB - Genuine Mopar Hose-Leak Detection Pump

Evap Leak hose kit P0455 - DodgeForum.com

Evap Leak hose kit P0455 - DodgeForum.com

I need a evap hose routing diagram for a 2001 dodge durango ...

I need a evap hose routing diagram for a 2001 dodge durango ...

How to Smoke test and find an EVAP leak in a 2003 Dodge ...

How to Smoke test and find an EVAP leak in a 2003 Dodge ...

Mopar Performance 52102793AA MOPAR Hose

Mopar Performance 52102793AA MOPAR Hose

Durango tripped code P0442. EVAP system small leak | Page 3 ...

Durango tripped code P0442. EVAP system small leak | Page 3 ...

Ram CHRYSLER OEM ProMaster 1500 Emission System-Vapor ...

Ram CHRYSLER OEM ProMaster 1500 Emission System-Vapor ...

1996-2004 Dodge Ram 2500 Vapor Canister Purge Solenoid ...

1996-2004 Dodge Ram 2500 Vapor Canister Purge Solenoid ...

Genuine Mopar Purge Valve 4891739AA

Genuine Mopar Purge Valve 4891739AA

1999 Dodge Dakota 3.9L Magnum SLT EVAP Canister Location

1999 Dodge Dakota 3.9L Magnum SLT EVAP Canister Location

2002 Durango Vacuum Line question | Dodge Durango Forum

2002 Durango Vacuum Line question | Dodge Durango Forum

Chrysler Evaporative Leak Detection Systems

Chrysler Evaporative Leak Detection Systems

Fuel Filter: Engine Mechanical Problem 6 Cyl Two Wheel Drive ...

Fuel Filter: Engine Mechanical Problem 6 Cyl Two Wheel Drive ...

Diagnosing and repairing NVLD systems can present unique ...

Diagnosing and repairing NVLD systems can present unique ...

Emission Harness for 2003 Dodge Ram 2500 | Mopar Factory Parts

Emission Harness for 2003 Dodge Ram 2500 | Mopar Factory Parts

Troubleshooting Dodge P0455 | We R Mopar

Troubleshooting Dodge P0455 | We R Mopar

Dodge Durango Canister Purge Solenoid Replacement

Dodge Durango Canister Purge Solenoid Replacement

Jeep Grand Cherokee Questions - charcoal canister and ...

Jeep Grand Cherokee Questions - charcoal canister and ...

Dodge Caravan Evap System Diagram Price [Feb 2022] Found 415 ...

Dodge Caravan Evap System Diagram Price [Feb 2022] Found 415 ...

HVAC Vacuum Hose Location: Where Does the Vacuum Hose Go for ...

HVAC Vacuum Hose Location: Where Does the Vacuum Hose Go for ...

Evaporative System Integrity Modules (ESIM) | Standard

Evaporative System Integrity Modules (ESIM) | Standard

Dodge Durango: Leak detection pump (ldp) - Removal and ...

Dodge Durango: Leak detection pump (ldp) - Removal and ...

98 Dodge Durango SLT+: Granddad's Truck| Builds and Project ...

98 Dodge Durango SLT+: Granddad's Truck| Builds and Project ...

How to Find a leak in the evap on an '03 Dodge Caravan « Auto ...

How to Find a leak in the evap on an '03 Dodge Caravan « Auto ...

HVAC Vacuum Hose Location: Where Does the Vacuum Hose Go for ...

HVAC Vacuum Hose Location: Where Does the Vacuum Hose Go for ...

0 Response to "41 2003 dodge durango evap system diagram"

Post a Comment

Iklan Atas Artikel

Iklan Tengah Artikel 1

Iklan Tengah Artikel 2

Iklan Bawah Artikel