Iklan 300x250

39 Poulan Pro Pp330 Parts Diagram

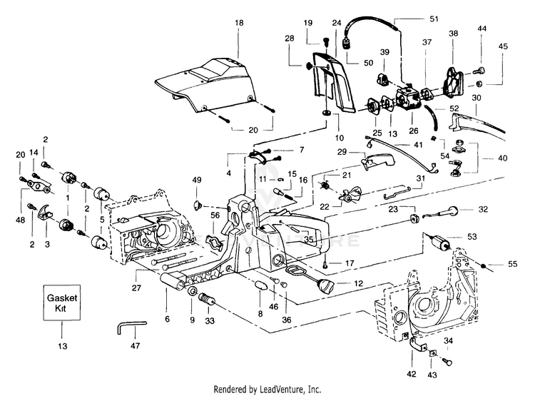
Poulan Pro PP033 User Manual (Trimmer Parts List) | GuidesLIB.com [Poulan Pro PP033 - Page 2] 545192174 1/21/09 NEW Page: PARTS LIST R PP033 (US/CAN) 2 Parts List No. Date MODEL NOTE : Illustration may differ from actual model due to design changes. WARNING All repairs, adjustments and maintenance not described in the Operator's Manual must be... 30 Poulan Pro Pp330 Parts Diagram - Wiring Diagram Database Poulan Pro Fuel Line Configuration Youtube. Poulan poulan pro exploded view parts lookup by model. Here are the repair parts and diagrams for your poulan pp330 type 1 trimmer. The diagrams below can help you find the right part.

Chain Brake & Cluch - Poulan - Jacks Small Engines Poulan PP330 Gas Saw Type 1, 330 Gas Saw Type 1 Chain Brake & Cluch Exploded View parts lookup by model. Complete exploded views of all the major ...

Poulan pro pp330 parts diagram

Poulan pro pp330 parts diagram

Search Poulan Pro owner's manuals, illustrated parts lists and more. Connect with us and other Poulan Pro fans. Keep up with Poulan Pro! Get new product announcements, promotions, and seasonal tips delivered right to your inbox. Poulan PP330 Gas Saw Type 1, 330 Gas Saw Type 1 ... Poulan PP330 Gas Saw Type 1, 330 Gas Saw Type 1 Exploded View parts lookup by model. Complete exploded views of all the major manufacturers. En uygun fiyatlı poulan pro pp330 parçaları: AliExpress... 2022 yılında poulan pro pp330 parçaları ve Ilgili arama, Sıralama anahtar kelimeleri ile için popüler Ilgili arama, Sıralama anahtar kelimeleri trendleri. AliExpress.com'da en iyi Ilgili arama, Sıralama anahtar kelimeleri için 168 ve üzerindeki teklifleri keşfedin.

Poulan pro pp330 parts diagram. 41 poulan pro pp330 parts diagram - Wiring Diagram Trend Feb 08, 2022 · Poulan pro pp330 parts diagram. The best way to find parts for Poulan grass line trimmer model PP330 TYPE 1 is by clicking one of the diagrams below. You can also browse the most common parts for Poulan grass line trimmer model PP330 TYPE 1. Poulan PP330 Gas Saw Type 2, 330 Gas Saw Type 2 Exploded View parts lookup by model. Каталог запчастей: Poulan Pro Главная/ Каталог запчастей/ P/ POULAN/ Poulan Pro. Poulan Pro. poulan pro 330 chainsaw | eBay 10 results for poulan pro 330 chainsaw. Husqvarna 530069919 Rope Kit Craftsman Poulan Pro PP330 PP380 PP5020AV. Genuine OEM Part - Factory Authorized Dealer/Retailer. Poulan Pro PP 330 - Parts Lookup and OEM Diagrams Engine Type 1-2 diagram and repair parts lookup for Poulan Pro PP 330 - Poulan Pro Chainsaw, Type 1

PP330 | Poulan Carburetors & Parts Wide selection & discount prices on Poulan Carburetors, Rebuild Kits & Parts. uxcell RB-168 Carburetor Rebuild Kit Gasket for Zmam Carburetor C1M-W44 Poulan PP330 PP335 PPB330 PP133 Engines Carb 2pcs Product Description & Features: [1] Poulan PP330 Gas Saw Type 2, 330 ... - Jacks Small Engines Poulan PP330 Gas Saw Type 2, 330 Gas Saw Type 2 Handle & Controls Exploded View parts lookup by model. Complete exploded views of all the major ... Poulan Pro Pp3516avx Fuel Line Diagram 9 Images - Poulan... Poulan Pro Pp3516avx Fuel Line Diagram. Here are a number of highest rated Poulan Pro Pp3516avx Fuel Line Diagram pictures on internet. We identified it from well-behaved source. Its submitted by paperwork in the best field. Poulan Pro PP336 Manual, Poulan Pro Trimmer... | Guidessimo.com Poulan Pro PP336 Poulan PRO garantit & Facheteur original que chaque nouveloutii a. essence ou accessoire de la marque Poulan PRO ne presente aucun defaut materiel ou de fonctionnement et convient de reparer ou de remplacer sous cet- te garantie tousles produits ou accessoires & essence...

Poulan Pro Pp333 Instruction Manual Pdf - Free Catalogs A to Z Search Poulan Pro owner's manuals, illustrated parts lists and more. Cookies help us deliver a better experience. By using this site, you agree 5 hours ago Kawasaki Mule 550 Wiring Diagram - Diagram Poulan Pro Pp333 Wiring Diagram Full Version Hd Quality Wiring Diagram : Ignition coils consist of... Poulan Pro Pp330 Parts Diagram - Drivenhelios Poulan pro pp330. Illustration may differ from actual model due to design changes 2 parts list no. Parts diagrams 2 no parts found. Pp330 parts diagram wiring diagrams mercial kitchen oem replacement parts heritage parts daisy model 99 diagram pp330 parts diagram. PP330 Gas Saw Type 1, 330 Gas Saw Type 1 Engine ... Poulan PP330 Gas Saw Type 1, 330 Gas Saw Type 1 Engine Type 1-2 Exploded View parts lookup by model. Complete exploded views of all the major manufacturers. What cylinders will work with a Poulan 3300 | Arborist, Chainsaw... It was I who suggested the Poulan Pro chrome plated cyl. I didn't know for sure which one is the Poulan I do own a PP365 if you need any photos or measurments for comparison. I also belive that the That could be part of why I said the 330/380 were kinda different. I suspected something like that.

OM, PP330, 2010-03, TRIMMERS/EDGERS, 966062801

OM, PP330, 2010-03, TRIMMERS/EDGERS, 966062801

Poulan PP330 Gas Saw Type 1 ... - Jacks Small Engines Poulan PP330 Gas Saw Type 1, 330 Gas Saw Type 1 Handle & Controls Exploded View parts lookup by model. Complete exploded views of all the major ...

Poulan Chainsaw | PP295 | eReplacementParts.com

Poulan Chainsaw | PP295 | eReplacementParts.com

How do i fix recoil spring on a poulan pp330 33cc gas - Fixya - Poulan Best price Pro PP330 17-inch question. Poulan makes a tool, part # 530031112, with two prongs that fit the grooves on the sides of the clutch. It fits most Poulan saws and trimmers made in at least the last decade.

Amazon.com: poulan pro pp338pt parts

Amazon.com: poulan pro pp338pt parts

Chain Tension - Poulan Pro 330 Instruction Manual... | ManualsLib Poulan Pro 330 Manual Online: Chain Tension. (Including units with chain already installed) NOTE : When adjusting chain tension, make sure the chain brake nuts are finger tight only. Hide thumbs. Also See for 330. Instruction manual - 54 pages Operator's manual - 16 pages Assembly - 108 pages.

Poulan Chainsaw Parts Diagrams - The Saw Guy

Poulan Chainsaw Parts Diagrams - The Saw Guy

Amazon.com: poulan pro pp338pt parts 1-16 of 202 results for "poulan pro pp338pt parts". Hipa 545008042 Carburetor Air Filter for Pouan Pro PP033 PP133 PP333 PP338PT Husqvarna BC233B FREE Shipping on orders over $25 shipped by Amazon. Only 14 left in stock - order soon. Amazon's Choicefor poulan pro pp338pt parts.

Poulan Pro PP4000C ProLink Brush Cutter Attachment, 952711610

Poulan Pro PP4000C ProLink Brush Cutter Attachment, 952711610

Poulan PP330 Gas Saw Type 2, 330 Gas Saw Type 2 Parts Diagram ... Poulan PP330 Gas Saw Type 2, 330 Gas Saw Type 2 Chain Brake & Cluch Exploded View parts lookup by model. Complete exploded views of all the major manufacturers.

carb holley – Buy carb holley with free shipping on ...

carb holley – Buy carb holley with free shipping on ...

Poulan Pro PP330 Gas Trimmer Parts | eReplacementParts.com Need to fix your PP330 Gas Trimmer? Use our part lists, interactive diagrams, accessories and expert repair advice to make your repairs easy. Accessories for the Poulan PP330.

Amazon.com: poulan pro pp338pt parts

Amazon.com: poulan pro pp338pt parts

Poulan PP330 Gas Saw Type 2, 330 Gas Saw Type 2 ... Poulan PP330 Gas Saw Type 2, 330 Gas Saw Type 2 Exploded View parts lookup by model. Complete exploded views of all the major manufacturers. It is EASY and FREE

Poulan Pro PP335 Predator Gas Saw

Poulan Pro PP335 Predator Gas Saw

Poulan PP330 Gas Saw Type 2, 330 ... - Jacks Small Engines Poulan PP330 Gas Saw Type 2, 330 Gas Saw Type 2 Engine Type 1-2 Exploded View parts lookup by model. Complete exploded views of all the major manufacturers.

Poulan pro P2500 Manuals | ManualsLib

Poulan pro P2500 Manuals | ManualsLib

Poulan Pro Pp330 Parts Diagram - schematron.org May 01, 2019 · Poulan Pro Pp330 Parts Diagram. schematron.org - Select Poulan PP (Type 2) - Poulan Pro Chainsaw Diagrams and order Genuine Poulan Chainsaw Parts. Easy Ordering, Fast Shipping and. schematron.org - Select Poulan PPB (Type 1) - Poulan Pro String Trimmer Diagrams and order Genuine Poulan String trimmers & brush cutter Parts.

Poulan 31cc PB300 gas trimmer, only runs with choke on ...

Poulan 31cc PB300 gas trimmer, only runs with choke on ...

Piston Kit for Poulan 3450 Pp330 Pp335 - Partner 545... | eBay Games Vehicle Parts & Accessories Video Games & Consoles Wholesale & Job Lots Everything Else. Poulan pro 330, PP330, 330 piston kit, 46.5MM, replaces part # 530071321, new.

Trying to route lines on a Poulan PP330 string trimmer ...

Trying to route lines on a Poulan PP330 string trimmer ...

Poulan PP330 TYPE 1 gas line trimmer parts | Sears PartsDirect Here are the diagrams and repair parts for Poulan PP330-TYPE-1 trimmer, as well as links to manuals and error code tables, if available. Click a diagram to see the parts shown on that diagram. In the search box below, enter all or part of the part number or the part’s name. Not all parts are shown on the diagrams—those parts are labeled NI, for “not illustrated”.

Poulan Pro Poulan Pro 1-Speed Multipurpose Steam Cleaner

Poulan Pro Poulan Pro 1-Speed Multipurpose Steam Cleaner

Poulan Pro PP 330 - Poulan Pro Chainsaw... | PartsTree Parts Home > Poulan Pro > Chainsaws > PP 330 - Poulan Pro Chainsaw (Type 2) > Engine Type 1-2. Part# 530023817. OEM Warranty Repair Part for Poulan. Usually leaves our warehouse in 1 business day.

Poulan PP330 Gas Saw Type 2, 330 Gas Saw Type 2 Parts Diagrams

Poulan PP330 Gas Saw Type 2, 330 Gas Saw Type 2 Parts Diagrams

Poulan and Poulan Pro Parts and Accessories | PartsWarehouse Find any part in 3 Clicks!®. Poulan Pro Pole Pruners and Pole Saws.

Amazon.com: C1M-W44 Carburetor for 545008042 545189502 ZAMA ...

Amazon.com: C1M-W44 Carburetor for 545008042 545189502 ZAMA ...

Poulan Pro Chainsaw, Type 2 Parts Lookup with Diagrams Poulan Pro repair parts and parts diagrams for Poulan Pro PP 330 - Poulan Pro Chainsaw, Type 2.

Poulan Pro PP330 Multi-Purpose Steam Cleaner

Poulan Pro PP330 Multi-Purpose Steam Cleaner

Poulan Pro PP336 | Manualzz User manual | Poulan Pro PP336. PP336 Gas SawPage 1 of 13. CARBURETOR HAD #49. Ref # Part Number. Spring. Screw. PP336 Gas SawPage 2 of 13. Metering Diaphragm Gasket. High Speed Needle.

Poulan Pro PP336 Gas Saw

Poulan Pro PP336 Gas Saw

En uygun fiyatlı poulan pro pp330 parçaları: AliExpress... 2022 yılında poulan pro pp330 parçaları ve Ilgili arama, Sıralama anahtar kelimeleri ile için popüler Ilgili arama, Sıralama anahtar kelimeleri trendleri. AliExpress.com'da en iyi Ilgili arama, Sıralama anahtar kelimeleri için 168 ve üzerindeki teklifleri keşfedin.

Poulan Gas Trimmer | PP033 | eReplacementParts.com

Poulan Gas Trimmer | PP033 | eReplacementParts.com

Poulan PP330 Gas Saw Type 1, 330 Gas Saw Type 1 ... Poulan PP330 Gas Saw Type 1, 330 Gas Saw Type 1 Exploded View parts lookup by model. Complete exploded views of all the major manufacturers.

Poulan Pro PPB330 Gas Trimmer Type 2

Poulan Pro PPB330 Gas Trimmer Type 2

Search Poulan Pro owner's manuals, illustrated parts lists and more. Connect with us and other Poulan Pro fans. Keep up with Poulan Pro! Get new product announcements, promotions, and seasonal tips delivered right to your inbox.

Poulan PRO PP350 Canister Steam System with Steam Mop ...

Poulan PRO PP350 Canister Steam System with Steam Mop ...

270600005 Sea-Doo Valve - Solenoid - AdeptPowersports

270600005 Sea-Doo Valve - Solenoid - AdeptPowersports

Poulan PP330 Gas Saw Type 2, 330 Gas Saw Type 2 Parts Diagrams

Poulan PP330 Gas Saw Type 2, 330 Gas Saw Type 2 Parts Diagrams

Poulan PP330 Gas Saw Type 2, 330 Gas Saw Type 2 Parts Diagrams

Poulan PP330 Gas Saw Type 2, 330 Gas Saw Type 2 Parts Diagrams

Poulan Pro String Trimmer Disassembly – String Trimmer Repair Help

Poulan Pro String Trimmer Disassembly – String Trimmer Repair Help

PP330 Multi-Purpose Steam Cleaner

PP330 Multi-Purpose Steam Cleaner

Poulan Pro & Craftsman Trimmer Replacement Foam Air Filter ...

Poulan Pro & Craftsman Trimmer Replacement Foam Air Filter ...

Poulan Pro PP336 Gas Saw

Poulan Pro PP336 Gas Saw

Poulan Pro 530069599 25

Poulan Pro 530069599 25" Replacement Fuel Line for ...

Poulan Gas Chain Saw | 3500 | eReplacementParts.com

Poulan Gas Chain Saw | 3500 | eReplacementParts.com

Poulan Pro 33cc Curved Shaft Trimmer

Poulan Pro 33cc Curved Shaft Trimmer

Carburetor For Craftsman Poulan PP330 PP335 PPB330 PPB335 545189502  545008042 | eBay

Carburetor For Craftsman Poulan PP330 PP335 PPB330 PPB335 545189502 545008042 | eBay

Assembly-Clutch

Assembly-Clutch

Poulan Pro & Craftsman Trimmer 10 Pack Foam Air Filter # 545195901-10PK

Poulan Pro & Craftsman Trimmer 10 Pack Foam Air Filter # 545195901-10PK

SOLVED: Gap coil on ppb 330 poulan pro - Fixya

SOLVED: Gap coil on ppb 330 poulan pro - Fixya

Poulan PP330 Gas Saw Type 1, 330 Gas Saw Type 1 Parts Diagram ...

Poulan PP330 Gas Saw Type 1, 330 Gas Saw Type 1 Parts Diagram ...

piston cylinder kit assembly Poulan and similar items

piston cylinder kit assembly Poulan and similar items

Poulan Pro PP330 Multi-Purpose Steam Cleaner

Poulan Pro PP330 Multi-Purpose Steam Cleaner

How are the fuel lines routed from the tank to the carb on a ...

How are the fuel lines routed from the tank to the carb on a ...

Poulan Pro Pole Pruner Gas Tank Replacement #578942701

Poulan Pro Pole Pruner Gas Tank Replacement #578942701

PISTON & cylinder KIT POULAN CRAFTSMAN PP330 3450 3750 ...

PISTON & cylinder KIT POULAN CRAFTSMAN PP330 3450 3750 ...

0 Response to "39 Poulan Pro Pp330 Parts Diagram"

Post a Comment

Iklan Atas Artikel

Iklan Tengah Artikel 1

Iklan Tengah Artikel 2

Iklan Bawah Artikel