Iklan 300x250

41 john deere 47 snowblower parts diagram

Here, you can find parts for your John Deere Lawn Tractor organized by model number for easier browsing. If you know the part number, you can simply enter it into the Part Search Box above. Our huge selection of John Deere Lawn Tractor parts includes everything from tire chains to snow blades to air filter elements and everything in between.

Click here for 47-inch Snow Blower Parts for 455 Click here for 54-inch Quick-Hitch Front Blade Parts for 455 Click here for 42-inch Hydraulic Drive Tiller Parts for 455

John Deere Accessories and Other Parts; John Deere Attachments; John Deere Lawn and Garden Tractor Parts; ... Click here for model 47 mower deck parts for 212. Click here for Model 37 Snow Thrower Parts for 212. Click here for Model 37A Snow Thrower Parts for 212. Click here for Model 43 Front Blade Parts for 212. Products [100] Sort by: ...

John deere 47 snowblower parts diagram

John deere 47 snowblower parts diagram

John Deere Accessories and Other Parts; John Deere Attachments; John Deere Lawn and Garden Tractor Parts; ... Click here for 47-inch Snow Blower Parts for 322. Click here for 49-inch Snow Thrower Parts for 322. Click here for Model 54 Front Blade Parts for 322. Products [88]

ECOTRIC Heavy Duty Grab Hooks D Rings Compatible with John Deere Compact Tractor 1025R 2032R 3320 2520 Bolt on. 5.0 out of 5 stars. 2. $93.00. $93. . 00. Get it Thu, Sep 30 - Mon, Oct 4. FREE Shipping.

The 110 was designed as a garden tractor and Deere offered many integral attachments to suit the homeowner, as well as the commercial user : * Model 20 Compressor. * Model 38, 39 and 46 (for 10hp) mower deck. * Model 36, 37, and 37A snowthrowers. * Model 30, 31, and 31A rear rotary tiller. * Model 42 and 43 blade.

John deere 47 snowblower parts diagram.

JD Compact Utility Tractor Parts; John Deere Equipment Attachments; John Deere Lawn Mower Parts; JD Workshop; John Deere Hoods; Oregon Gator Blades; John Deere Blades; JD Attachments; ... $2,131.47. Add To Cart. Quick View. John Deere 60-inch High-Capacity Mower Deck BM24422 (0) $2,038.89. Add To Cart. Quick View. John Deere 54-inch Complete ...

A Worldwide Parts Services Distribution Network. The John Deere dealer is the first line of customer parts service. Throughout the world, there are dealers to serve Agricultural, Construction, Lawn and Grounds Care, and Off-Highway Engine customers.

Find trusted and reliable John Deere attachments, equipment, parts, and more at GreenPartStore. As a rapidly growing online reseller of John Deere supplies, upgrade and maintain your mower, tractor, or other JD product. Shop the most advanced and functional turf products from our vast catalog.

John Deere Accessories and Other Parts; John Deere Attachments; John Deere Lawn and Garden Tractor Parts; John Deere Lawn Tractor Parts; John Deere Zero Turn Mower Parts; ... Click here for model 47 mower deck parts for 110. Products [75] Sort by: 1 2 Next Page View All. Quick View. 3-Way HitchPlate and Towing Ball - GV175 (1) $23.95. Usually ...

Official John Deere site to buy or download Ag & Turf operator's manuals, parts catalogs, and technical manuals to service equipment. The site also offers free downloads of operator's manuals and installation instructions and to purchase educational curriculum.

44-inch Snow Blower Parts for X300. ... John Deere Snow Blower Storage Dollies - LP70692 (13) $129.99. Usually available. Add to Cart. Quick View. John Deere Snowblower Discharge Chute - AM144994 (2) $249.98. Usually available.

John Deere Decals and Labels. 11,521 Parts. Give your John Deere new life with brand new OEM John Deere decals and labels. Green Farm Parts supplies thousands of John Deere decals and labels for all types of green and yellow equipment. If you know your part number, enter it into our search bar.

Green Parts Direct specializes in parts for John Deere riding lawnmowers, riding tractors, blowers, chainsaws, trimmers, and a unique part by type search that allows you to search bearings, bushings, belts, cables, pulleys, springs, & wheels by part length, width, dimension, & style.

Snow Blower Paddles and Scraper Bars NOW IN STOCK! Couldn't find parts, then found this site - has everything I needed in stock and was shipped very quickly. Great diagrams to use. - Adam M. Due to the employee strike at John Deere, we are not receiving estimated in stock dates for all parts and equipment.

John Deere Lawn Mower 06621213-16. John Deere Push Lawn Mower Owners Manual. Pages: 12. See Prices.

John Deere 47-IN 2-Stage Snow Blower (318, 332, 420 & 430 Tractors) -PC1926 1987 Model 555001-525000 47-IN 2-Stage Snow Blower (318, 332, 420 & 430 Tractors) -PC1926

Snow Blower / Snow Thrower Service Manual. This comprehensive snowblower & snowthrower service manual covers more than 20 popular brands of snow blowers and 300 models manufactured prior to 1990. Include snow thrower lubrication, maintenance, and adjustment procedures, engine service, and a section on gear transmissions.

SOLVED: 1974 john deere 47 inch deck belt route for 112 - Fixya

Solved: 1974 john deere 47 inch deck belt route for 112 - fixya

Buy Parts. Offers & Discounts. Gear up to tackle the winter season Explore snow removal equipment, attachments, and implements. Connected Support Always connected. Always running. Join Us for 12 Days of Deals. Share your love of John Deere this holiday season with 12 Days of Deals. Shop daily deals and save on the best gifts of the season. Save ...

Jual VOLVO VOE 11170282 ANGLE SENSOR A40F-L90F-L120-A40G di ...

Jual volvo voe 11170282 angle sensor a40f-l90f-l120-a40g di ...

1-16 of over 4,000 results for "john deere parts" John Deere Original Equipment Cable #AM134404. 4.6 out of 5 stars 44. $114.20 $ 114. 20. Get it as soon as Wed, Dec 22. Only 2 left in stock - order soon. John Deere AM143911 Original Lawn Mower Tractor Lower Bagger Discharge Chute Replacement Part for 102, L100, LA100, X110, GT225, STX38, D100 ...

Has JD redesigned the existing 47/54-inch front snow blower ...

Has jd redesigned the existing 47/54-inch front snow blower ...

47-in. (119-cm) Blower Multi-Terrain

47-in. (119-cm) blower multi-terrain

John Deere 47 Blower Housing Diagram

John deere 47 blower housing diagram

JD Snowblower

Jd snowblower

Model 49 snowblower auger spins, but not with PTO | Weekend ...

Model 49 snowblower auger spins, but not with pto | weekend ...

John Deere SNOW THROWER (46)/ SNOW BLOWER (47) Chute Control ...

John deere snow thrower (46)/ snow blower (47) chute control ...

John Deere Parts Lookup -47-IN 2-Stage Snow Blower (318, 332 ...

John deere parts lookup -47-in 2-stage snow blower (318, 332 ...

John Deere 47

John deere 47" two-stage snowblower review | tractor news

John Deere 47 inch Snowblower Chain Adjustment

John deere 47 inch snowblower chain adjustment

John Deere Parts Lookup -47-IN 2-Stage Snow Blower (318, 332 ...

John deere parts lookup -47-in 2-stage snow blower (318, 332 ...

JD Snowblower

Jd snowblower

Help with model 47 blower | Garden Tractor Forums

Help with model 47 blower | garden tractor forums

59 in John Deere snow blower | Green Tractor Talk

59 in john deere snow blower | green tractor talk

Have Question About Attached Picture Of Parts For My 47

Have question about attached picture of parts for my 47" jd ...

John Deere SNOW THROWER (46)/ SNOW BLOWER (47) Auger, 47 ...

John deere snow thrower (46)/ snow blower (47) auger, 47 ...

John Deere 40-IN Thatcherator -PC9151 PTO Shaft 47 Snow ...

John deere 40-in thatcherator -pc9151 pto shaft 47 snow ...

22 John Deere 47 Snowblower Parts Diagram - Wiring Diagram Niche

22 john deere 47 snowblower parts diagram - wiring diagram niche

John Deere Parts Lookup -47-IN 2-Stage Snow Blower ...

John deere parts lookup -47-in 2-stage snow blower ...

47 two stage user manual | Green Tractor Talk

47 two stage user manual | green tractor talk

Pulley For 44-Inch and 47-Inch Snow Blower

Pulley for 44-inch and 47-inch snow blower

47 snowblower manual and install | Weekend Freedom Machines

47 snowblower manual and install | weekend freedom machines

X738 - TRACTOR, LAWN AND GARDEN Housing, 47 Inch Snow Blower ...

X738 - tractor, lawn and garden housing, 47 inch snow blower ...

I have a Deere 425 tractor with a 47 inch snow blower ...

I have a deere 425 tractor with a 47 inch snow blower ...

John Deere 47

John deere 47" fast hitch snow blower attachment for x series john deere tractor for sale

John Deere AH217591 Jehn Deere 9880i STS - Koło prowadzące ...

John deere ah217591 jehn deere 9880i sts - koło prowadzące ...

47 inch snowblower on 445 jd. | Green Tractor Talk

47 inch snowblower on 445 jd. | green tractor talk

John Deere 47-IN 2-Stage Snow Blower (318, 322, 332, 420 ...

John deere 47-in 2-stage snow blower (318, 322, 332, 420 ...

John Deere 47

John deere 47" snow blower question - tractorbynet

John Deere SNOW THROWER (46)/ SNOW BLOWER (47) Chute Control ...

John deere snow thrower (46)/ snow blower (47) chute control ...

John Deere 47

John deere 47" quick hitch snowblower parts

chain replacement DIY, 47 inch JD snowblower | My Tractor Forum

Chain replacement diy, 47 inch jd snowblower | my tractor forum

Chute Diagram - John Deere 47/54 Snow Blower

Chute diagram - john deere 47/54 snow blower

Ariens Pro 28 Track Snowblower | 926042 | eReplacementParts.com

Ariens pro 28 track snowblower | 926042 | ereplacementparts.com

Ariens 932500 (000101 - ) ST520, 5hp Tec., 20

Ariens 932500 (000101 - ) st520, 5hp tec., 20" blower parts ...

John Deere 47-inch Snow Blower Multi-Terrain - 7002M

John deere 47-inch snow blower multi-terrain - 7002m

47-in. (119-cm) Blower Multi-Terrain

47-in. (119-cm) blower multi-terrain

1032D Support | Page 2 | Snowblower Forum

1032d support | page 2 | snowblower forum

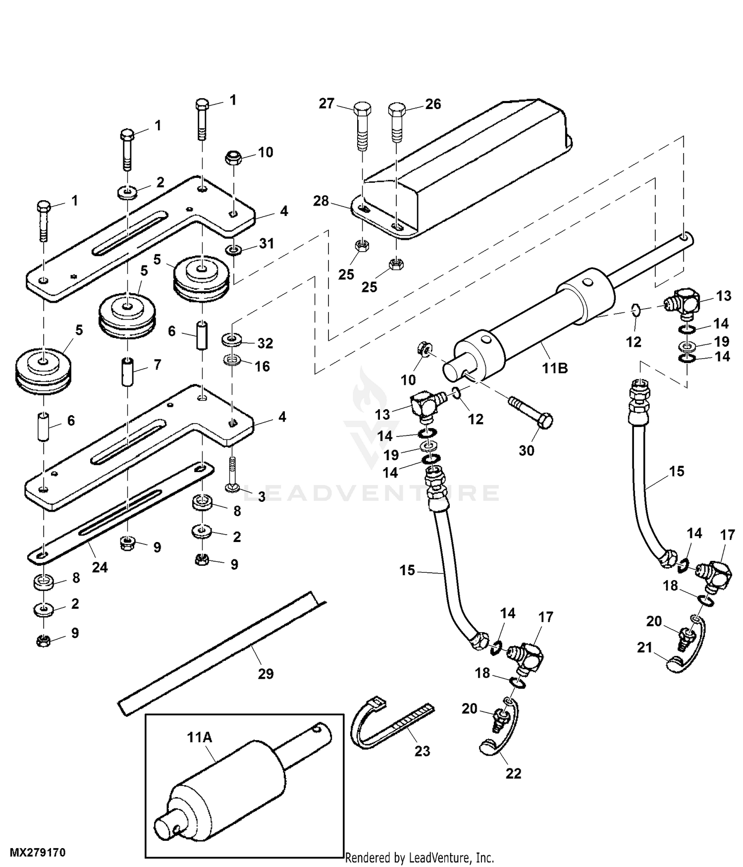
47 - SNOW BLOWER (TRACTOR-MOUNTED) MOUNTING BRACKET AND ...

47 - snow blower (tractor-mounted) mounting bracket and ...

0 Response to "41 john deere 47 snowblower parts diagram"

Post a Comment

Iklan Atas Artikel

Iklan Tengah Artikel 1

Iklan Tengah Artikel 2

Iklan Bawah Artikel