Iklan 300x250

42 mk3 jetta fuse diagram

VW Jetta ewd wiring diagram. Information on the characteristics and settings of cars Volkswagen. Specifications and data for vehicle system adjustments: engine and cooling system, ignition, fuel system, suspension, volumes of liquids, etc. Volkswagen Golf/Jetta 1.8i 1984-1988 Engine. Sep 24, 2016 · Vw golf mk3 fuse box diagram in vw golf fuse box diagram by admin through the thousands of pictures on the internet about vw golf fuse box diagram we picks the best series along with greatest quality simply for you and now this images is usually one of graphics series in our best graphics gallery concerning vw golf fuse box diagrami really hope you can want it.

Relay/Fuse Diagrams & Electrical System Notes: 1980-1982 cars use ceramic fuses! 1980-1982 cars had a recall for the fuel pump relay. These cars should have a relay bypass adapter installed in the original fuel pump relay location (position L), which is then connected to the fuel pump relay that has been relocated to

Mk3 jetta fuse diagram

Mk3 jetta fuse diagram

Volkswagen Golf mk3 (1991 – 1997) – fuse box diagram. Year of production: 19991, 1992, 1993, 1994, 1995, 1996, 1997. Fuse layout (from left to right) remove lower cover off fuse box (2 or 3 screws) pull down cover. remove lower knee bolster cover (under steering column) again, 2-3 screws. unclip and lower down fuse block. Now you can unbolt the one bolt that holds the alarm module to its bracket.. and then reach up under the dash to grab it and gain access to the alarms wires and plugs. Fuse box diagrams (location and assignment of electrical fuses and relays) Volkswagen (VW) Vento / Jetta (A3) (1992, 1993, 1994, 1995, 1996, 1997, 1998, 1999).

Mk3 jetta fuse diagram. I Was Wondering Where Can Obtain An Ignition System Wiring Diagram For A 1997 Vw Golf Mk3 Agg Engine Have You Any. Volkswagen work manuals golf mk3 diagram vw lupo 1 0 wiring dan s page user 2018 full gti turn signal stalk mk4 radio fuse box f250 headlight wire jetta cabrio genuine xenon drive2 ecode kit single switch polo how to swap front ends of a 3 ezo rock101 1997 agg engine jk mk2 haynes ... 39 Answers. Re: I need a fuse box diagram for my 1997 volkswagen... I am attaching a link for a very detailed fuse box diagram for all MK3 VW's: Central Electric 2 in Volkswagens. Covers 89-99 Golf and Jetta, 90-97 Passat, all Cabrios, Corrados, and EuroVans. Posted on May 06, 2011. This is specifically a mk4 vw golf gti 99 2005 but the jetta and bug are. Volkswagen golf mk3 fuse box diagram. Headlight wiring harness yellow a2. Optional equipment wiring harness green e. Mk3 golf wiring diagram gallery. Posted on 12 july 2015 12 july 2018 by admin. Vw golf mk3 fuse box volkswagen golf mk3. Mk3 golf gti headlight wiring diagram. Vwvortex – Retrofitting Vw Mk3 Oem Cruise Control – Wiring, size: 800 x 600 px, source: s10.postimg.org. Below are several of the top drawings we get from numerous resources, we wish these photos will certainly work to you, as well as ideally extremely appropriate to what you want about the 2005 Vw Jetta Fuse Diagram is.

Electrical System. 2006 vw gti headlight wiring diagram mk3 golf turn signal stalk dan s page rewiring drls to delete 97 jetta cooling fan switch helix for 93 99 euro cabrio genuine how swap front ends of a volkswagen service repair ecode wire kit single fog light mk4 harness vwc techtip relays electrical system mk1 mk2 uprated forum help relys and fuse box vr6 iw 5 headlamp vento starting ... 2012 Jetta Tdi Fuse Diagram In The Handbook Anymore Inside Fuse 72bbe3 Mk1 Vw Caddy Fuse Box Diagram Wiring Resources 4d8f4 Vw Golf Mk3 Fuse Box Diagram Wiring Resources 1d126 1969 Cadillac Fuse Box Diagram Wiring Resources 97 Pat Tdi Fuse Box Wiring Schematic Diagram Pokesoku Co Ec2cc Mk1 Vw Caddy Fuse Box Diagram Wiring Resources ... Volkswagen Golf mk3 - fuse box diagram. Auto Genius. Everything about cars ... Contact us; Volkswagen Golf mk3fuse box diagram. Posted on 12 July 2015 12 July 2018 by admin. VW Golf mk3fuse box Volkswagen Golf mk3fuse box Volkswagen Golf mk3 – separate relays above fuse/relay panel ... Jetta (9) Karmann (2) Lupo (5) Passat (9 ... Covers 89-99 Golf and Jetta, 90-97 Passat, all Cabrios, Corrados, and EuroVans. A2Resource > Electrical Systems > Fuse Box Information > Central Electric 2 Fuse Box:

I am attaching a link for a very detailed fuse box diagram for all MK3 VW's: Central Electric 2 in Volkswagens. Covers 89-99 Golf and Jetta, 90-97 Passat, all Cabrios, Corrados, and EuroVans. Fuse box diagram (location and assignment of electrical fuses) for Skoda Octavia (Mk3/5E; 2013, 2014, 2015, 2016). Nov 04, 2019 · Updated November 04, 2019. Below you'll find the fuse map and locations for the fuse box on a 1999 Volkswagen Jetta. Similar models will have similar fuses. The information is also contained in your owner's manual, or if you don't have one, you can use a proper service manual for reference. While you're staring at your computer, you can use ... See more on our website: https://fuse-box.info/volkswagen/volkswagen-golf-iv-mk4-1997-2004-fuses-and-relayFuse box diagram (location and assignment of electr...

[DIAGRAM] 2013 Vw Jetta Tdi Fuse Diagram

[DIAGRAM] 2013 Vw Jetta Tdi Fuse Diagram

Fuse 1: Fuse 2: Main Battery Run: Interior lamps, number plate and fog lights : Fuses 3 and 4: Fuse 5: Side lights and tail lights: Heater blower : Fuse 6: Fuse 7: Reversing lights, wipers and washers: Brake lights, heated rear window and indicators : Also instruments via voltage regulator

VOLKSWAGEN VW golf JETTA MK3 A3 WIRING DIAGRAM MANUAL - PDF DOWNLOAD - HeyDownloads - Manual Downloads

VOLKSWAGEN VW golf JETTA MK3 A3 WIRING DIAGRAM MANUAL - PDF DOWNLOAD - HeyDownloads - Manual Downloads

Diagram 2004 vw jetta wiring diagrams full volkswagen gli cooling fan gls 2006 air conditioner 1998 alarm system 2002 jettum new beetle main fuse box block golf mk3 a3 whole vehicle help reading tdi audi a4 1 9 pin out needed for wiper motor easier to read alh car radio stereo audio gl madcomics 2003 polo uk thesamba com type.

GolfGTIforum.co.uk - An independent forum for Volkswagen ...

GolfGTIforum.co.uk - An independent forum for Volkswagen ...

2007 vw jetta fuse box - thanks for visiting my web site, this post will review about 2007 vw jetta fuse box. We have actually collected several images, hopefully this image serves for you, and assist you in discovering the response you are trying to find. Description : 2002 Volkswagen Jetta Fuse Box Diagram -

VW New Beetle 2004 Main Fuse Box/Block Circuit Breaker Diagram - CarFuseBox

VW New Beetle 2004 Main Fuse Box/Block Circuit Breaker Diagram - CarFuseBox

Fuse Box Diagram Volkswagen Golf Iv Bora Mk4 1997. Fusebox problem on my 82 golf mk1 diesel. FuseRelay Panel Rear Connections Volkswagen Part Number 357 937 039 Volkswagen Jetta mk1 fuse box diagram rear box. Posted by Box Diagram Author 2021-10-22. Vw mk3 jetta instrument cluster wiring diagram. Mk1 golf fuse box problems.

Anyone have a fuse diagram yet for the 2019 Jetta? Trying ...

Anyone have a fuse diagram yet for the 2019 Jetta? Trying ...

For the Volkswagen Golf 3 1991, 1992, 1993, 1994, 1995, 1996, 1997, 1998 model year. Fuse box location.

2015 Vw Jetta Tdi Fuse Diagram / 2015 Vw Jetta Tdi Fuse ...

2015 Vw Jetta Tdi Fuse Diagram / 2015 Vw Jetta Tdi Fuse ...

Jan 28, 2020 · Relay carrier on onboard supply control unit (left under dash panel) Volkswagen Jettafuse box diagram – relay carrier on oboard supply control. No. A. Function/component. A. 30. Seat adjustment thermal fuse 1 -S44- (from May 2004) B.

Fuse box location and diagrams: Volkswagen Vento / Jetta (1992-1999) - YouTube

Fuse box location and diagrams: Volkswagen Vento / Jetta (1992-1999) - YouTube

For the Volkswagen Vento (Jetta, ) 1992, 1993, 1994, 1995, 1996, 1997, 1998 model year. Fuse box diagram.

Fuse Panel Diagram I Do Not Have a Cover for My Fuse Box

Fuse Panel Diagram I Do Not Have a Cover for My Fuse Box

MK3 JETTA FUSE DIAGRAM Pdf (mk3_jetta_2874.pdf) Download MK3 JETTA FUSE DIAGRAM PDF. Pin Connector. Automotive wiring diagrams for vw golf fuse box diagram by admin through the thousand images on the net concerning vw golf fuse box diagram, picks the best collections with greatest resolution just for you, and this photographs is usually one ...

2006 VW Jetta Fuse Box Diagram – MotoGuruMag

2006 VW Jetta Fuse Box Diagram – MotoGuruMag

14' Jetta fuse diagram? Anyone have a fuse diagram for a 2014 Jetta SEL? 3VWD17AJ1EM415831. 1 comment. share. save. hide. report. 66% Upvoted. This thread is archived. New comments cannot be posted and votes cannot be cast. ... Mk3 bros. 1.0k. 19 comments. share. save. hide. report. 527. Posted by 3 days ago.

Fuse box Volkswagen CC

Fuse box Volkswagen CC

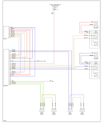
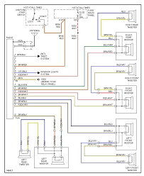
1998 VW Jetta GTI Wiring Diagram MKIII A3 Keywords: 1998 VW Jetta GTI Wiring Diagram MKIII A3 Created Date: 3/6/2008 12:00:00 AM ...

2014 Jetta Se Fuse Diagram - Wiring Diagram www - www ...

2014 Jetta Se Fuse Diagram - Wiring Diagram www - www ...

May 22, 2019 · Use this diagram to determine which fuse to replace if your brake lights or fuel pump go out in your 1999 or newer Volkswagen Jetta or Golf. A fuse is a safety device; it protects an electrical circuit from excessive current. Inside it is a metal strip that melts when too much current passes through, opening the circuit and blocking the current.

Relay Fuse Box Panel Block CE2 VW Jetta Golf MK2 MK3 Passat B3 B4 ~ 357 937 039 | CarParts4Sale, Inc.

Relay Fuse Box Panel Block CE2 VW Jetta Golf MK2 MK3 Passat B3 B4 ~ 357 937 039 | CarParts4Sale, Inc.

Vwvortex - Abs Fuse Location To Disable Abs - On Mk3 And 3.5 regarding 2001 Vw Jetta Fuse Box Location by admin Through the thousands of photographs on the internet regarding 2001 vw jetta fuse box location, selects the very best collections along with ideal quality exclusively for you, and this photos is actually one of pictures selections in this best pictures gallery regarding 2001 Vw Jetta ...

2006 VW Jetta Fuse Box Diagram – MotoGuruMag

2006 VW Jetta Fuse Box Diagram – MotoGuruMag

Fuse box diagrams (location and assignment of electrical fuses and relays) Volkswagen (VW) Vento / Jetta (A3) (1992, 1993, 1994, 1995, 1996, 1997, 1998, 1999).

Diagram by Akita - Your Diagram Source from Akita. | Vw jetta, Vw passat, Diagram

Diagram by Akita - Your Diagram Source from Akita. | Vw jetta, Vw passat, Diagram

remove lower cover off fuse box (2 or 3 screws) pull down cover. remove lower knee bolster cover (under steering column) again, 2-3 screws. unclip and lower down fuse block. Now you can unbolt the one bolt that holds the alarm module to its bracket.. and then reach up under the dash to grab it and gain access to the alarms wires and plugs.

2006 VW Jetta Fuse Box Diagram – MotoGuruMag

2006 VW Jetta Fuse Box Diagram – MotoGuruMag

Volkswagen Golf mk3 (1991 – 1997) – fuse box diagram. Year of production: 19991, 1992, 1993, 1994, 1995, 1996, 1997. Fuse layout (from left to right)

2006 Vw Jetta 2.5 Fuse Box Diagram

2006 Vw Jetta 2.5 Fuse Box Diagram

Fuse Panel Diagram I Do Not Have a Cover for My Fuse Box, Page 2

Fuse Panel Diagram I Do Not Have a Cover for My Fuse Box, Page 2

2003 Jetta Fuse Box / For Volkswagen Golf Jetta Fuse Box ...

2003 Jetta Fuse Box / For Volkswagen Golf Jetta Fuse Box ...

Fuse Diagram Key Card 99-05 VW Jetta Golf MK4 - Genuine - 1J0 010 227 H | eBay

Fuse Diagram Key Card 99-05 VW Jetta Golf MK4 - Genuine - 1J0 010 227 H | eBay

2015 Vw Jetta Tdi Fuse Diagram - I need a fuse diagram for ...

2015 Vw Jetta Tdi Fuse Diagram - I need a fuse diagram for ...

Volkswagen Jetta mk2 (1989 - 1992) - fuse box |🔧 Fuses Guru

Volkswagen Jetta mk2 (1989 - 1992) - fuse box |🔧 Fuses Guru

Location of flasher relay in MkIII Jetta? | VW Vortex - Volkswagen Forum

Location of flasher relay in MkIII Jetta? | VW Vortex - Volkswagen Forum

Fuse Box Diagram Volkswagen Vento / Jetta (A3) (1992-1999)

Fuse Box Diagram Volkswagen Vento / Jetta (A3) (1992-1999)

2015 Vw Jetta Tdi Fuse Diagram - High idle switch mod ...

2015 Vw Jetta Tdi Fuse Diagram - High idle switch mod ...

2006 Volkswagen Jetta Tdi Fuse Box Diagram | schematic and ...

2006 Volkswagen Jetta Tdi Fuse Box Diagram | schematic and ...

Fuse Diagram For 2012 Jetta - General Wiring Diagram

Fuse Diagram For 2012 Jetta - General Wiring Diagram

GolfGTIforum.co.uk - An independent forum for Volkswagen ...

GolfGTIforum.co.uk - An independent forum for Volkswagen ...

1991-1997 Volkswagen Golf Mk3 Fuse Box Diagram » Fuse Diagram

1991-1997 Volkswagen Golf Mk3 Fuse Box Diagram » Fuse Diagram

VOLKSWAGEN VW golf JETTA MK3 A3 WIRING DIAGRAM MANUAL - PDF DOWNLOAD - HeyDownloads - Manual Downloads

VOLKSWAGEN VW golf JETTA MK3 A3 WIRING DIAGRAM MANUAL - PDF DOWNLOAD - HeyDownloads - Manual Downloads

Volkswagen Jetta Fuse Diagram

Volkswagen Jetta Fuse Diagram

2015 Vw Jetta Tdi Fuse Diagram - 1 : Fuse box in passenger ...

2015 Vw Jetta Tdi Fuse Diagram - 1 : Fuse box in passenger ...

SOLVED: Fuse box diagrams for a 2012 jetta - Fixya

SOLVED: Fuse box diagrams for a 2012 jetta - Fixya

KIA Carens (RD; from 2013) - fuse box diagram - Auto Genius

KIA Carens (RD; from 2013) - fuse box diagram - Auto Genius

2015 Vw Jetta Tdi Fuse Diagram / VW Jetta 2000 TDI 2015 ...

2015 Vw Jetta Tdi Fuse Diagram / VW Jetta 2000 TDI 2015 ...

Dan's VW page

Dan's VW page

Fuse box Volkswagen Golf 3

Fuse box Volkswagen Golf 3

2013 VW Jetta Fuse Box Diagram – MotoGuruMag

2013 VW Jetta Fuse Box Diagram – MotoGuruMag

97 Passat Tdi Fuse Box - Wiring Diagram Networks

97 Passat Tdi Fuse Box - Wiring Diagram Networks

2007 VW Jetta Fuse Box Diagram – MotoGuruMag

2007 VW Jetta Fuse Box Diagram – MotoGuruMag

48+ 2015 Vw Jetta Fuse Diagram

48+ 2015 Vw Jetta Fuse Diagram

2015 Vw Jetta Se Fuse Box Diagram - hettaeveliina

2015 Vw Jetta Se Fuse Box Diagram - hettaeveliina

Need a fuse box diagram for my 2011 jetta sportswagen(not ...

Need a fuse box diagram for my 2011 jetta sportswagen(not ...

0 Response to "42 mk3 jetta fuse diagram"

Post a Comment

Iklan Atas Artikel

Iklan Tengah Artikel 1

Iklan Tengah Artikel 2

Iklan Bawah Artikel