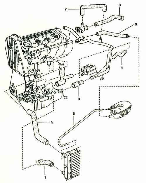
41 2004 vw jetta radiator hose diagram
Volkswagen Jetta 2004, Power Steering Return Line Hose Assembly by Edelmann®. Quantity: 1 per Pack. Engineered by the company with more than 50 years of steering hose manufacturing experience, Edelmann power steering replacement hoses... We had a major Coolant Leak in our 2002 Volkswagen Jetta 2.0 mark 4 Coolant hose / Hose Junction Leak I had to repair / fix / replace, because the plastic ho...
I need a vacuum hose diagram for 2001 jetta vr6 28 volkswagen jetta question. The engine in this video is an awp out of a 2002 jetta. 2001 volkswagen jetta glsglx 28l vr6 ca. To upper coolant hose coolant hoses connection diagram page 19 11 9.

2004 vw jetta radiator hose diagram
More About Engine Heating & Cooling Hoses Over time, the rubber cooling hoses in your engine's cooling system become brittle and can burst or crack, resulting in a coolant leak. Replace old and tired coolant hoses with OEM cooling hoses or quality aftermarket options to save some money. 2004, 1.8 turbo,New Vacuum Hose Routing Diagram Sticker VW /jetta 4cyl-06a 010 311 h-label. Malinda, Order the routing sticker through the dealer if available or go to auto recycler and take picture, down load and print, laminate and stick on your car. Check the attached links pics. of vacuum lines. Good luck. 2001 vw jetta coolant system diagram. Vw jetta cooling system diagram this is images about vw jetta cooling system diagram posted by brenda botha in vw category. 2000 vw jetta vrt 2000 audi tt quattro. Redoing the cooling system for the track car and need to make sure im correct. 2001 vw jetta cooling system diagram here you are at our website.
2004 vw jetta radiator hose diagram. Jan 16, 2009 · I am replacing the heater core in 2004 vw jetta. I have the glove box out and hoses disconnected and 2 nuts removed from under hoses under hood/firewall. Do you have a diagram or pictures to finish. I am stuc. Satisfy Your Jetta Radiator Hose Replacement Needs Quickly Radiator hoses are usually rubber. They can weaken over time and develop cracks. The environment around the engine is hot and full of vibration and movement. There are a few signs that a 2001 VW Jetta radiator hose diagram may be needed, and tell you that a VW Jetta coolant leak is likely. Location. Pineview GA. TDI. Jetta Wagon 2003 RIP Rockford IL. May 25, 2013. #5. Item 6 is the ECT aka Engine Coolant Temperature which drives both the gauge in the car and provides input to the Engine Control module. Assuming you have an ALH engine, the ECT is on the driver's side of the head on the back side. Need a coolant flow diagram/explanation. I would like to know exactly the route (s) the coolant flows through my 1.6 n/a engine-radiator-heater core. I believe it goes out the front port on the head and down to the water pump housing when the themostat is closed; and out the front port on the head, into the top of the radiator, out the bottom ...
Jun 19, 2017 · So I have an update. I spent some time tracing the vacuum hose routing in the car, and comparing it to the VW Vacuum Hose Routing Diagram. In my first post I mentioned a 'stray' hose that was disconnected, and as it turns out the hose is not on the diagram. On closer inspection, it originates from a T-Piece in the N75 to VNT Actuator Line. Hose. Coupling. 2004 Volkswagen Jetta. Genuine Volkswagen Part - 6Q0122291F (1J0122291A, 6Q0-122-291-F) So, instead of looking like a DB and asking "hey guys, what's that plastic s shaped hose in right behind the radiator" or where the different hoses for the cooling system are since I need to check all of them for a leak that I can only smell that sweet antifreeze smell from, I figured I would ask for the diagrams. Hoses. 1.9L diesel, 1999-03, to intercooler, #2. Expansion tank to cyl head. Jetta. 1.9l tdi. 1.9L, 1999-2003, upper, sedan.
Hose. PRESSURE. 2004 Volkswagen Jetta. Genuine Volkswagen Part - 1J0145834T (1J0-145-834-T) * pdf M - VACUUM DIAGRAMS Article Text Volkswagen Vacuum Diagrams. Cabriolet, Fox, Golf, Golf GT, Jetta, Vanagon. VACUUM DIAGRAMS. Fig. 1: Fox Vacuum Hose Routing. Here's how to replace the radiator in the 1998 and later model VW Jetta. Unfasten the drain plug on the bottom of the radiator, and let the engine coolant drain into a resealable container. Unhook the electrical connectors from the coolant fan and thermal switch. Detach the release lever holding the front bumper, and take off the radiator grille. Shop 2004 Volkswagen Jetta Hose. Flexible hose that is part of the engine cooling system. AND AMPLIFIER Cooling, Manual, LITER -OEM Volkswagen Part # 1J0122101BL (1J0-122-101-BL)
2004, 1.8 turbo,New Vacuum Hose Routing Diagram Sticker VW /jetta 4cyl-06a 010 311 h-label Malinda, Order the routing sticker through the dealer if available or go to auto recycler and take picture, down load and print, laminate and stick on your car.
Volkswagen Jetta IV GLI 1 8T Hoses Page 1 ECS Tuning. 2004 gti coolant hose pipes and flanges diagram needed. – Clamp off coolant hoses – 1 – using Hose clamps up to 40 mm. Turn on the hose and flush the radiator until the water runs clear out the bottom. Volkswagen Golf Service Repair Manual 4- cylinder injection engine 14 1 direct inction.
Shop Volkswagen Jetta GLI Radiator Coolant Hose (Upper, Lower). Hose. Flexible hose that is part of the WTiming, Cooling, Belt - OEM Volkswagen Part # 1K0122101DK (1K0-122-101-DK) CONFIRM THIS FITS YOUR Volkswagen Jetta GLI Volkswagen Jetta GLI: Cooling Products.
Access our Volkswagen Cars 2000-05 Vacuum Diagrams Repair Guide by creating an account or signing into your AutoZone Rewards account. Once you sign in, follow these instructions to access our Repair Guides. Add your vehicle in Manage My Vehicles. Enter your vehicle details. Click the "View More" button, and then click "Vehicle Repair ...
2004, 1.8 turbo,New Vacuum Hose Routing Diagram Sticker VW /jetta 4cyl-06a 010 311 h-label - Cars & Trucks question
Includes a T fitting to supply coolant to the auxiliary water pump For vehicles with AWW or AWP engine code with 5-speed automatic transmission only. Brand: ES#: 307268. Mfg#: 1J0122101CC. Qty: Availability: In Stock. 56% off MSRP $105.00 $45.95.
This is a fastener-by-fastener description of how I diagnosed and repaired a slow coolant leak as a result of a bad coolant hose flange on a 2001 VW MKIV Jet...
Bought my 1995 jetta 2.0 with no vacuum hoses need diagram to see where they all go 1995 Volkswagen Jetta I need a vacuum hose diagram for a 2.3 V5 Volkswagen Golf/Bora (150ps 10Valve)
Radiator Coolant Hose Adapter (Upper, Lower). Volkswagen Jetta. Genuine Volkswagen Part - 6Q0122291F (1J0122291A, 6Q0-122-291-F)
Wiring Diagram 7 2001 Vw Jetta Coolant System Diagram.For Vw Golf Jetta 2 8l Vr6 6cyl Throttle Body Heater. 34 2001 Vw Jetta Radiator Hose Diagram.Extra Sub-radiator - Page 3 Vw Rabbit.Cooling System Parts Vr6 Techtonics Tuning Vw And Audi.. Subtopics accompanying to the VW Cooling Air System are addressed in the afterward And in that case what is the purpose of the hoses that attach to the ...
Buy a 2004 Volkswagen Jetta Radiator Hose at discount prices. Choose top quality brands AC Delco, API, Brock, Burgaflex, ContiTech, Dayco, Febi, Gates, Genuine, MTC ...
Would appreciate a some complete cooling system diagrams for a 2004 vw gti 1.8T ...I am replaceing hoses and some - Answered by a verified VW Mechanic. We use cookies to give you the best possible experience on our website. ... 2001 VW Jetta: coolant and I can see..diagram of my engine..water pump.
Order Volkswagen Jetta Engine Coolant Hose Connector online today. ... 2007 Volkswagen Jetta Engine Coolant Hose Connector 2006 Volkswagen Jetta Engine Coolant Hose Connector 2005 Volkswagen Jetta Engine Coolant Hose Connector 2004 Volkswagen Jetta Engine Coolant Hose Connector 2003 Volkswagen Jetta Engine Coolant Hose Connector 2002 Volkswagen ...
3 METRE BLUE SILICONE VACUUM HOSE AIR ENGINE BAY DRESS UP 2MM FIT VW (Fits: 2004 Volkswagen Jetta) $8.99. Free shipping. New! Volkswagen Jetta OEM Engine Coolant Pipe 022121050 022121050 (Fits: 2004 Volkswagen Jetta) $53.00. Free shipping.
2001 vw jetta coolant system diagram. Vw jetta cooling system diagram this is images about vw jetta cooling system diagram posted by brenda botha in vw category. 2000 vw jetta vrt 2000 audi tt quattro. Redoing the cooling system for the track car and need to make sure im correct. 2001 vw jetta cooling system diagram here you are at our website.
2004, 1.8 turbo,New Vacuum Hose Routing Diagram Sticker VW /jetta 4cyl-06a 010 311 h-label. Malinda, Order the routing sticker through the dealer if available or go to auto recycler and take picture, down load and print, laminate and stick on your car. Check the attached links pics. of vacuum lines. Good luck.
More About Engine Heating & Cooling Hoses Over time, the rubber cooling hoses in your engine's cooling system become brittle and can burst or crack, resulting in a coolant leak. Replace old and tired coolant hoses with OEM cooling hoses or quality aftermarket options to save some money.
1k0122063g Genuine Audi Engine Coolant Hose Auxiliary Water Pump To Connector Fast Shipping Available
0 Response to "41 2004 vw jetta radiator hose diagram"
Post a Comment