39 l120 john deere belt diagram
John deere L120 G series will run but ... I need a belt diagram of John Deere L120 mower deck ... Need diagram for john deere d140 mower deck belt John Deere L 120 Belt Diagram . A wiring diagram is a simplified traditional pictorial representation of an electric circuit. TAKE PHOTOS F...
John Deere Tractors John Deere Tractor Parts amp Manuals. John Deere Tractor Manual Technical Data and Information. Lawn Tractor E120 20 HP John Deere Service Advisor EDL V2 Diagnostic Kit. Amazon com New John Deere 45 Loader Parts Manual. John Deere 48 in Mower Belt for L120 and...
L120 john deere belt diagram
Buy Genuine OEM John Deere Parts. Search huge inventory of Tractor Parts, Lawnmower Parts, Blower Parts, Engine Parts and ship it Today! We also offer a comprehensive free parts search using illustrated diagrams. We have been in business since 1945 and have been recognized as leaders in... ... Diagram For John Deere Pro Gator 2030a diagram for john deere 110 diagram for john deere lt160 diagram for john deere d110 diagram for john deere ... John Deere mower deck for an L 120. Posted by Anonymous on Sep 14, 2014. I have found the manual at JD's website. Click the link and scroll down in the left column until you find the heading for replacing the belt.
L120 john deere belt diagram. In this video I show you how to replace a John Deere mowing deck belt. I also show you how to remove and reinstall the mowing deck. ...l120 belt tags : John Deere L120 YouTube , John Deere Tractor 100 Series Drive Belts Set brake to slacken belt , have a John Deere L120 Tractor Lawnmower and I am looking , 18 hp john deer sabre drive belt , Results for John Deere Z225 Belt Diagram. , com/tools power equipment/john deere... John Deere Deck Belt Diagram Wiring Site Resource. This belt fits models l120 and l130. The john deere 48 mower deck belt pattern diagram can be obtained from most john deere dealerships. Designed for durability these more kevlar cords help meet high horsepower demands. John Deere Parts Diagrams John Deere STEERING WHEEL GEARS. la130 parts diagram circuit diagram … l130 mower deck belt diagram. John deere l120 l130 pto clutch wiring lawn tractor owner s manual broken wire jd717a replacement electric won t ene on 214 my diagram for a l 111...
John deere deck drive belt m82718 john deere deck drive belt tractor to deck fits models. The deck belt my jd dealer gave me was m41668 and the belt for the mule drive pulley is m82718. John Deere Mower Deck Parts 48 Inch 318 Belt Diagram L130 L120 I am attempting to install a new deck belt on... John Deere 110 Wiring Diagram Parts Diagrams ... John Deere G110 Mower Belt Diagram ... John Deere L100 L108 L110 L111 L118 L120 L130 Lawn You Might Also Like This Photos Or Back to John Deere Belt Diagram. Led Light Wiring Diagram. Ford Ranger Front Suspension Diagram. Partial Solar Eclipse Diagram. Jeep Grand Cherokee Tie Rod Diagram. John Deere L120 Belt Diagram Manual By Danialsummerlin1648. The cat 5 John Deere L120 Belt Diagram will likely be your starting point to building and environment your initially network, and additionally, you will come across that it's going to be a good deal much less expensive than going out...
John Deere L120 Wiring Diagram. You'll need not certainly be a networking pro in having the ability to wire John Deere L120 Carburetor Diagram Wiring cable to an RJ-45 connector. John Deere L120 48 Deck Parts Diagram at Resume Design . The John Deere L120 is equipped with one of two engines: a 0.7 L v-twin Briggs & Stratton CV40 gasoline engine or a 0.7 L v-twin Briggs & Stratton Intek 40 gasoline engine and belt-driven hydrostatic transmission with infinite forward and... Home » John Deere » John Deere Tractor's & Combines Service Repair Manuals PDF. John Deere tractors, combines & lawn mowers service repair manuals, spare parts catalogs and wiring diagrams. John Deere L120 Lawn Mower Operator's Manual.pdf. John deere l120 l130 48 deck parts diagram with original john deere parts and easy to use parts look up. Service Mower. A john deere belt diagram can be found in an owner manual. John deere mower deck front draft arm gx20497 32 1502. Discover ideas about john deere mowers.
John Deere Wiring Schematic Diagrams.pdf. 414.4kb. John Deere 7721 COMBINE WITH BELT PICKUP AND PICKUP PLATFORM parts catalog.
JOHN DEERE - Service Manual Download Variety of john deere l120 wiring diagram. A wiring diagram is a simplified traditional pictorial representation of an electric circuit. It shows the elements of the circuit as streamlined shapes, as well as the power as well as signal links in between the gadgets.
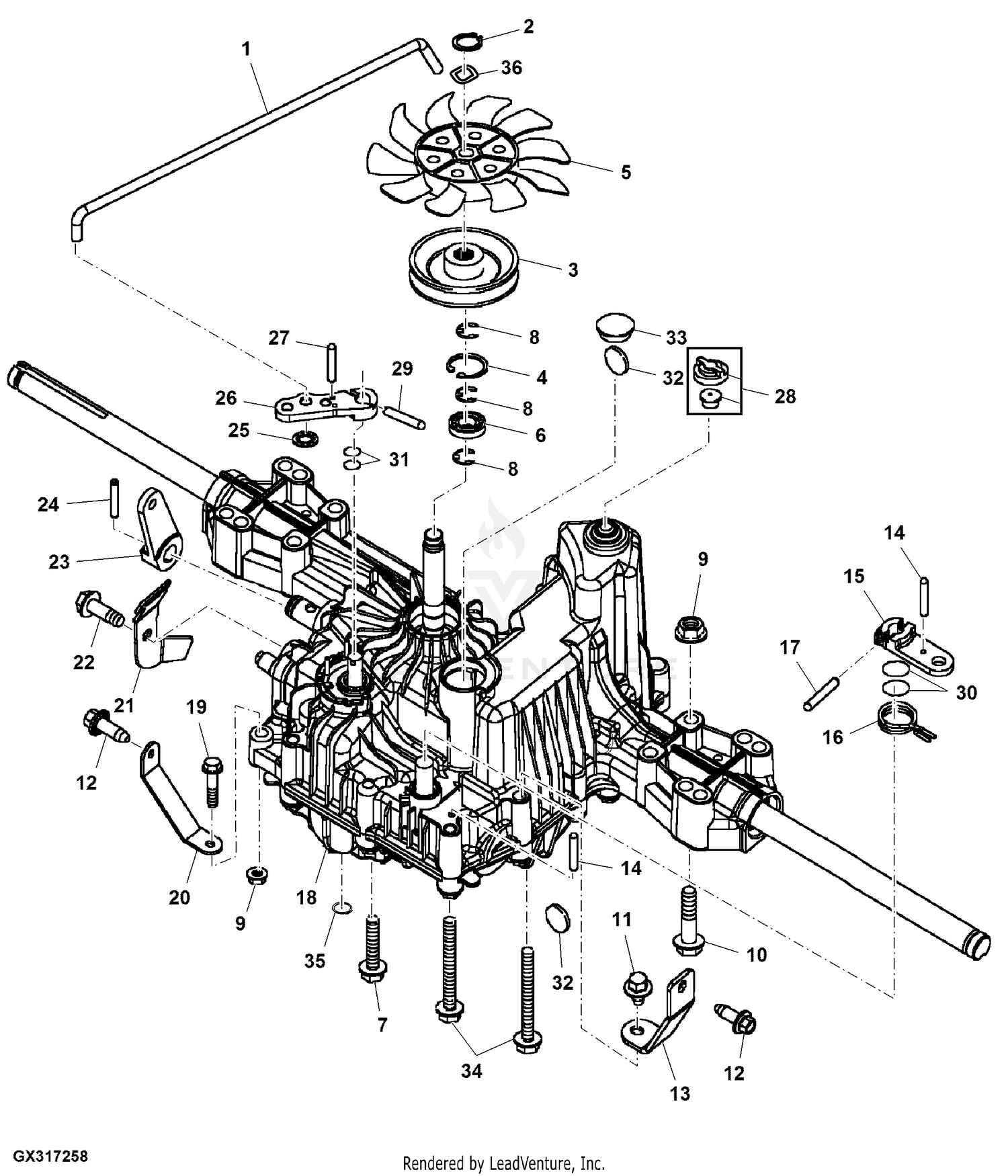
The transmission belt on a John Deere L120 acts as an intermediate belt between the power take off, or PTO, clutch pulley, mower deck and transmission.
need a quick reference guide on diagram of belt drive for a l120 john deere lawn mower.
John Deere L120 Deck Rebuild Youtube. John Deere 48 In Mower Belt For L120 And L130 Models Gx20305. Pin On Mower Belts. 33 John Deere Belt Diagram 48 Inch Wiring Diagram List.
Remove the two cap screws a from in front of the gearbox. John Deere L120 Deck Belt Diagram Localcopierrepair Info ...
The JD L120 … John Deere L110 Deck Belt Diagram. REVIEW John Deere L130 today to declare we are trying to do that. Add to Cart. John Deere Drive Belts John Belt Diagram John Hydro Drive Belts Deck Replaces mower belts in riding mowers; Fits models L120, L130 Check for voltage at the...
... Diagram , Create Venn Diagram In Excel , Ariens Ikon X 52 Belt Diagram , Does Ring Doorbell Require Wiring , Where Is The Vulva On A Female Diagram , ...
John Deere L130 Belt Diagram – John Deere L120 Clutch Wiring Diagram ... Wiring Diagram For A John Deere 318 Inspirationa John Deere L120
Buy Genuine OEM John Deere parts for your John Deere L120 Lawn Tractor (With 48-IN Mower Deck) Material Collection System -PC9290 and ship today!
Here is a link to the service manual.Go down the left column until you get to belt replacement. Good luck. Ralph.
John deere bushes front axle am132365 for z225 z425 and z445 more views john deere. View the answer i have this problem too subscribed to n...
Explore more like John Deere L120 Drive Belt Schematic.
John Deere Lawn & Garden Belt Routing Guide.pdf. 5.5 MB Views: 1,606. Without ice cream, there will be darkness and chaos!
John deere model l120 lawn tractor parts product identification number serial number is located on the right side of the rear frame.

Need To Replace The Main Drive Belt On My Deere Riding Lawn Mower L108 Can Anyone Help Me With This Perhaps A
1-16 of 96 results for "john deere l120 deck belt" ...
John Deere Belts. While your John Deere machine is certainly built with quality parts, they have a limited life. Regardless of your John Deere model, these John Deere parts are used frequently in maintaining and your John Deere L120 Lawn Tractor & Parts List and can be used around your garage.
After nearly 200 hours of hard service its time to replace the drive belt on my John Deere L120 upgraded with the K66 Rear end. Great money saving tip about...
Filled in: Belt Diagram John Deere L120 Belt Diagram 9 out of 10 based on 100 ratings. ... Diagram John Deere L120 Belt Diagram
48-inch Mower Deck Parts for L120 - Before tractor serial number 150000. ... John Deere 48-inch Deck Leaf Bagging Blow Out Kit - BG20470 Quick View.
John deere l120 belt diagram. John deere bushes front axle am132365 for z225 z425 and z445 more views john deere. 2 gx20305 belt mower deck 1 100200 2 ty6341 jd multi purpose sd polyurea grease as needed service recommendations qty part no item 1 ty130907 mower deck leveling gauge...
Official John Deere site to buy or download Ag & Turf operator's manuals, parts catalogs, and technical manuals to service equipment. The site also offers free downloads of operator's manuals and installation instructions and to purchase educational curriculum.
John Deere GT275 drive belt diagram for installation. Craftsman Tractor Belt Diagram | ... for installing a transmission to engine drive belt - JustAnswer. john deere lx277 drive belt diagram - Google Search. John Deere L120.
John Deere L120 Lawn Tractor With 48 In Mower Deck 46 In Snow Blade Pc9290 2002 Model Gx018bd010001 011243 L120 Lawn Tractor With 48 In Mower Deck 46 In Snow Blade Pc9290 2003 Modelno Build L120 Lawn
Enjoy the john deere 48 in. John deere x300 mower belt. John Deere L130 Mower Deck Parts Related Post John Deere L120 48...
Wiring Diagram Database John Deere La145 Belt Diagram ... Wiring Diagram Database John Deere Z425 Drive Belt Diagram
Filled in: Belt Diagram John Deere 48 Mower Deck Belt Diagram 9 out of 10 based on 80 ratings. ... Diagram John Deere 48 Mower Deck Belt Diagram
John Deere L120 Lawn Tractor With 48 In Mower Deck 46 In Snow Blade Pc9290 2002 Model Gx018bd010001 011243 L120 Lawn Tractor With 48 In Mower Deck 46 In Snow Blade Pc9290 2003 Modelno Build L120 Lawn
The John Deere L120 is equipped with one of two engines: a 0.7 L v-twin Briggs & Stratton CV40 gasoline engine or a 0.7 L v-twin Briggs & Stratton Intek 40 gasoline engine and belt-driven hydrostatic transmission with infinite forward and reverse gears. The JD L120 is equipped with manual steering...
Template Sample > Diagram > John Deere L120 Drive Belt Diagram ... John Deere L120 Drive Belt Diagram ... John Deere L120 Automatic Belt Diagram
John Deere L130 Belt Diagram – John Deere L120 Clutch Wiring Diagram ... Wiring Diagram For A John Deere 318 Inspirationa John Deere L120
John deere l120 l130 deck parts diagram image ref part description stock price add to cart notes. New 48 mower deck belt fits john deere l120 l130 see more like this. John deere model l130 lawn tractor parts product identification number serial number is located on the right side of the rear frame.
John Deere mower deck for an L 120. Posted by Anonymous on Sep 14, 2014. I have found the manual at JD's website. Click the link and scroll down in the left column until you find the heading for replacing the belt.
... Diagram For John Deere Pro Gator 2030a diagram for john deere 110 diagram for john deere lt160 diagram for john deere d110 diagram for john deere ...
Buy Genuine OEM John Deere Parts. Search huge inventory of Tractor Parts, Lawnmower Parts, Blower Parts, Engine Parts and ship it Today! We also offer a comprehensive free parts search using illustrated diagrams. We have been in business since 1945 and have been recognized as leaders in...
0 Response to "39 l120 john deere belt diagram"
Post a Comment