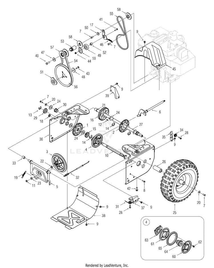
38 yard machine snowblower parts diagram
Regular maintenance and replacement of your MTD snow blower parts will keep you ready all winter long. MTD Parts carries snow blower parts for Troy-Bilt, Yard Machines, Craftsman, Yard-Man, Remington, Bolens and many more. Browse our wide selection of snow blower parts. Our Parts Lookup Page makes it easy to find the parts you need. 462 Results Sort By: Filter 462 Results Close. Apply … Need to fix your E665E Snowblower? Use our part lists, interactive diagrams, accessories and expert repair advice to make your repairs easy.
Find the replacement parts you need to keep your lawn mower, snow blower and other outdoor power equipment performing strong and running like new.

Yard machine snowblower parts diagram
Here are the most common reasons your Kenmore washing machine won't start - and the parts & instructions to fix the problem yourself. We make fixing things easier! En español Live Chat online. 1-800-269-2609 24/7. Your Account. Your Account. SHOP PARTS. Shop Parts; Appliances; Lawn & Garden; Heating & Cooling; Brands; Accessories; Start Right Here Find appliance parts, lawn & garden … Enter your model number in the search box above or just choose from the list below. How to FIND Your MTD Model Number >. MTD Yard Machines Parts Diagrams. 24/01/2011 · It’s a T2. Check out the parts diagram here: Model #247255870 Craftsman lawn ... but that finally caught up with me. Also push a 40″ Berco snowblower in the winter. Now it is fine on flats but even for mowing it seems after the transmission warms up after 10 minutes or so, I can’t go up the slightest incline – no power. The engine, Briggs Vanguard, runs great and has been maintained ...
Yard machine snowblower parts diagram. Our snow blower tips will help ensure your machine is. Read Article > Maintenance Schedule & Tips. MAINTENANCE . Keep your snow blower in good condition with snow thrower maintenance from Cub Cadet. Proper snow thrower maintenance is essential when you're. Read Article > Recommended Snow Thrower Back-Up Parts. TRICKS AND TIPS. Learn how to replace your Cub Cadet walk-behind lawn … Matches 1 - 50 of 1000 — MTD parts and MTD parts diagrams ... The parts diagram will open as a pdf file in a new window. ... H763G Yardman Snow Thrower 23 May 2012 — Dark Green (Bolens, Mastercraft, Yard-Man Domestic). 0662. Oyster Gray (MTD Gold). 0638. Red (Yard Machines, Huskee, Troy-Bilt, MTD).68 pages Here are the most common reasons your Samsung washing machine won't start - and the parts & instructions to fix the problem yourself. We make fixing things easier! En español Live Chat online. 1-800-269-2609 24/7. Your Account. Your Account. SHOP PARTS. Shop Parts; Appliances; Lawn & Garden; Heating & Cooling; Brands; Accessories; Start Right Here Find appliance parts, lawn & garden …
Find genuine MTD oem parts for your lawn and outdoor equipment! ... Part Finder; Shop Parts; Diagrams. Find the Right Part for Your Machine. Yard Machines repair parts and parts diagrams for Yard Machines 31AS63EE752 - Yard Machines Snow Thrower (2015) Searching for OEM replacement parts for Yard Machines lawn mowers and snow throwers? Search by part number, model number or parts diagram. 24/01/2011 · It’s a T2. Check out the parts diagram here: Model #247255870 Craftsman lawn ... but that finally caught up with me. Also push a 40″ Berco snowblower in the winter. Now it is fine on flats but even for mowing it seems after the transmission warms up after 10 minutes or so, I can’t go up the slightest incline – no power. The engine, Briggs Vanguard, runs great and has been maintained ...
Enter your model number in the search box above or just choose from the list below. How to FIND Your MTD Model Number >. MTD Yard Machines Parts Diagrams. Here are the most common reasons your Kenmore washing machine won't start - and the parts & instructions to fix the problem yourself. We make fixing things easier! En español Live Chat online. 1-800-269-2609 24/7. Your Account. Your Account. SHOP PARTS. Shop Parts; Appliances; Lawn & Garden; Heating & Cooling; Brands; Accessories; Start Right Here Find appliance parts, lawn & garden …
Yard Machines 31ae614e149 Yard Machines Snow Thrower 1998 Mills Fleet Farm Drive Parts Lookup With Diagrams Partstree
0 Response to "38 yard machine snowblower parts diagram"
Post a Comment