38 john deere mower belt diagram
John Deere lawn mower belt diagram. Better yet, print one out so that the graph can assist you while you’re outside, repairing the belt. It’s comparatively easier to take the mowing deck off the lawnmower. First up, you must check for a deckle and a sticker on top of the deck. 2:11A brief description of how to replace the blade belt on a L100 riding mower.4 Aug 2015 · Uploaded by thenoisynomad
The john deere 54 in. Lift the belt shield from the top of the. John deere stx38 black mower deck belt diagrambolens garden tractor page belt diagram. It is compatible with john deere riding mower models d170 and la175. Remove the two cap screws a from in front of the gearbox.

John deere mower belt diagram
2:22In this video i show how to route the deck belt on a 42" John Deere 100 series 42" deck. This video applies ...18 Sep 2016 · Uploaded by TheOutdoorPowerGuy The inside of belt will go on back side of each of th 2 blade pulleys. John deere x300 mower deck belt 42 john deere x300 mower blade removal 42 inch deck belt diagram problems john deere 42 deck inch replacement mower belt decks x300 studio image of the x330 with skip to content. 16:02How to install a mower deck belt on a John Deere L110 and D110 Lawn Tractor.16 May 2021 · Uploaded by Johnson's Small Engines
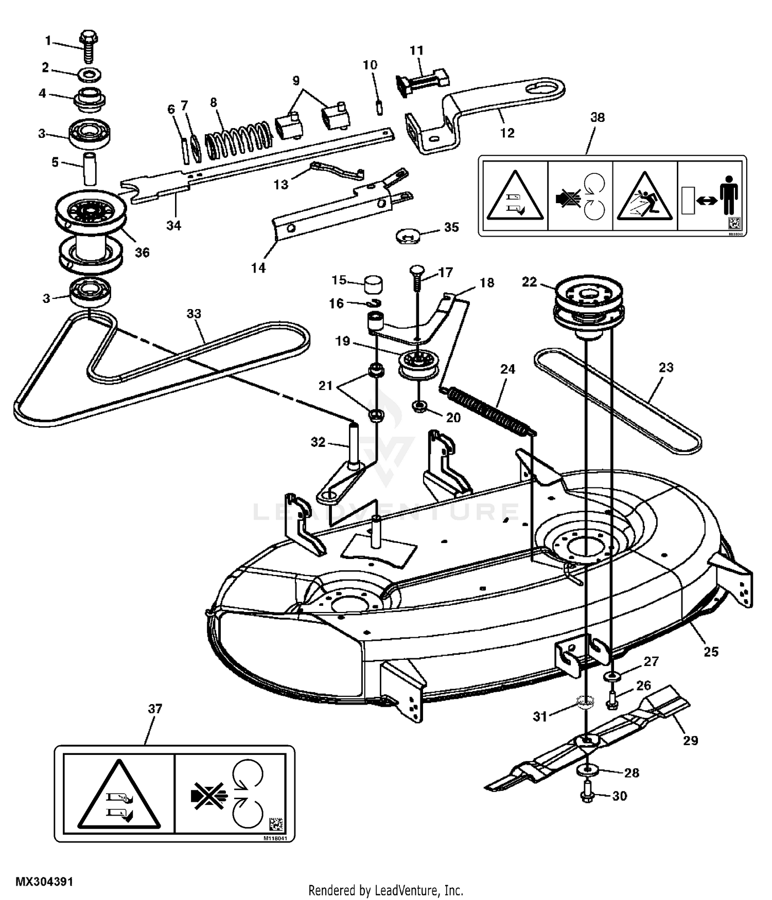
John deere mower belt diagram. 10:36In this video I show you how to replace a John Deere mowing deck belt. I also show you how to remove and ...12 Sep 2020 · Uploaded by How To With James Kit Number. D LG (49 Mower Deck Leveling Gauge. 1. TY BELT-TRACTION DRIVE. 8. D, D, D, D, D, D, D and D John Deere Tractors Removing or Installing Mower Drive Belt at Engine Drive Sheave cm (48 in.) . schematron.org Also.. . there is supposed to be a belt routing diagram on the mower. D with 42” Deck. Home Maintenance Kit. Unit. Kit Number. 1:42John Deere Lawn Tractor LA105 Mowing Deck Belt ConfigurationIn this quick video I show you the proper ...11 Feb 2014 · Uploaded by donyboy73 8:50Order a belt here: https://amzn.to/2qSoeDzA detailed, step-by-step tutorial video showing you exactly how I ...1 Jul 2016 · Uploaded by DANDLINC
John Deere 272 grooming mower belt diagram. Jump to Latest Follow 1 - 7 of 7 Posts. JohnnyWires · Registered. Joined Mar 28, 2018 · 52 Posts . Discussion Starter · #1 · Sep 1, 2018. SO I'm sure there are a million posts about this mower deck however I can't seem to find one specific to my needs. ... John Deere Mower Deck Drive Belt Tightener Spring - GX (39). $ Shop John Deere G Lawn Tractor Parts - Using Quick Parts Reference Guide Using Weingartz Illustrated Diagrams to view an illustrated diagram or call us at Mower Deck including: a spark plug, a blade, an air filter, an oil filter, a belts, . 8:58Have a broken belt that needs changing? Watch this step by step video on how to change it. Super easy to do!23 Jun 2020 · Uploaded by SunSouth John Deere Changing traction belt on john deere. Quick model guide for john deere 125 lawn tractor with 42 mower deck parts. Click the part number below to view and order john deere 125 lawn tractor parts 42 mower deck or search illustrated diagrams to determine the part you need. Belt slips off pulleys and belt seems 1 2 inches too long.
1:04John Deere Deck Belt Routing Diagram Video for all L Series John Deere Lawn Mowers. Subscribe to get my ...30 Apr 2021 · Uploaded by Mower Mike's Garage Google this search term - john deere stx38 mower belt routing diagram - you will find several routing diagrams in the "images" link that comes. Overall view. Overall view of STX38 Gear drive belt (#1). John Deere 1990s Deck Belt Graphics. John Deere Tractor STX38 and STX46 Gear Drive Belts (Black Deck) - Deere diagram; # Deere. Related : John Deere 160 Lawn Mower Drive Belt Diagram. Tags: belt Lebih baru 5:012 minute John Deere deck belt replacement! Tips that work for all 42 inch John Deere ride on lawn mowers ...19 Oct 2017 · Uploaded by Watching Grass Grow
John Deere STX46 Riding Mower Belt Drive Deck 46 John Deere STX46 Lawn Garden Specialty Belts Riding Mower M119539The Classical V-belt achiev. CALL US AT 855 669-7278. On John Deere Lx188 Drive Belt Diagram. Clean The Deck. A diagram should appear in the right hand corner. As you can see below i added the diagram to the john deere l120 belt.
16:02How to install a mower deck belt on a John Deere L110 and D110 Lawn Tractor.16 May 2021 · Uploaded by Johnson's Small Engines
The inside of belt will go on back side of each of th 2 blade pulleys. John deere x300 mower deck belt 42 john deere x300 mower blade removal 42 inch deck belt diagram problems john deere 42 deck inch replacement mower belt decks x300 studio image of the x330 with skip to content.
2:22In this video i show how to route the deck belt on a 42" John Deere 100 series 42" deck. This video applies ...18 Sep 2016 · Uploaded by TheOutdoorPowerGuy
0 Response to "38 john deere mower belt diagram"
Post a Comment