38 craftsman leaf blower parts diagram
Repair your leaf blower carburetor for less. This diy repair guide shows how to replace a carburetor in a leaf blower. We have manuals, guides and of course parts for common 358.350200 problems. User manuals, guides and specifications for your craftsman 358.795160 trimmer. Craftsman 316794611 gas leaf blower parts - manufacturer-approved parts for a proper fit every time! We also have installation guides, diagrams and manuals ...
Here are the diagrams and repair parts for Craftsman 316797210 blower/vacuum, as well as links to manuals and error code tables, if available.

Craftsman leaf blower parts diagram
Model #358798940 Craftsman blower. Here are the diagrams and repair parts for Craftsman 358798940 blower, as well as links to manuals and error code ... Craftsman 358797922 gas leaf blower parts - manufacturer-approved parts for a proper fit every time! We also have installation guides, diagrams and manuals ... Craftsman 358797920 gas leaf blower parts - manufacturer-approved parts for a proper fit every time! We also have installation guides, diagrams and manuals ...
Craftsman leaf blower parts diagram. Craftsman 316794011 gas leaf blower parts - manufacturer-approved parts for a proper fit every time! We also have installation guides, diagrams and manuals ... Craftsman 32cc weedwacker trimmer owners manual owners manual for craftsman weedwacker Hobbyist Forums i am looking for the owners manual for a sears weedwacker 21cc model#C944-517360 to download does anyone have one or a link to one? Craftsman 32cc gas hand Leaf Blower Parts & Services. Parts & Craftsman 32cc* 4-Cycle Straight Shaft Weedwacker™, Gas Trimmer Craftsman 32 cc 4-Cycle Backpack ... Line Trimmer Ignition Coil 753-05907 parts - manufacturer-approved parts for a proper fit every time! We also have installation guides, diagrams and manuals to help you along the way! Repair Manual Craftsman Garden Repair Parts Gas Blower Repair Manual Craftsman Craftsman Leaf Blower Manual - jasotan.com Craftsman 358794771 gas leaf blower manual Download the manual for model Craftsman 358794771 gas leaf blower Sears Parts Direct has parts, manuals & part diagrams for all Page 14/37
Solved Need Fuel Line Diagram On Craftsman Leaf Blower Model Replacing a fuel line on a poulan weed eater will not take much time. ... on poulan poulan p3314 fuel line diagram imageresizertool poulan p3314 fuel line diagram in addition poulan chainsaw parts diagram along with internal power unit further poulan p3314 fuel line diagram further. ... 2. Craftsman B215 25cc 2-Cycle Engine Handheld Gas Powered Leaf Blower - Gasoline Blower with Nozzle... Buy on Amazon Amazon.com. 9.3. Buy on Amazon. Amazon.com. 3. CRAFTSMAN V20 Cordless Blower, Tool Only (CMCBL0100B) Buy on Amazon Amazon.com. Craftsman 358797910 gas leaf blower parts - manufacturer-approved parts for a proper fit every time! We also have installation guides, diagrams and manuals ... Craftsman 358797991 gas leaf blower parts - manufacturer-approved parts for a proper fit every time! We also have installation guides, diagrams and manuals ...
Craftsman 358797320 gas leaf blower parts - manufacturer-approved parts for a proper fit every time! We also have installation guides, diagrams and manuals ... This muffler assembly (part number 525592801) is for leaf blowers. Muffler assembly 525592801 attaches to the engine and reduces engine noise. The assembly may include multiple parts; refer to your parts diagram for a complete list of parts included. Let the engine cool before installing this part. Wear work gloves to protect your hands. Craftsman Leaf Blower Parts Craftsman Leaf Blower Parts: Jack's is your place! We have the Craftsman Leaf Blower Parts you need, with fast shipping and great prices. For power equipment parts and accessories, think Jack's! Craftsman 32cc Leaf Blower Manual Shop for CRAFTSMAN LEAF BLOWER repair parts for model 358797923 at Sears PartsDirect. Craftsman 358797920 gas leaf blower parts - manufacturer-approved parts for a proper fit every time! We also have installation guides, diagrams and manuals ...
Craftsman 358797922 gas leaf blower parts - manufacturer-approved parts for a proper fit every time! We also have installation guides, diagrams and manuals ...
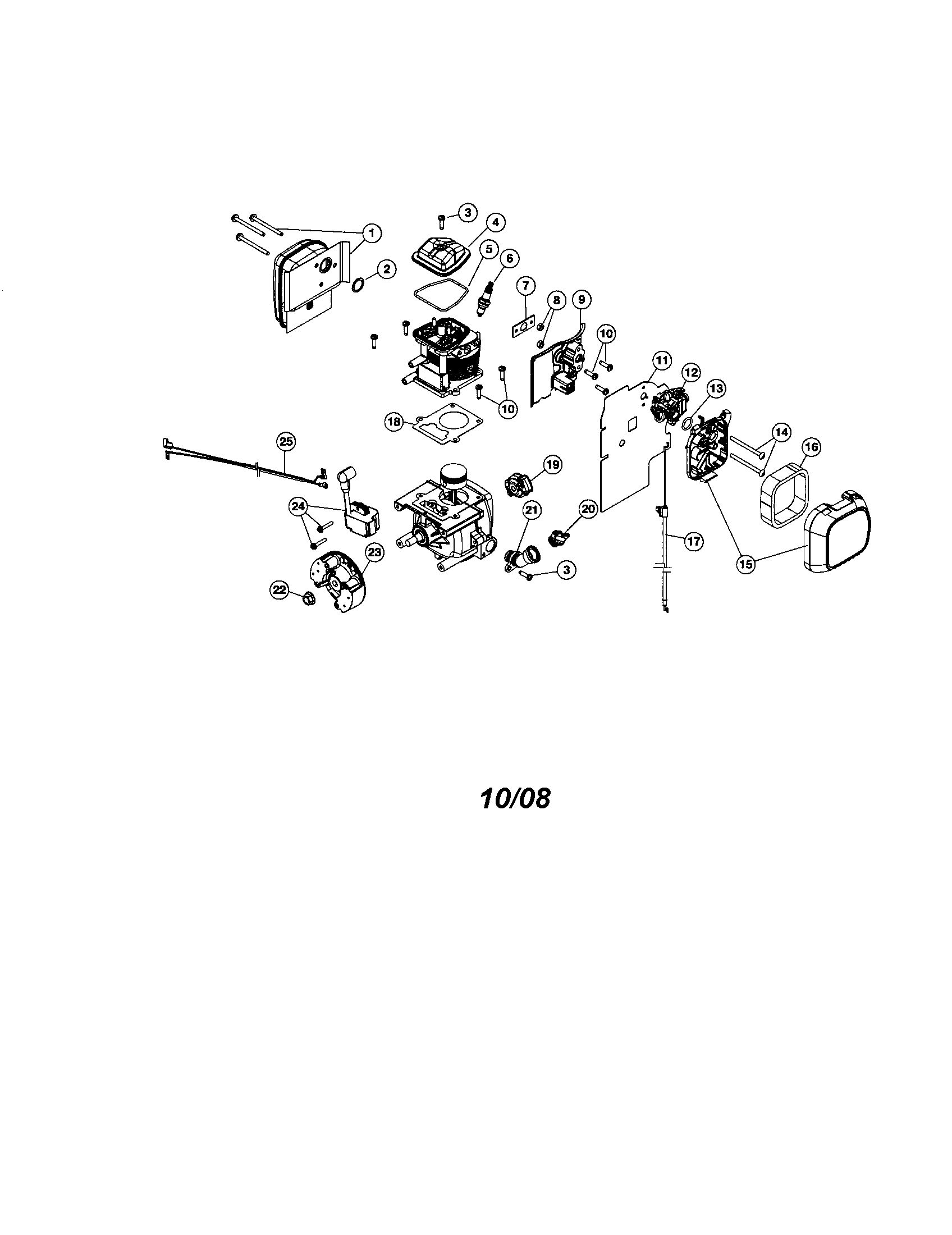
Craftsman Cmxgaamr27bl 41ar27bl793 Craftsman Blower General Assembly Parts Lookup With Diagrams Partstree
Model #358798940 Craftsman blower. Here are the diagrams and repair parts for Craftsman 358798940 blower, as well as links to manuals and error code ...
0 Response to "38 craftsman leaf blower parts diagram"
Post a Comment