37 pioneer deh 11e wiring diagram
A wiring diagram is a diagram showing how to wire certain electrical components, in this case it would be the Pioneer DEH-4400. Deh2950mp Pioneer Promotions. Pioneer deh p2900mp installation manual xu uc manualzz x6800bs wiring diagram 10 images 2900mp xn ew5 8 operations aftermarket stereo 11e new 16 pin auto wire harness x65bt radio cd p250 pdf support p2550 p55bt car deh2950mp promotions p350 3500 1900mp 1600 for p3900mp x9600bhs p5950ib 35 12v camper trailer full 21001b p2600 player ecoustics com mg6347zh p6800mp ...
Save on the Pioneer DEH-150MP Aftermarket Stereo Radio Receiver Replacement Wire Harness Cable for 5.95.

Pioneer deh 11e wiring diagram
Tractor Wiring Diagram · Pioneer Deh 150mp Wiring Diagram For 03 .... 7 hours ago — ... Diagram - Wiring Diagram For Pioneer Deh 150mp - Need Diagram 1993 Celica Toyota 2 2 Liter Engine Cooling System - Auto Reset Circuit .... I put links to each Pioneer Single DIN Car Stereo With MIXTRAX DEH X7600S ... Perhaps, you need a Pioneer car stereo wiring diagram. Mobile Information Labs offers many resources to meet all of your demanding questions related to car stereo. We offer advice and guidance regarding wiring diagrams, installation and removal guides, radio codes, remote entry and many other accessory and car stereo applications. Pioneer Avic D3 Wiring Diagram. January 9, 2019 January 9, 2019. Sponsored links. Related posts: How To Read P&id. Texecom Gsm Dialler ... Craftsman Riding Mower Wiring Schematic. 1957 Chevy Wiring Diagram. Post navigation. Pioneer Deh 11e. 1988 Ford E150. Leave a Reply Cancel reply. Your email address will not be published. Required fields are ...
Pioneer deh 11e wiring diagram. I have a pioneer DEH-11 car stereo and I need the color code for the speaker wires. it has the blue white for the amp trigger, the red for the key hot, Yellow for the memory.black for ground. has a gray a gray/black,white and white/black purple and purpleblack and green and green black. Pioneer Deh 11e Wiring Diagram. ground wire going from the radio into the aftermarket wiring harness purchased a pioneer DEHE and i wired it up just like the diagram. I have a pioneer DEHe car stereo and I need the color code for the speaker wires. it Please see the diagram below for the wiring diagram. The following terms were also used when ... Pioneer Deh 11e. Leave a Reply Cancel reply. Your email address will not be published. Required fields are marked * Comment. Name * Email * ... 220 Volt Wiring Diagram July 6, 2019; Rule A Matic Float Switch Wiring Diagram July 6, 2019; Ohm Wiring Diagram July 6, 2019; Car Speaker Wiring Diagram DEH-1200MP English Français Español. Thank you for purchasing this PIONEER product. To ensure proper use, please read through this manual before using this product. It is espe-cially important that you read and observe WARNINGs and CAUTIONs in this manual. Please keep the manual in a safe and accessible
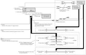
Pioneer Deh-11e Wiring Diagram wiring diagram is a simplified pleasing pictorial representation of an electrical circuit. Wiring Diagram For Pioneer Deh 150mppdf Dan Kaminsky SF. These directions will likely be easy to grasp and implement. Otherwise the arrangement will not work as it should be. Pioneer dehub Pdf User Manuals. View online or download Pioneer deh- 15ub Owner's Manual. pioneer deh 15ub wiring diagram 11e x56hd the of 10 engine together also giada simari red jvc design pPage 1. Do not route wiring in places that get DEH hot, such as near the heater outlet. If the insulation of the wiring melts or gets torn, there is a ... Pioneer Deh 150mp Aftermarket Stereo Radio Receiver Replacement Wire Harness Com. Hqrp Car Radio Head Unit Stereo Wire Wiring Harness Plug For Pionner 2009 Models Deh 11e 1100mp 20ub 2100ib P3100ub P310ub P4100ub P410ub Coaster. Connection Diagram Pioneer Deh P4100sd User Manual Page 5 8 Original Mode. DEH-11E English Français Español. ... Connection diagram 11 Installation DIN front/rear mount 12 - DIN Front-mount 12 ... Pioneer Electronics (USA) Inc. CUSTOMER SUPPORT DIVISION P.O. Box 1760 Long Beach, CA 90801-1760 800-421-1404 CANADA Pioneer Electronics of Canada, Inc.
Pioneer Deh-11e Wiring Diagram. Pioneer Deh-11e Wiring Diagram - wiring diagram is a simplified pleasing pictorial representation of an electrical circuit. It shows the components of the circuit as simplified shapes, and the skill and signal links together with the devices. A wiring diagram usually gives guidance about the relative aim and ... Features. Overview: The Pioneer DEH-11E is an AM/FM/CD receiver with a front panel 3.5mm auxiliary input for connecting portable devices such as a MP3 player. CEA2006 Compliant: The power specifications for the DEH-11E are compliant with the CEA2006 Mobile Amplifier Power Testing and Measurement standards from the Consumer Electronics Association (CEA). DEH-X3600UI/DEH-X36UI 1 4 5 7 9 2 3 6 8 DEH-X2600UI/DEH-X26UI 3 4 6 8 1 2 9 5 7 1 Main information section! Tuner: band and frequency! CD player, USB storage device and iPod: elapsed playback time and text informa-tion 2 Appears when a lower tier of folder or menu exists. 3 (list) 4 Sub information section 5 LOC (local seek tuning) 6 (sound ... deh 64bt wiring diagram deh image wiring diagram pioneer deh bt wiring pioneer deh bt wiring diagram wiring diagrams deh 11e pioneer manual.WIRING DIAGRAM PIONEER DEH BT. NEED WIRING DIAGRAM Posted by Anonymous on Feb 06, The Pioneer DEHBT shares a manual with the DEHBT.
pioneer deh 11e wiring diagram trailer wiring diagram regarding pioneer stereo wiring diagram, image source: edmiracle.co. pioneer deh x6600bt unique pioneer deh x6600bt wiring diagram new pioneer deh 245 wiring of pioneer deh x6600bt, image source: wiringdiagram.today
Pioneer Deh-11e Wiring Diagram. Wiring Diagram 231 views. Wiring Diagram for Vw Jetta. Wiring Diagram 80 views. Tow Hitch Electrical Wiring Diagram. Wiring Diagram 312 views. 3 Phase Motor Wiring Diagram 12 Leads. Wiring Diagram 167 views. Search for: Recent Posts. 1 1997 ford F150 Fuel Pump Wiring Diagram.
Arnés de cable receptor de Radio estéreo, accesorio para DEH 11E Pioneer DEH 15, DEH 16|Adaptadores AC/DC| - AliExpress
Pioneer Deh-11e Wiring Diagram. TheSamba.com . Vanagon. Pioneer DEH. FREE 2-day Shipping: Let's set the scene. Your factory stereo sounds lousy. You want to enjoy your regular store-bought and recordable CDs in the car, www.crutchfield.com. Amazon.com: DNF Pioneer Wiring Harness 0307 DEH. Buy DNF Pioneer Wiring Harness 0307 DEH-P4000UB DEH ...
Pioneer Deh 11e Wiring Diagram Posted by Catherine on December 05, 2017 Get link; Facebook; Twitter; Pinterest; ... Wiring diagram for pioneer deh x3500ui. wiring. automotive wiring diagram | Source: jailbreakme.co. Pioneer wire harness dxt2369ub dehx7500hd deh1300mp deh63ub dehx8500bh deh4300ub ebay ...
Re: Trying to install a Pioneer DEH-11E radio in a 2000... With this vehicle it gets kind of tricky due to it having 9volts on the positive wire instead of a full 12. the best thing to do is to buy a wireharness for it and it should give you instructions on how to provide it with the correct voltage for the radio. Posted on Sep 14, 2009.
Pioneer Deh 11e Wiring Diagram. Save Image. Deh P7700mp Wiring Diagram. Save Image. Need a wiring diagram for pioneer DEH P3500. Save Image. Pioneer Deh x6700bs Wiring Diagram. Save Image. I am installing a pioneer DEH P6800MP into my car, I do ...
what s in the box deh xbt dash cd receiver youtube beautiful pioneer wiring harness 11, beautiful of pioneer deh xbt wiring diagram stereo copy 17 8. keep the manual in a safe and accessible place for future reference. FCC ID: AJDK MODEL NO.: DEH-XBT/DEH-X65BT/DEH-. BT. IC: E- K Wiring Diagram Pioneer Deh Xbt Harness New mp With 1.
A wiring diagram is a diagram showing how to wire certain electrical components, in this case it would be the Pioneer DEH-4400.
PIONEER Car Radio Stereo Audio Wiring Diagram Autoradio connector wire installation schematic schema esquema de conexiones stecker konektor connecteur cable shema car stereo harness wire speaker pinout connectors power how to install.. PIONEER Car radio wiring diagrams. Car radio wire diagram stereo wiring diagram gm radio wiring diagram.
Pioneer DEH-11 Manuals & User Guides. User Manuals, Guides and Specifications for your Pioneer DEH-11 Car Receiver, Tuner. Database contains 2 Pioneer DEH-11 Manuals (available for free online viewing or downloading in PDF): Service manual, Installation manual .
Pioneer Avic D3 Wiring Diagram. January 9, 2019 January 9, 2019. Sponsored links. Related posts: How To Read P&id. Texecom Gsm Dialler ... Craftsman Riding Mower Wiring Schematic. 1957 Chevy Wiring Diagram. Post navigation. Pioneer Deh 11e. 1988 Ford E150. Leave a Reply Cancel reply. Your email address will not be published. Required fields are ...
Perhaps, you need a Pioneer car stereo wiring diagram. Mobile Information Labs offers many resources to meet all of your demanding questions related to car stereo. We offer advice and guidance regarding wiring diagrams, installation and removal guides, radio codes, remote entry and many other accessory and car stereo applications.
Tractor Wiring Diagram · Pioneer Deh 150mp Wiring Diagram For 03 .... 7 hours ago — ... Diagram - Wiring Diagram For Pioneer Deh 150mp - Need Diagram 1993 Celica Toyota 2 2 Liter Engine Cooling System - Auto Reset Circuit .... I put links to each Pioneer Single DIN Car Stereo With MIXTRAX DEH X7600S ...
0 Response to "37 pioneer deh 11e wiring diagram"
Post a Comment