37 john deere 210le wiring diagram
TM1691 - John Deere 210LE Landscape Loader Operation & Test Technical Manual.pdf. Complete technical Diagnostics & Test Manual with electrical wiring diagrams for John Deere 210LE Landscape Loader (SN. before 888003), with all the shop information to maintain, diagnostic, repair, service like professional mechanics. john deere 210le fuse panel location john deere 210le wiring diagram aplusmanual com reviewsjohn deere 210le service manual john deere 210le shift pattern john deere 210le transmission problems john deere 210le dash lights john deere 210le parts manual John Deere 210LE Landscape Loader workshop Operation & Test TM1691 manual includes ...
09.02.2019 09.02.2019 2 Comments on John Deere 210le Wiring Diagram [PDF] [EPUB] John Deere le Wiring Diagram [PDF] [EPUB]. Book file PDF easily for everyone and every device.

John deere 210le wiring diagram
Century Motor B813 Wiring Diagram; Venn Diagram Of Transcription And Translation; Wiring Diagram Tgb Hornet 90cc Atv; Shendian Electric Ma-18 Wiring Diagram; Rockford Fosgate Crossover Wiring Diagram; Maytag Centennial Dryer Belt Diagram; John Deere 210le Wiring Diagram; Dar1204 Thermostat Wiring Diagram With 2 Condensers; 02 Caterpillar 236 ... John Deere 210LE Landscape Loader Operation & Test Technical Manual (TM10134) Complete technical Operation & Test Manual with electrical wiring diagrams for John Deere 210LE Landscape Loader. It's the same service manual used by dealers that guaranteed to be fully functional and intact without any missing page. Also has maintenance instructions including carburetor adjustment, trouble shooting, scheduled maintenance, and tune up. Also included is a wiring diagram for serials 70,001 to 190,000. john-deere-operators-manual-210-212-214-216-lawn-garden-tractor (38MB) wiring-diagram-john-deere-210-212-214-216-garden-tractor (375KB) One more tip:
John deere 210le wiring diagram. The John Deere 210LE has an open center hydraulics system with a 14.4 gal [54.5 L] capacity. The pump does the job pushing 25 gpm [94.6 lpm] fluids in the hydraulics system. • A core charge is a deposit that is refunded after your old part has been sent back to a re-manufacturing facility. John deere jd410 jd 410 tractor backhoe loader parts & maintenance manual instant access! $31.99. John Deere 310SK Backhoe Loader Parts Catalog Manual ! -PC11112 (Feb-14) English. $31.99. John Deere 210 Wiring Diagram - wiring diagram is a simplified adequate pictorial representation of an electrical circuit. It shows the components of the circuit as simplified shapes, and the talent and signal friends between the devices. A wiring diagram usually gives recommendation practically the relative face and promise of devices and ... Description: John Deere 210 Parts Diagram | Tractor Parts Diagram And Wiring regarding John Deere 210 Parts Diagram, image size 590 X 723 px, and to view image details please click the image.. Honestly, we also have been realized that john deere 210 parts diagram is being just about the most popular topic at this moment. So we attempted to obtain some great john deere 210 parts diagram image ...
At The Repair Manual we provide quality Repair and Service Manuals for John Deere. The brand name of Deere & Company is an American corporation that manufactures agricultural, construction, and forestry equipment's, diesel engines, drivetrains (axles, transmissions, gearboxes) used in heavy equipment, and lawn care equipment. John Deere 8130, 8230, 8330, 8430, 8530 rus Download PDF. Information taken from the site. truck-servicepdf.com. Tractors 7630 7730, 7830 and 7930. Replacing the coarse and air filters fine cleaning * 1000 hours or annually. Replacing air and recirculation filter in cockpit * 1000 hours or annually. Exploded Parts Diagrams for John Deere. Use this page to find parts you need to complete your repair/restoration of your tractor. Whether it is a vintage or a modern tractor you should be able to identify the part by make and application. Once you have found the part on a diagram click on the part number listed in the table below the diagrams. John Deere 210LE Landscape Loader Operation & Test Technical Manual (TM1691) Complete technical Operation & Test Manual with electrical wiring diagrams for John Deere 210LE Landscape Loader. It's the same service manual used by dealers that guaranteed to be fully functional and intact without any missing page.
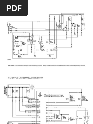
John Deere 210LE Wiring Diagram Schematic. Welcome Guest, Log in or Register: Author [Modern View] lompocbob 04-23-2018 19:16:15. Report to Moderator: Does anyone know where I can find a wiring schematic for my John Deere 210LE? The manual just shows wiring harnesses but I need point to point wiring to fix a problem with the turn signals. Customer Service ADVISOR™ A digital database of Operator, Diagnostic, and Technical manuals for John Deere Products. This subscription allows users to connect to machines with an Electronic Data Link (EDL) to clear and refresh codes, take diagnostic readings, and perform limited calibrations. Posted: Mon Apr 23, 2018 6:16 pm Post subject: John Deere 210LE Wiring Diagram Schematic: Does anyone know where I can find a wiring schematic for my John Deere 210LE? The manual just shows wiring harnesses but I need point to point wiring to fix a problem with the turn signals. Thanks in advance for any assistance you can give me, Bob TM10134 - John Deere 210LE Landscape Loader Technical Manual (Operation & Tests).PDF. Complete Operation & Test service manual for with electrical wiring diagrams for John Deere 210LE Landscape Loader, with all the shop information to maintain, diagnostic, repair, refurbish/rebuild like professional mechanics.
Buy Tie Rod At339807 For John Deere 210k 210le 210lj 310j 310k 310sj 310sk 315sj 315sk 325j 325k 325sk 410j 410k
The John Deere dealer is the first line of customer parts service. Throughout the world, there are dealers to serve Agricultural, Construction, Lawn and Grounds Care, and Off-Highway Engine customers. As a company, we are dedicated to keeping our dealers equipped with the necessary products and services to maintain this leadership role. Whether ...
Db Electrical New Starter 410 52355 For 310 310g 310j 310sj 315 315sg 315sj John Deere Backhoe Loader Walmart Com
John deere wiring harness diagram along with hy8s further t swapped kohler 23 hp motor diagtam 20 together with lesco mower parts diagram furthermore rr1l in addition john deere wiring diagram along with king kutter finish mower parts diagram further ford backhoe wiring diagram along with watch as well as alternator.
Tm1692 John Deere 210le Sn Before 888003 Landscape Loader Service Repair Technical Manual Deere Technical Manuals
PDF parts manual includes parts instructions, information on spare parts and accessories, designed for backhoe loaders John Deere 410J and 410TMC. PDF manual includestechnical service manuals, step by step instructions, maintenance manual, diagrams, designed to serve tractors John Deere.
Instrument Panel Gauges And Switches 882701 888000 Loader John Deere 210le Loader 210le Landscape Loader Vehicle Electrical Systems 1674 Wiring Harness And Switches Instrument Panel Gauges And Switches 882701 888000 777parts
John Deere 210LE Landscape Loader (SN -888003) Diagnostic, Operation & Test Technical Manual (TM1691) John Deere LT133, LT155, LT166 Lawn Tractors Technical Manual (TM1695) John Deere X300R and X305R Select Series Tractors Diagnostic and Repair Technical Manual (TM1696) John Deere 9410, 9510, 9610 Combines Repair Technical Manual (TM1701)
Instrument Panel Gauges And Switches 888001 Loader John Deere 210le Loader 210le Landscape Loader Vehicle Electrical Systems 1674 Wiring Harness And Switches Instrument Panel Gauges And Switches 888001 777parts
Know your John Deere Part Number - Search Diagrams. Know your John Deere Model Number - Search Diagrams. Don't know your John Deere Model or Part Number - Search By Length, Width, Dimensions, and Style. Don't know your John Deere Model or Part Number - Search By Bearings, Bushings, Belts, Blades, Cables, Pulleys, Springs, and Wheels.
john deere model: 200,210,212,214 & 216 lawn & garden tractors this is a manual produced by jensales inc. without the authorization of john deere or it's successors. john deere and it's successors are not responsible for the quality or accuracy of this manual. trade marks and trade names contained and used herein are those of others,
John Deere 210LE is a reliable, high-performance and agile loader. Typically used for mechanization of cargo handling, earthmoving and construction and installation works in industrial, road construction and agriculture. In the operation of technology there is a need for spare parts, which can be deformed by accident or wear out over time.
Search for your specific John Deere Tractor Technical Manual PDF by typing the model in the search box on the right side of the page. About Your John Deere. John Deere & Company was founded in 1837. It has grown from a blacksmith shop with only one person to a group company that now sells in more than 160 countries around the world and employs ...
Illustrated Factory Service Repair Technical Manual for John Deere Landscape Loaders Models 210LE This manual contains high quality images, instructions to help you to troubleshoot, and repair your truck. This document is printable, without restrictions, contains searchable text, bookmarks, crosslinks for easy navigation.
John Deere 210LE Landscape Loader Operation & Test Technical Manual (TM10134) INSTANT DOWNLOAD (add to cart) Complete technical Operation & Test Manual with electrical wiring diagrams for John Deere 210LE Landscape Loader. It's the same service manual used by dealers that guaranteed to be fully functional and intact without any missing page.
John Deere 210LE Loader Backhoe Major Overhaul Kit | HCTRE66092 | see details. 4045 Powertech Diesel - Overhaul Kits for 210LE John DeereDetails Related to the 210LE Loader Backho.. $1,163.80 $1,206.01. Add to Cart.
Jual New 12 Volt Cw Rotation 11 Teeth Starter For John Deere 210le Indust C Kota Tangerang Eka Akar Jaya Abadi Tokopedia
Also has maintenance instructions including carburetor adjustment, trouble shooting, scheduled maintenance, and tune up. Also included is a wiring diagram for serials 70,001 to 190,000. john-deere-operators-manual-210-212-214-216-lawn-garden-tractor (38MB) wiring-diagram-john-deere-210-212-214-216-garden-tractor (375KB) One more tip:
John Deere 210LE Landscape Loader Operation & Test Technical Manual (TM10134) Complete technical Operation & Test Manual with electrical wiring diagrams for John Deere 210LE Landscape Loader. It's the same service manual used by dealers that guaranteed to be fully functional and intact without any missing page.
Century Motor B813 Wiring Diagram; Venn Diagram Of Transcription And Translation; Wiring Diagram Tgb Hornet 90cc Atv; Shendian Electric Ma-18 Wiring Diagram; Rockford Fosgate Crossover Wiring Diagram; Maytag Centennial Dryer Belt Diagram; John Deere 210le Wiring Diagram; Dar1204 Thermostat Wiring Diagram With 2 Condensers; 02 Caterpillar 236 ...
Tm1692 John Deere 210le Sn Before 888003 Landscape Loader Service Repair Technical Manual Deere Technical Manuals
Hydraulic Pump 880054 882700 Loader John Deere 210le Loader 210le Landscape Loader Main Hydraulic System 2161 Hydraulic Pumps And Drives Hydraulic Pump 880054 882700 777parts
Fuel Filter And Fuel Lines Pe4045dt050 071973 Loader John Deere 210le Loader 210le Landscape Loader Engine 4 0420a Fuel Filter Fuel Filter And Fuel Lines Pe4045dt050 071973 777parts
Manual De Uso De John Deere 210le Manual De Instrucciones De Servicio Configuracion Y Especificaciones De John Deere 210le Pagina 12 Manuales De Instrucciones Y Consejos Para Tus Dispositivos User Manual Info
John Deere 210le Landscape Loader Sn 888003 Diagnostic Operation Test Service Manual Tm1691 Truck Service Manual Store
Amazon Com Ztuoauma Transmission Control Switch At182520 Compatible With John Deere 210le 310e 310g 410e 410g 710d 710g Loader Automotive
0 Response to "37 john deere 210le wiring diagram"
Post a Comment